GM Service Manual Online
For 1990-2009 cars only
Figure 1:

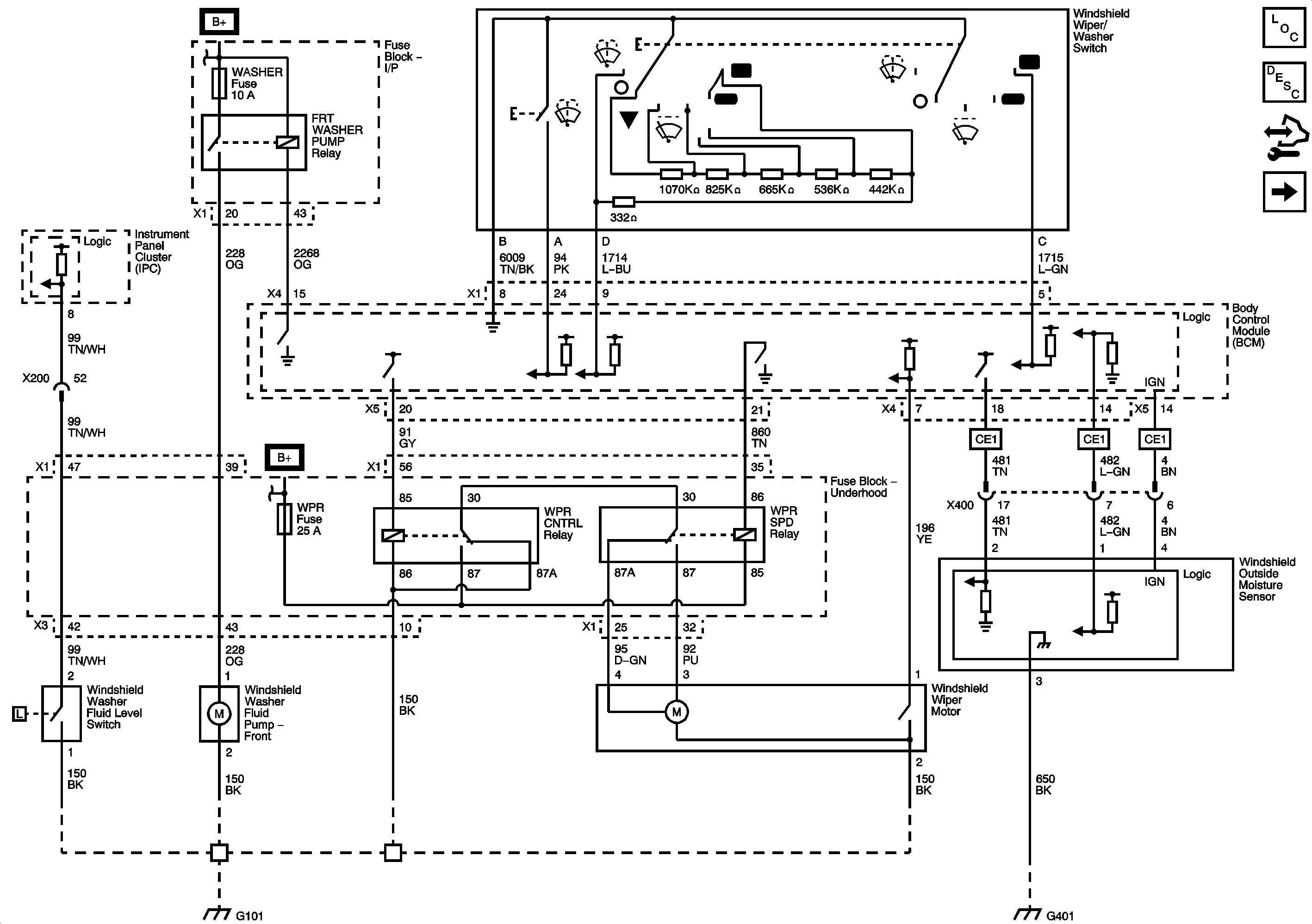
Front Wiper Washer


Object Number: 2079522  Size: FS
Figure 2:

Heated Washer Nozzle


Object Number: 2079525  Size: FS
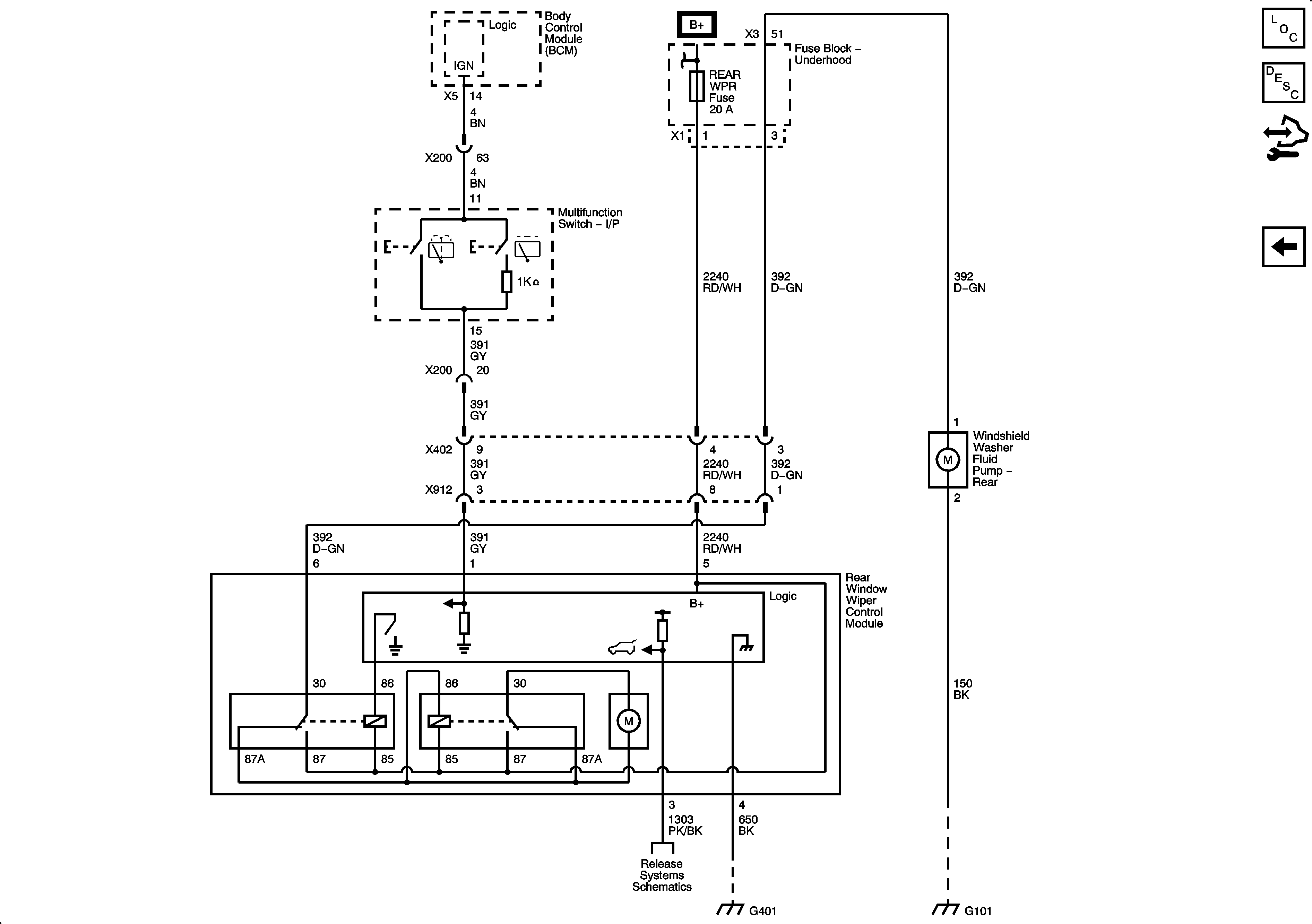
Figure 3:

Rear Wiper Washer


Object Number: 2079528  Size: FS