GM Service Manual Online
For 1990-2009 cars only
Makes
🢒
Saturn
🢒
2009
🢒
VUE - AWD
🢒
Driver Information and Entertainment
🢒
Cellular, Entertainment, and Navigation
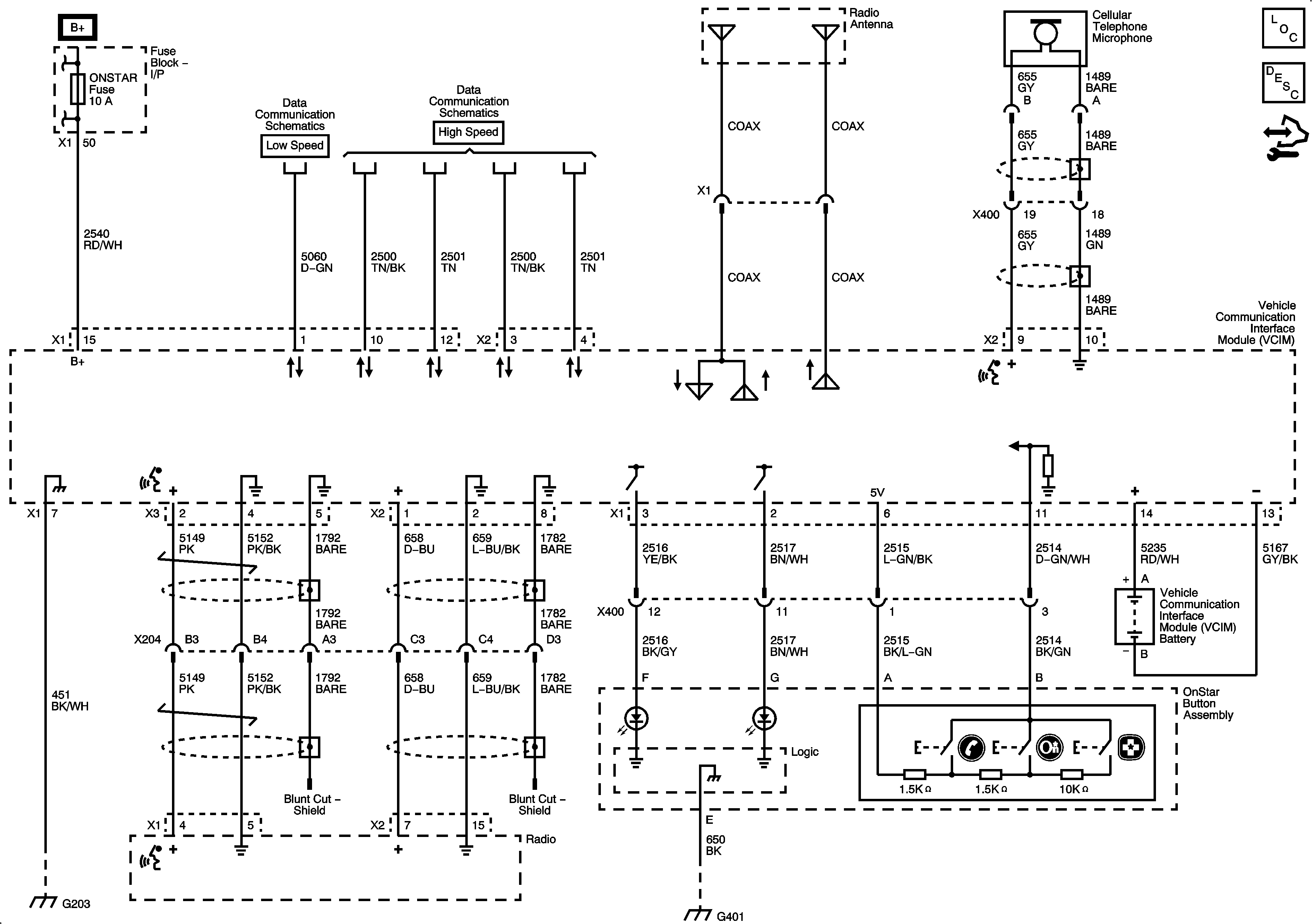
🢒 OnStar Schematics
OnStar