GM Service Manual Online
For 1990-2009 cars only
Makes
🢒
Saturn
🢒
2009
🢒
VUE - AWD
🢒
Transmission
🢒
Automatic Transmission - 6T70/6T75
🢒 Automatic Transmission Controls Schematics
Figure
1:
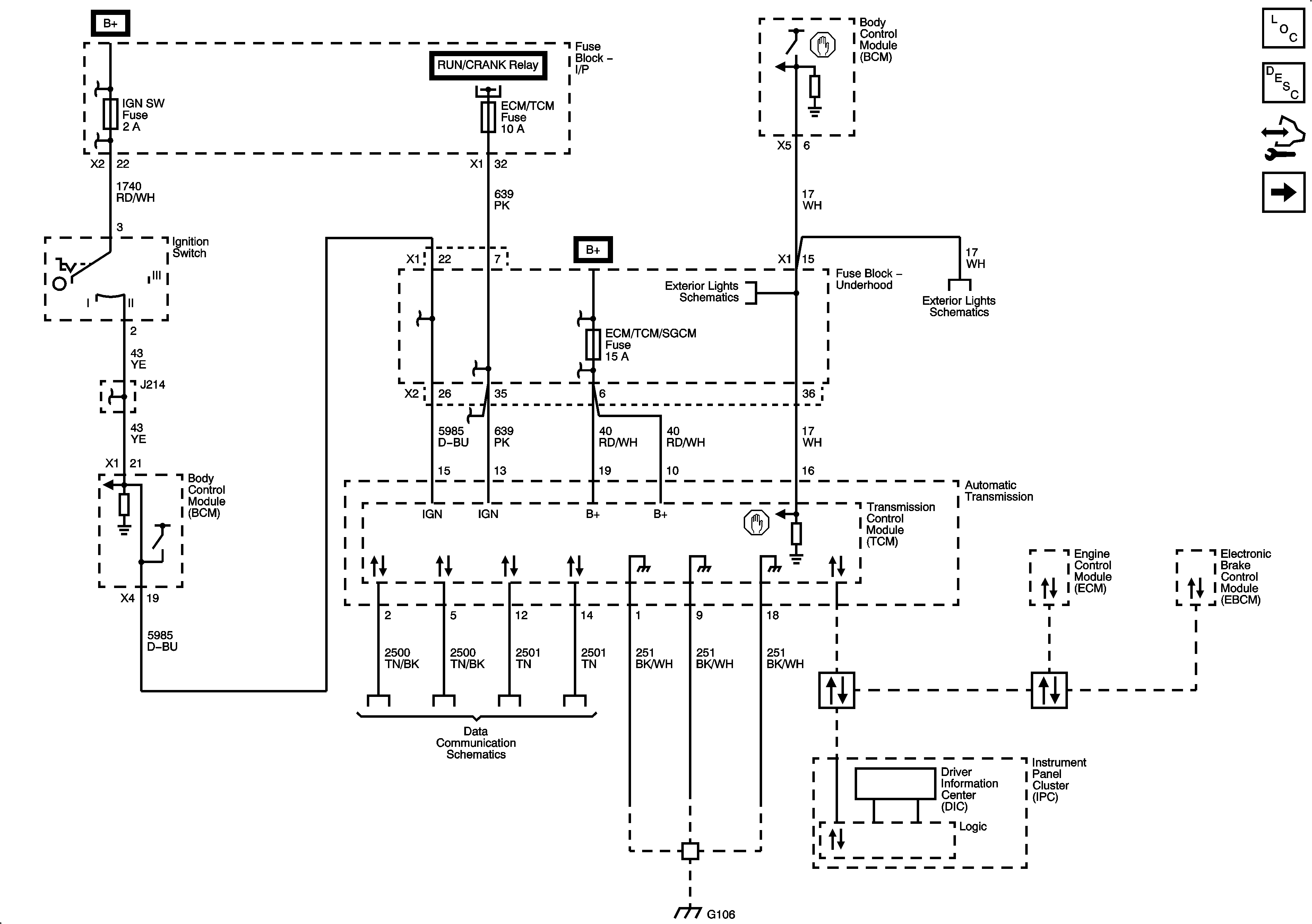
Module Power, Ground, Data Communications, MIL and Brake Signal (6T70/6T75)
Figure
2:
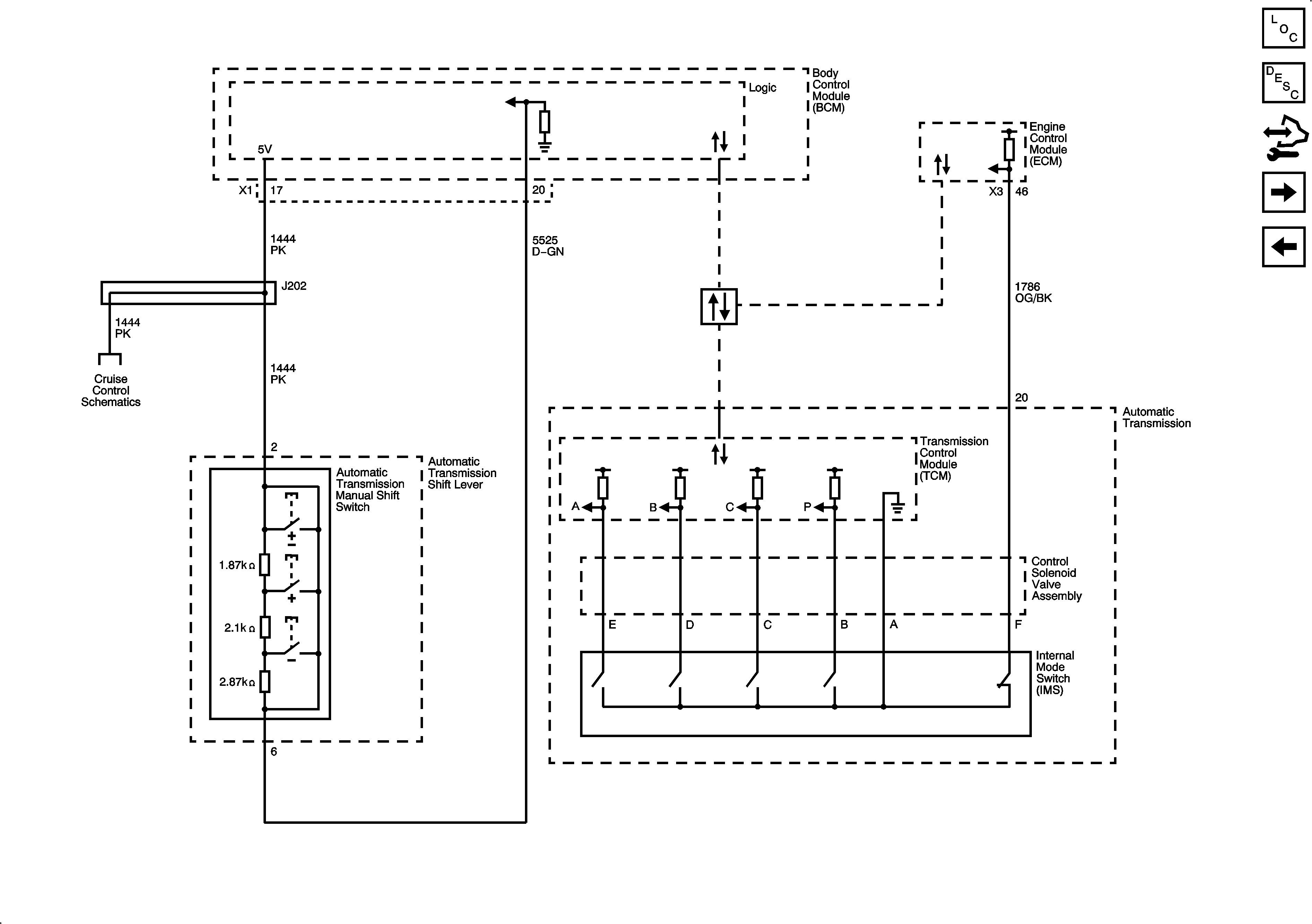
Pressure and Shift Controls (6T70/6T75)
Figure
3:
ISS, OSS, TFP and TFT (6T70/6T75)
Figure
4:
IMS and TapUp/TapDown (6T70/6T75)