GM Service Manual Online
For 1990-2009 cars only

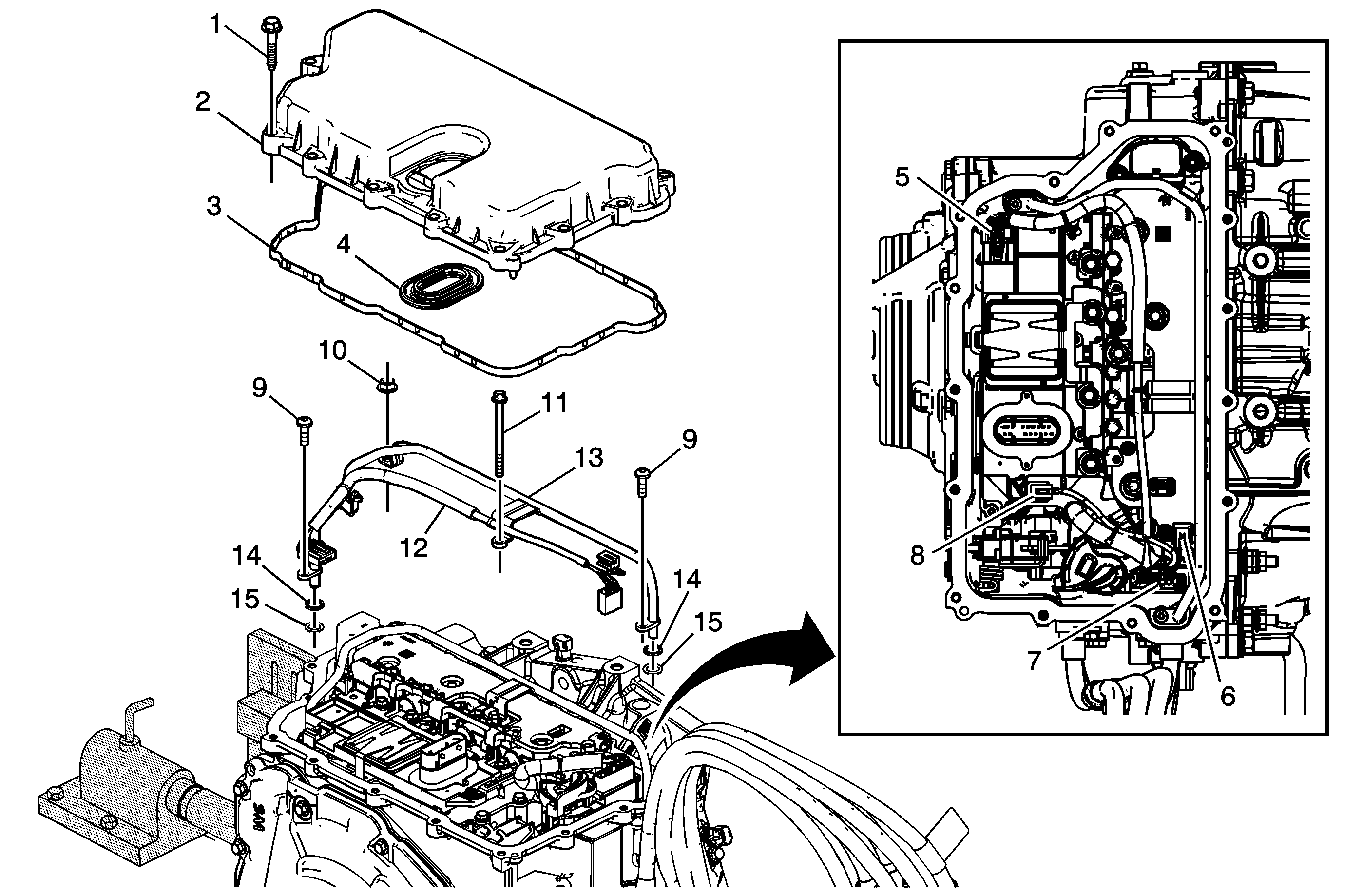
Object Number: 2047261  Size: MF

Callout

Component Name

1

Control Valve Body Cover Bolt M6 x 30 mm (Qty: 15)

2

Control Valve Body Cover Assembly

3

Control Valve Body Cover Gasket

4

Control Valve Body Cover Wiring Connector Hole Seal

Tip
Seal may stay with the cover.

5

Electrical Connector

6

Electrical Connector

7

A/Trans Manual Shift Shaft Position Switch Connector

8

Control Solenoid (w/Body and TCM) TEHCM Valve Assembly Connector

9

Generator/Drive Motor Position Sensor Bolt M5 x 15 mm (Qty: 2)

10

Variable Drive Pulley Retaining Nut

11

Control Valve Body Bolt M6 x 75 mm (Qty: 1)

12

A/Trans Wiring Extension Harness Assembly

Tip
The wiring harness is attached to the fluid cooler outlet pipe assembly and will come out together.

13

Transmission Fluid Cooler Outlet Pipe Assembly

14

Nylon O-ring

15

Transmission Fluid Cooler Outlet Seal