GM Service Manual Online
For 1990-2009 cars only

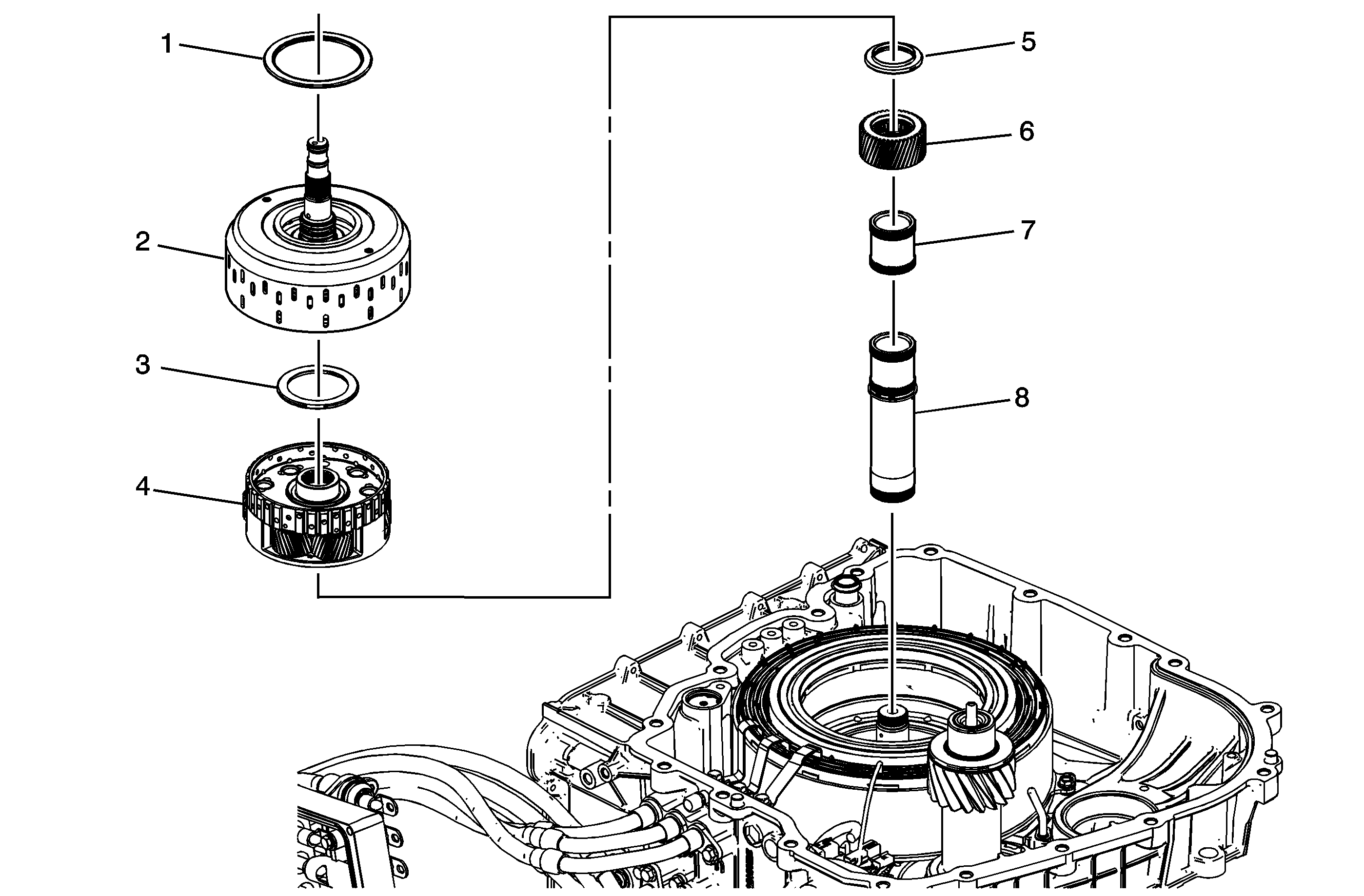
Object Number: 2047270  Size: MF

Callout

Component Name

1

1-3 Reverse Clutch Thrust Bearing Assembly

2

1-3 Reverse Clutch Assembly

3

Input Carrier Thrust Bearing Assembly

4

Input Carrier Assembly (C1)

5

Input Sun Gear Thrust Bearing Assembly

6

Input Sun Gear

7

Generator/Drive Motor Rotor Hub Shaft

8

Input Sun Gear Shaft