GM Service Manual Online
For 1990-2009 cars only

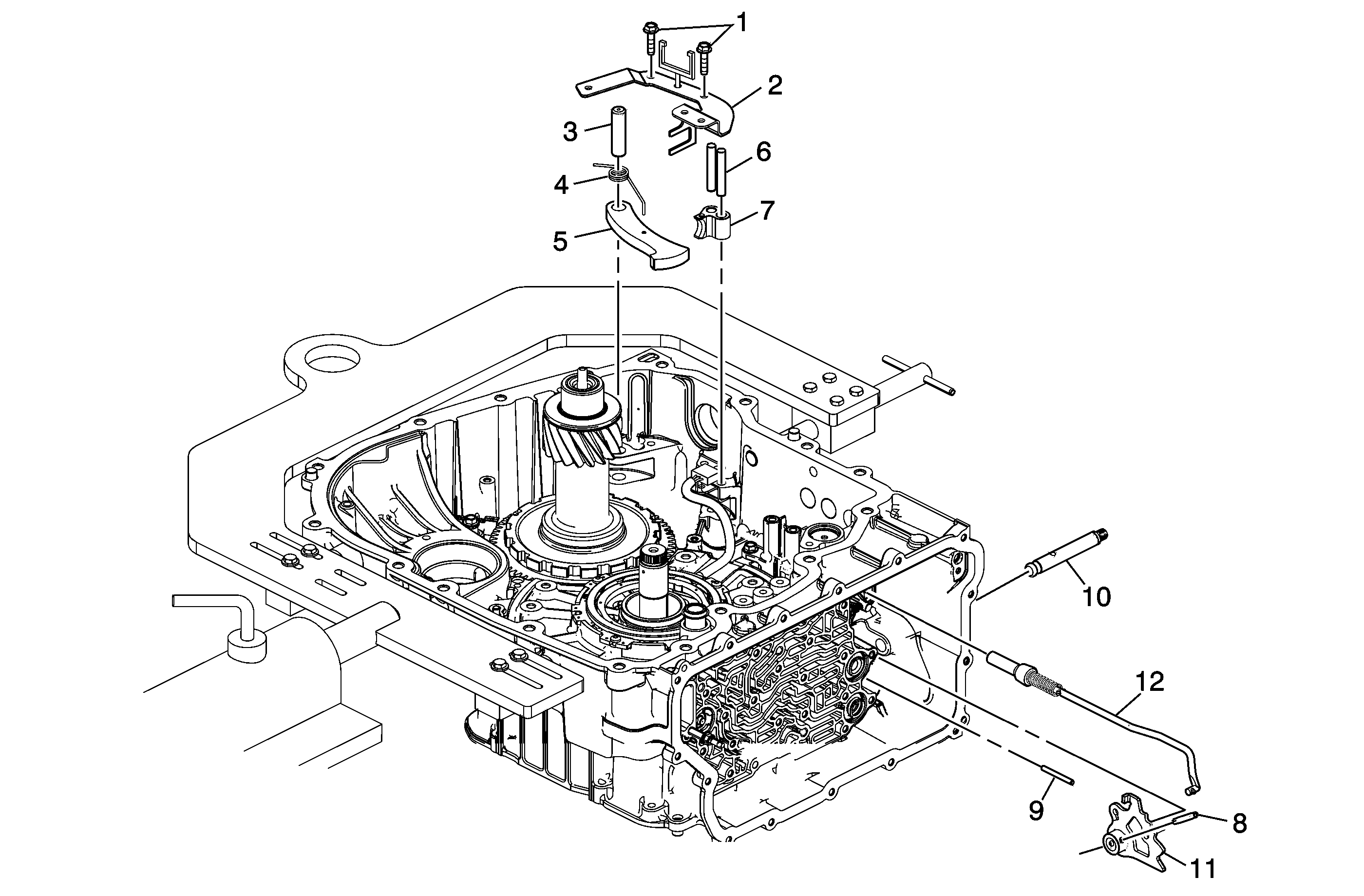
Object Number: 2047274  Size: MF

Callout

Component Name

1

Park Pawl Actuator Bolt M6 x 25 mm (Qty: 2)

2

Park Pawl Actuator Bracket

3

Park Pawl Shaft

4

Park Pawl Spring

5

Park Pawl

6

Park Pawl Actuator Guide Pin (Qty: 2)

Tip
Requires a magnet to remove.

7

Park Pawl Actuator Guide

8

Manual Shaft Detent Lever Hub Pin

9

Manual Shaft Pin

10

Manual Shift Shaft

11

Manual Shaft Detent Lever Assembly

12

Park Pawl Actuator Assembly