GM Service Manual Online
For 1990-2009 cars only

Object Number: 2047281  Size: MF

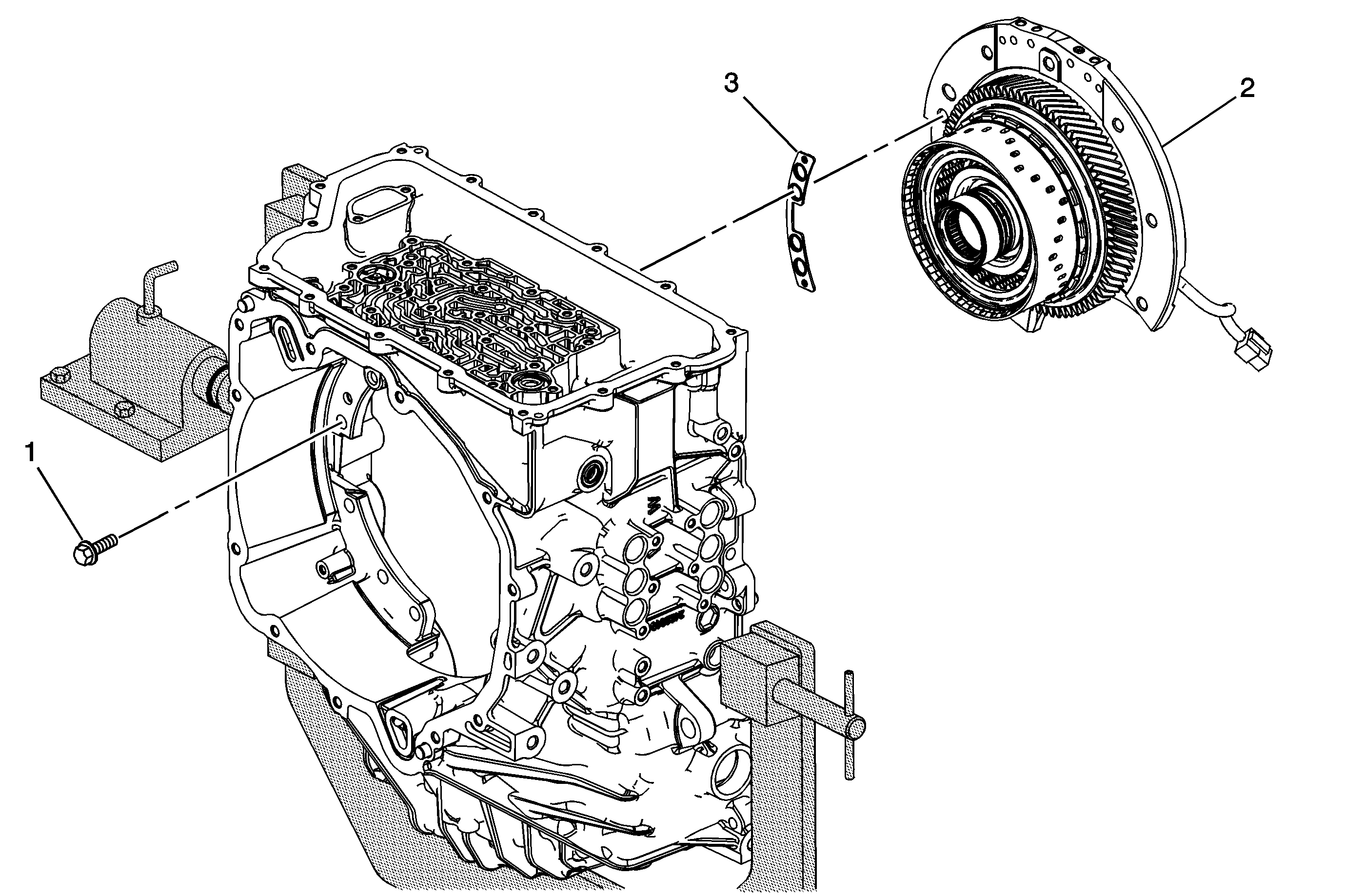
Callout

Component Name

1

Center Support Bolt M10 x 25 mm (Qty: 9)

2

Center (w/Variable Low and 1-2 Reverse Clutch) Support Assembly

3

Center Support Oil Passage Seal

Tip
May be stuck to the support assembly.