GM Service Manual Online
For 1990-2009 cars only

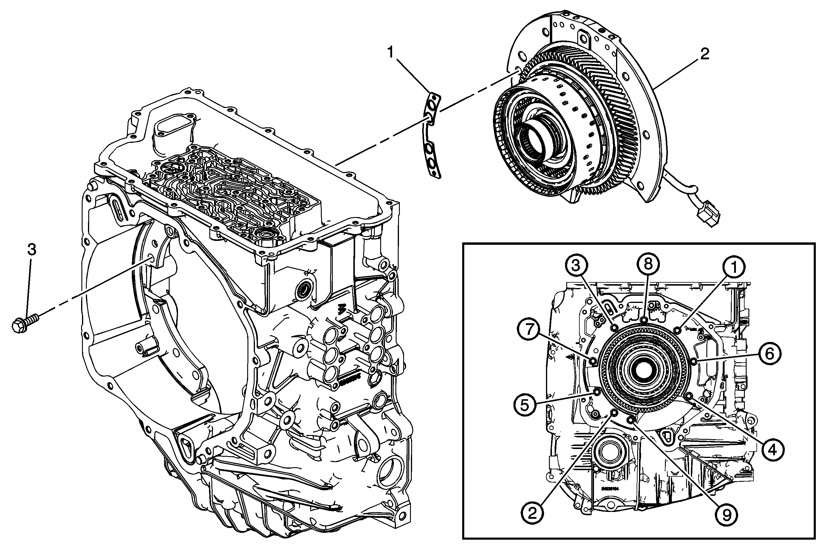
Object Number: 2047323  Size: MF

Callout

Component Name

1

Center Support Oil Passage Seal

2

Center (w/Variable Low and 1-2 Reverse Clutch) Support Assembly

3

Center Support Bolt M10 x 25 mm (Qty: 9)

Caution: Refer to Fastener Caution in the Preface section.

Procedure

Tighten bolts in sequence shown.

Tighten
58 N·m (43 lb ft)