GM Service Manual Online
For 1990-2009 cars only

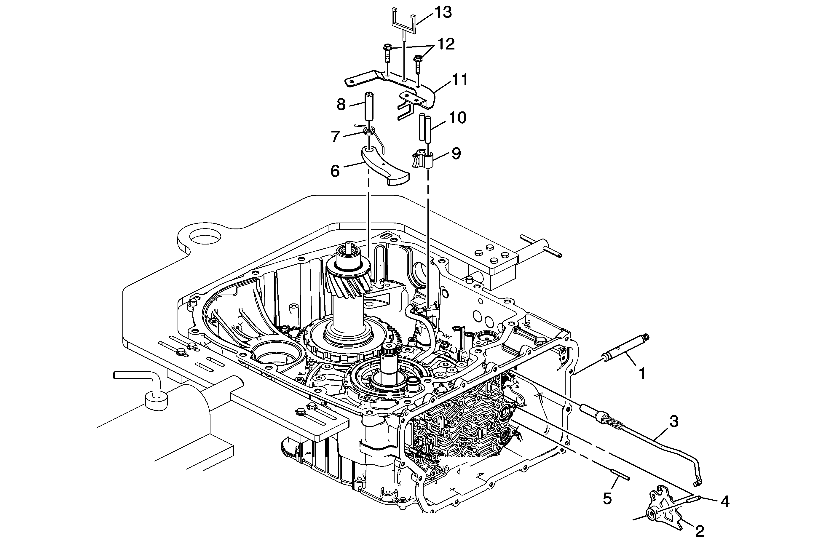
Object Number: 2047326  Size: MF

Callout

Component Name

1

Manual Shift Shaft

2

Manual Shaft Detent Lever Assembly

3

Park Pawl Actuator Assembly

4

Manual Shaft Detent Lever Hub Pin

5

Manual Shaft Pin

6

Park Pawl

7

Park Pawl Spring

8

Park Pawl Shaft

9

Park Pawl Actuator Guide

10

Park Pawl Actuator Guide Pin (Qty: 2)

11

Park Pawl Actuator Bracket

12

Park Pawl Actuator Bolt M6 x 25 mm (Qty: 2)

Caution: Refer to Fastener Caution in the Preface section.

Tighten
9 N·m (80 lb in)

13

Wiring Harness Conduit Bracket