GM Service Manual Online
For 1990-2009 cars only
Table 1: Drive Motor Generator Stator Cooling Tubes Replacement
Table 2: Rotor and Stator Installation

Drive Motor Generator Stator Cooling Tubes Replacement


Object Number: 2047329  Size: MF

Drive Motor Generator Stator Cooling Tubes Replacement

Callout

Component Name

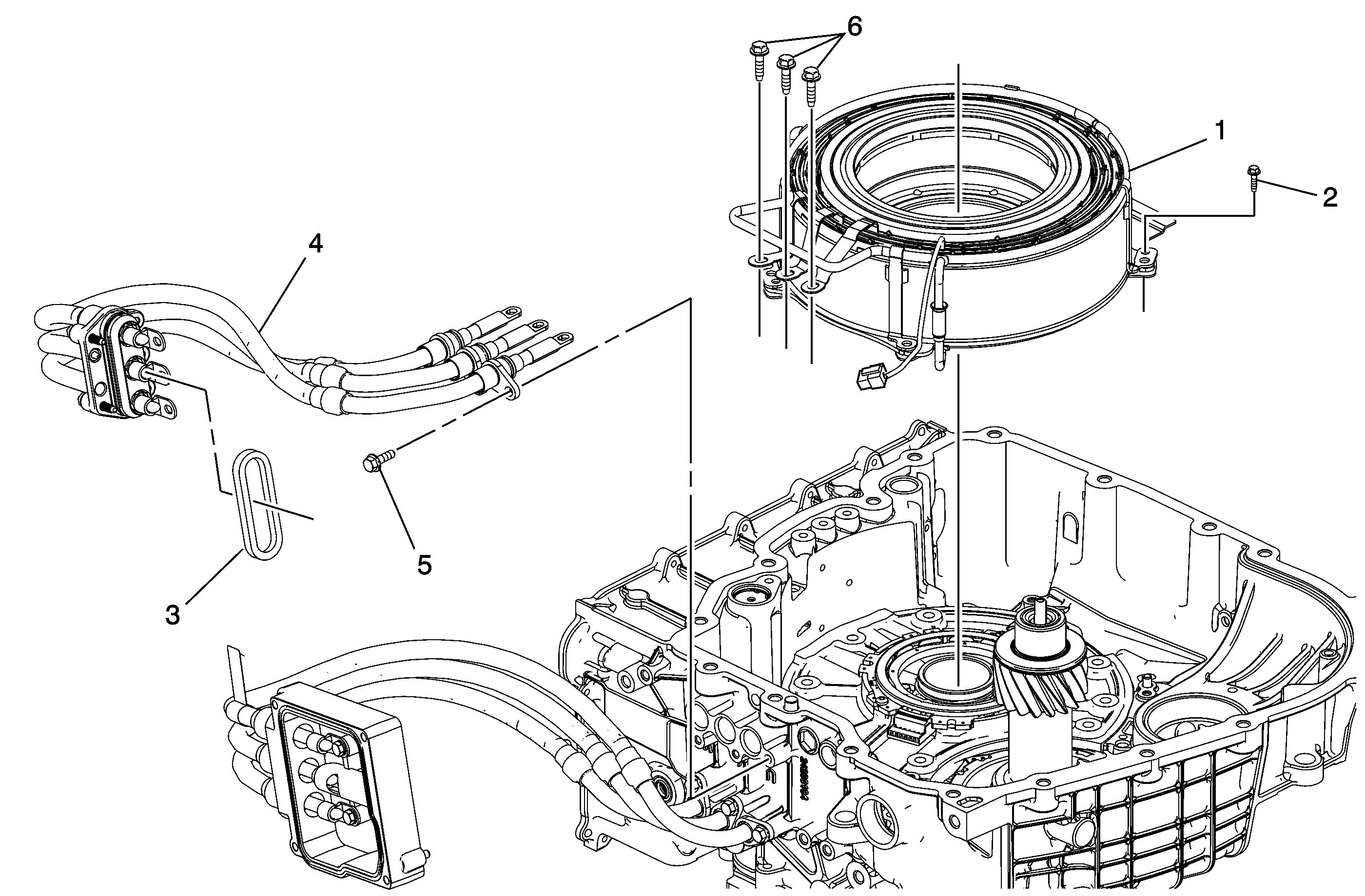
1

Generator/Drive Motor Stator Cooling Tube Assembly (RHS)

2

Drive Motor/Generator Stator Cooling Tube Seal (Qty: 2)

3

Generator/Drive Motor Rotor Assembly - Unit A

4

Generator/Drive Motor Stator Cooling Tube Assembly (LHS)

Rotor and Stator Installation


Object Number: 2047330  Size: MF

Rotor and Stator Installation

Callout

Component Name

1

Generator/Drive Motor Stator Assembly - Unit A

Warning: The generator motor weighs approximately 36 kg (80 lbs). Personal injury may result if you lift the generator motor improperly.

Tip
Attach the temperature sensor connector.

2

Drive Motor/Generator Stator Bolt M6 x 20 mm (Qty: 4)

Caution: Refer to Fastener Caution in the Preface section.

Tighten
9 N·m (80 lb in)

3

Drive Motor/Generator Power Inverter Module Cable Terminal External Bolt Seal

4

Drive Motor/Generator Power Inverter Module Cable Assembly - 3 Phase - A

5

Drive Motor/Generator Power Inverter Module Cable Bolt M6 x 20 mm (Qty: 3) - External

Tighten
9 N·m (80 lb in)

6

Drive Motor/Generator Power Inverter Module Cable Connector Bolt M6 x 25 mm (Qty: 6) - Internal

Tighten
9 N·m (80 lb in)