GM Service Manual Online
For 1990-2009 cars only

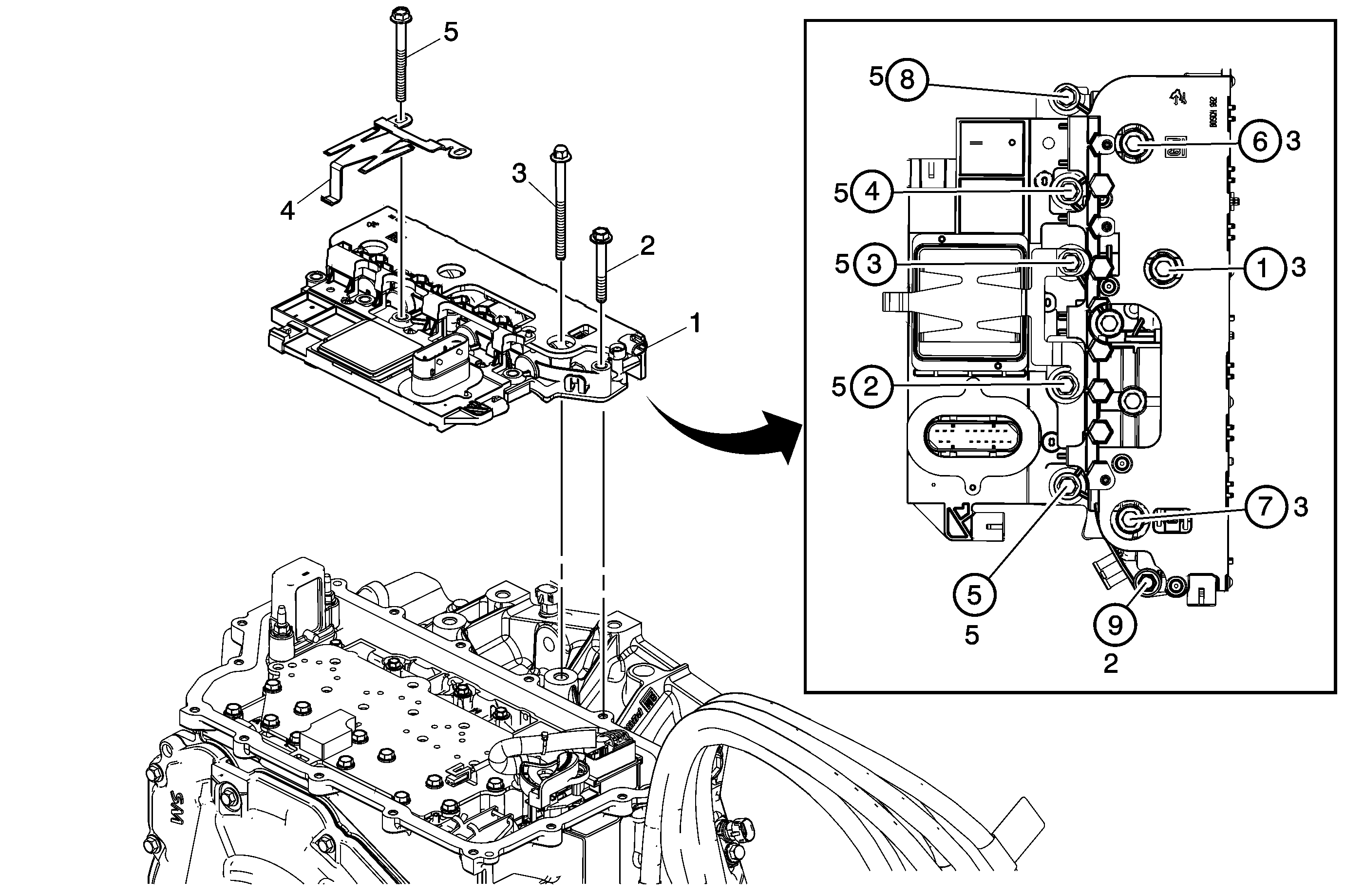
Object Number: 2047446  Size: MF

Callout

Component Name

1

Control Solenoid (w/Body and TCM) TEHCM Valve Assembly

2

Control Valve Body Bolt M6 x 42 mm (Qty: 1)

Caution: Refer to Fastener Caution in the Preface section.

Procedure

Tighten the bolt in sequence shown.

Tighten
9 N·m (80 lb in)

3

Control Valve Body Bolt M6 x 75 mm (Qty: 3)

Procedure

Tighten the bolt in sequence shown.

Tighten
9 N·m (80 lb in)

4

Control Solenoid Valve Spring

5

Control Valve Body Bolt M6 x 65 mm (Qty: 5)

Procedure

Tighten the bolt in sequence shown.

Tighten
9 N·m (80 lb in)