GM Service Manual Online
For 1990-2009 cars only

Removal Procedure

  1. Remove the transaxle from the vehicle. Refer to Transmission Replacement.
  2. Remove the front and rear mount retaining nuts.
  3. Raise the powertrain assembly off the mounts.

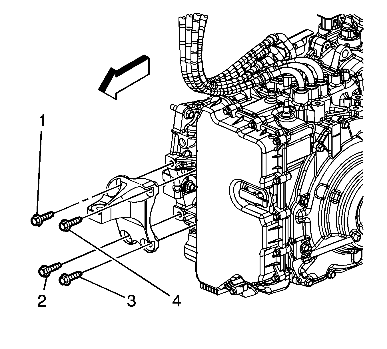
  4. Object Number: 2167943  Size: SH
  5. Remove the front transaxle bracket attachment bolts (1,2,3,4).
  6. Remove the transaxle bracket from the transaxle.

Installation Procedure

  1. Install the transaxle bracket to the transaxle.
  2. Caution: Refer to Fastener Caution in the Preface section.


    Object Number: 2167943  Size: SH
  3. Install the bracket fasteners using the following sequence:
  4. 2.1. Finger tighten the four bolts.
    2.2. Tighten bolt 1  to 76 N·m (56 lb ft).
    2.3. Tighten bolt 2  to 76 N·m (56 lb ft).
    2.4. Tighten bolt 3  to 76 N·m (56 lb ft).
    2.5. Tighten bolt 4  to 76 N·m (56 lb ft).
  5. Lower the powertrain assembly on the mounts.
  6. Note: Front and rear mounts are to be torqued after the powertrain is fully seated on the mounts. This will eliminate any twist in the rubber element induced to not preloading the mount before applying torque.

  7. Install the front and rear mount retaining nuts, then tighten to 100 N·m (74 lb ft)..
  8. Install the powertrain in the vehicle. Refer to Transmission Replacement.