GM Service Manual Online
For 1990-2009 cars only
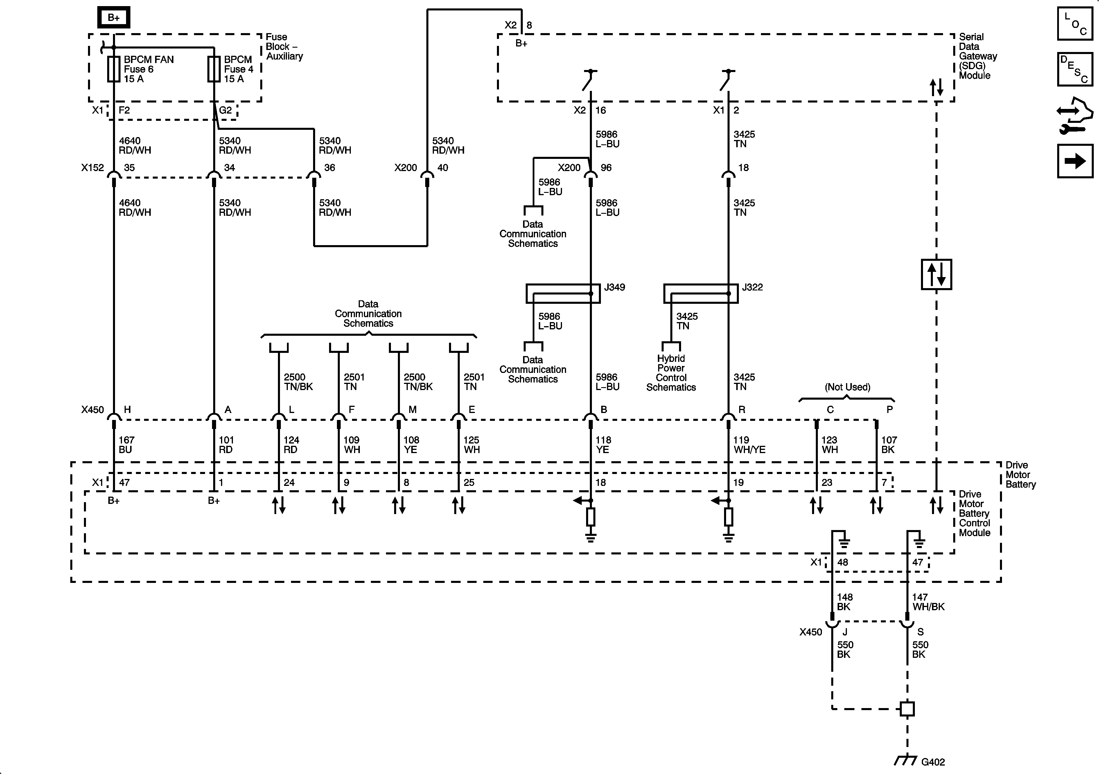
Figure 1:

Drive Motor Battery Control Module Power, Ground and Data Communications


Object Number: 2148753  Size: FS
Figure 2:

Battery Modules, High Voltage Disconnect


Object Number: 2148757  Size: FS
Figure 3:

Main Contactor Relays


Object Number: 2148655  Size: FS
Figure 4:

High Voltage Interlock Link


Object Number: 2148661  Size: FS