Danger: Always perform the High Voltage Disabling procedure prior to servicing any High Voltage component or connection. Personal Protection Equipment (PPE) and proper procedures must be followed.
The High Voltage Disabling procedure will perform the following tasks:| • | Identify how to disable high voltage. |
| • | Identify how to test for the presence of high voltage. |
| • | Identify condition under which high voltage is always present and personal protection equipment (PPE) and proper procedures must be followed. |
| 5.1. | Remove the locking tab. |
| 5.2. | Insert a small flat blade screwdriver into the locking tab area and raise the tab while pulling on the connector. |
Caution: High Voltage (HV) cables should never be removed from the mounting block. Removal of the individual HV cable from the mounting block may result in HV cable and/or component damage from improper:
• Cable sealing • Electrical shielding • Terminal position assurance
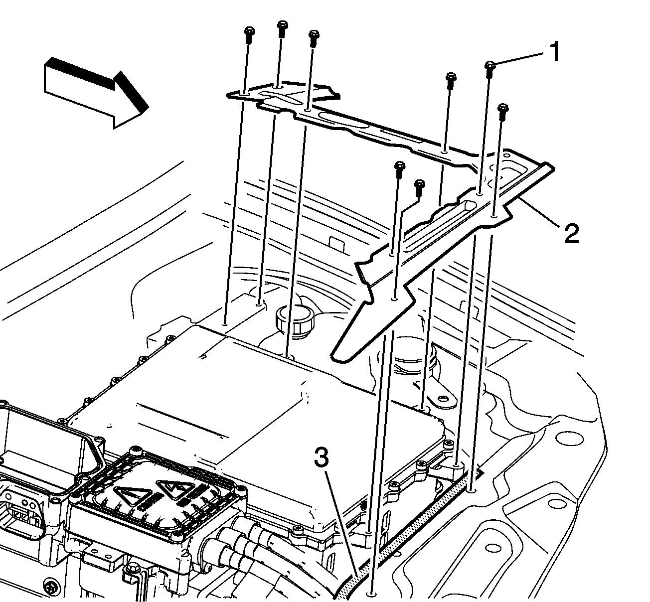
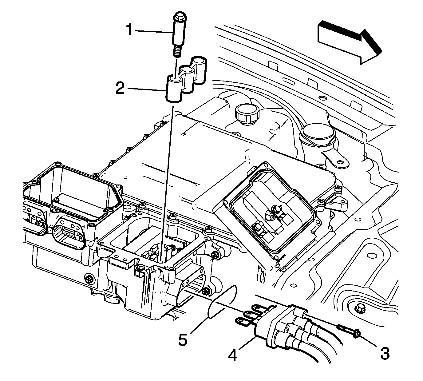
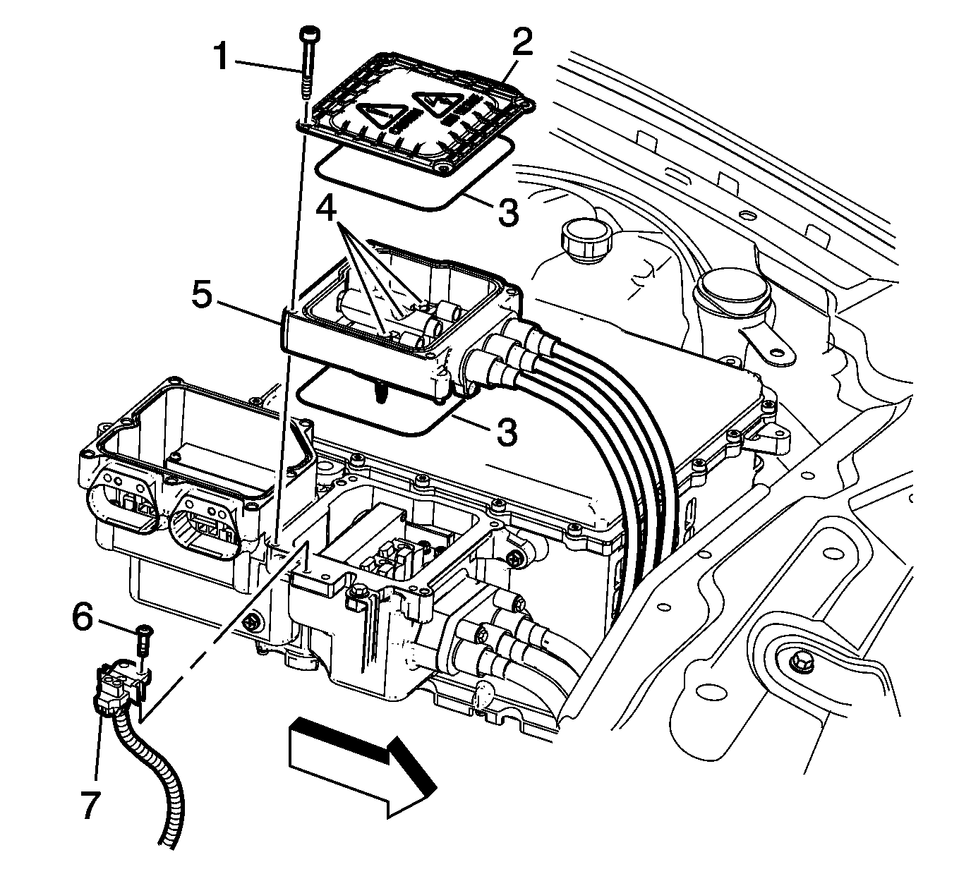
Caution: Refer to Fastener Caution in the Preface section.
| 29.1. | Push the lever up. |
| Note: Install the connector (3) without disturbing the position of the lever. DO NOT use the lever to install the connector in place. |
| 29.2. | Install the connector (3) onto the terminals by pushing on the connector only. |
| 29.3. | Rotate the lever after the terminals are engaged. |
| 29.4. | Push the green tab to lock the lever. |