GM Service Manual Online
For 1990-2009 cars only
Makes
🢒
Saturn
🢒
2009
🢒
VUE - AWD
🢒
Power and Signal Distribution
🢒
Data Communications
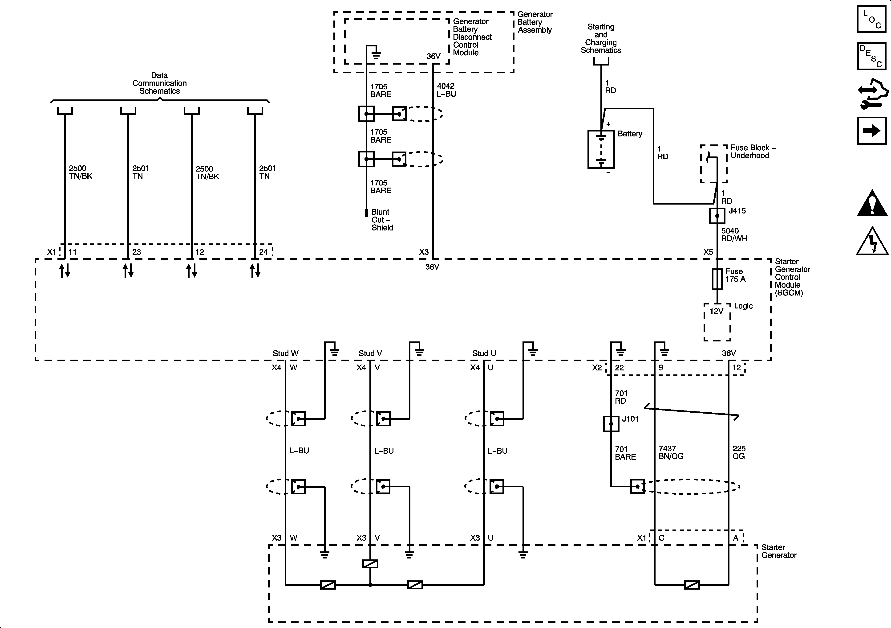
🢒 Hybrid Controls Schematics
Figure
1:
A/C Field Voltage
Figure
2:
Motor Controls