GM Service Manual Online
For 1990-2009 cars only
Makes
🢒
Saturn
🢒
2009
🢒
VUE - AWD
🢒
Power and Signal Distribution
🢒
Data Communications
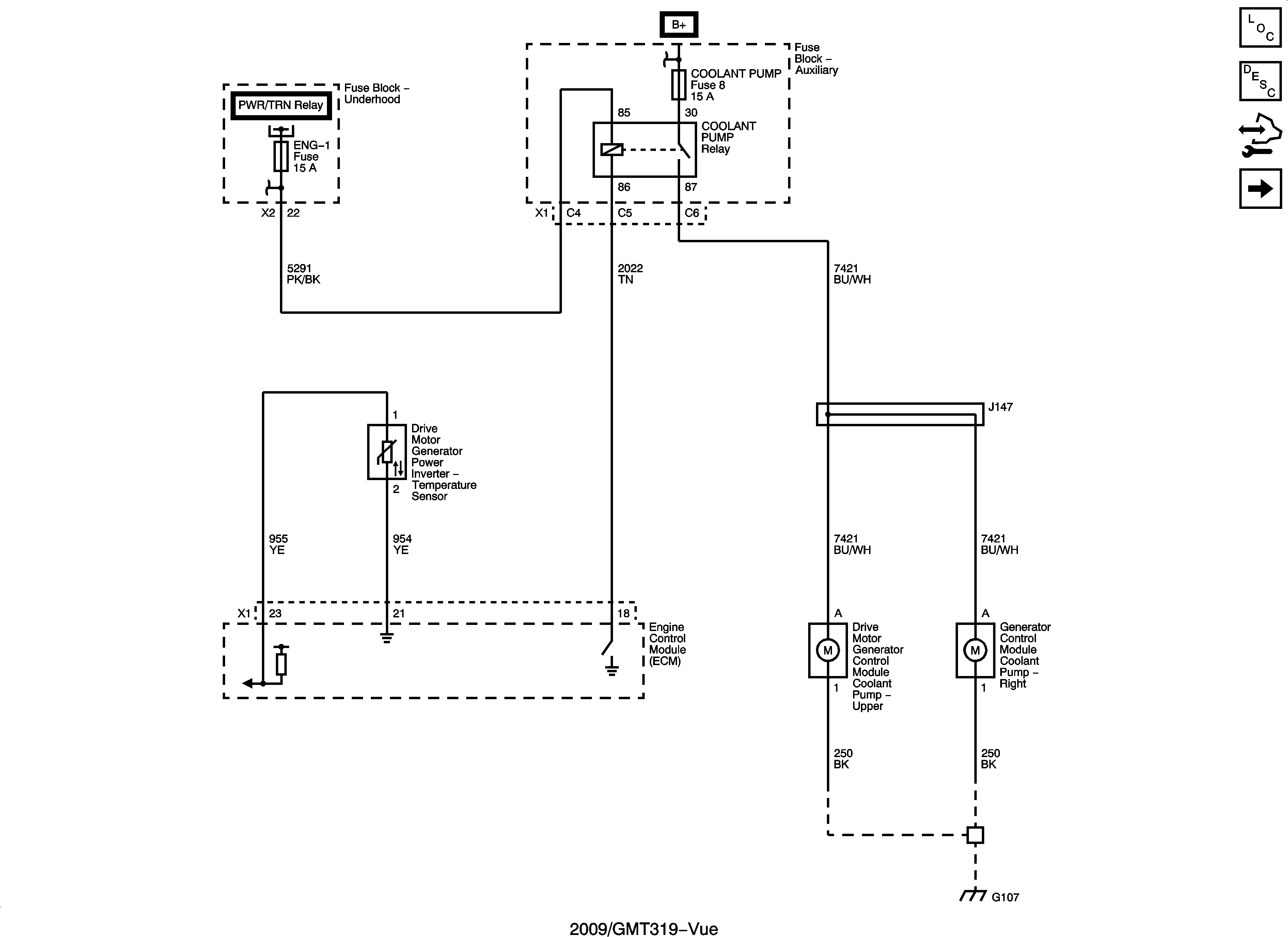
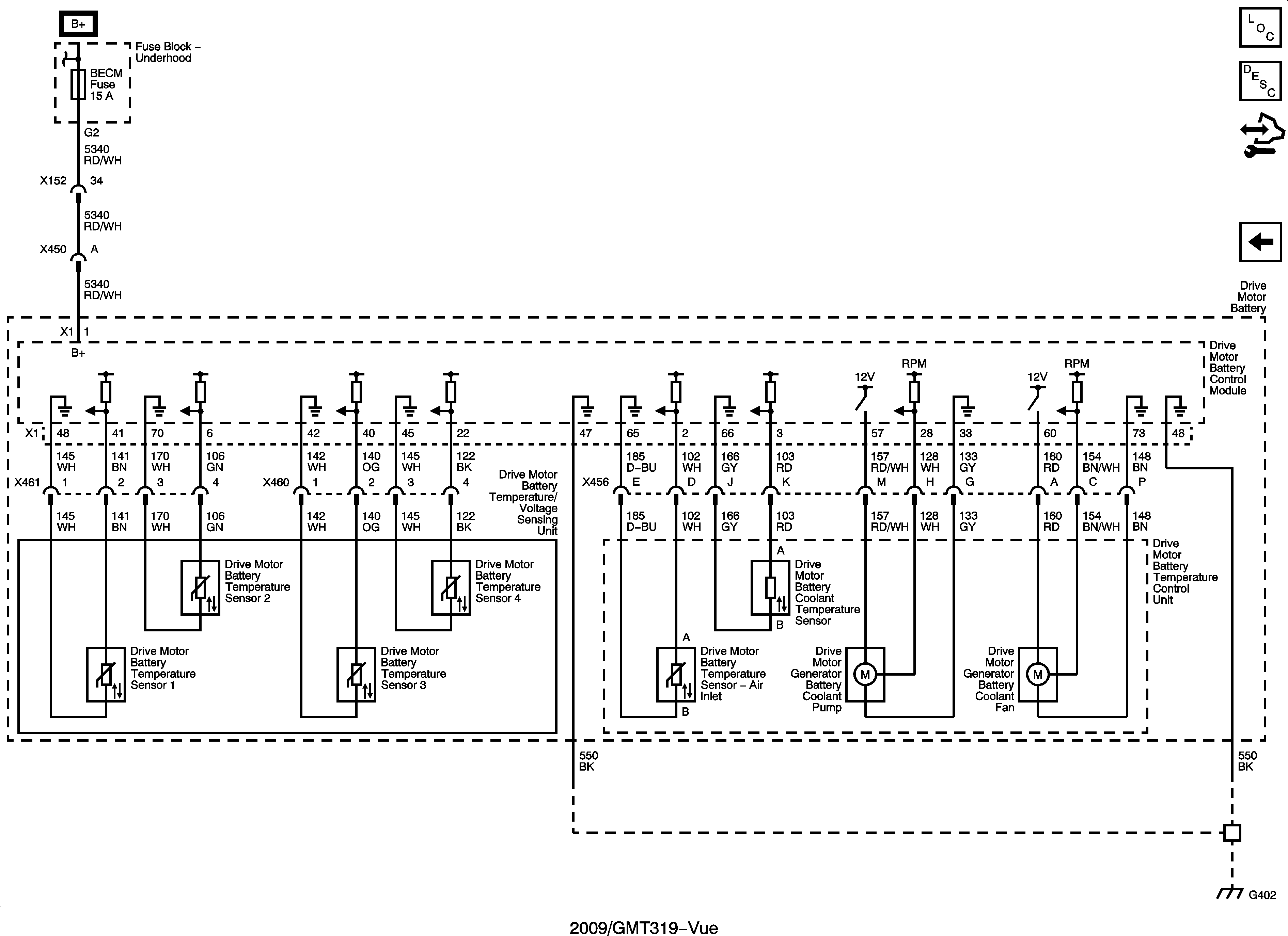
🢒 Hybrid Cooling Schematics
Figure
1:
Drive Motor Generator Control Module Cooling Pumps
Figure
2:
Drive Motor Battery Cooling Controls