GM Service Manual Online
For 1990-2009 cars only
Makes
🢒
Saturn
🢒
2009
🢒
VUE - AWD
🢒
Power and Signal Distribution
🢒
Data Communications
🢒 HVAC Schematics
Figure
1:
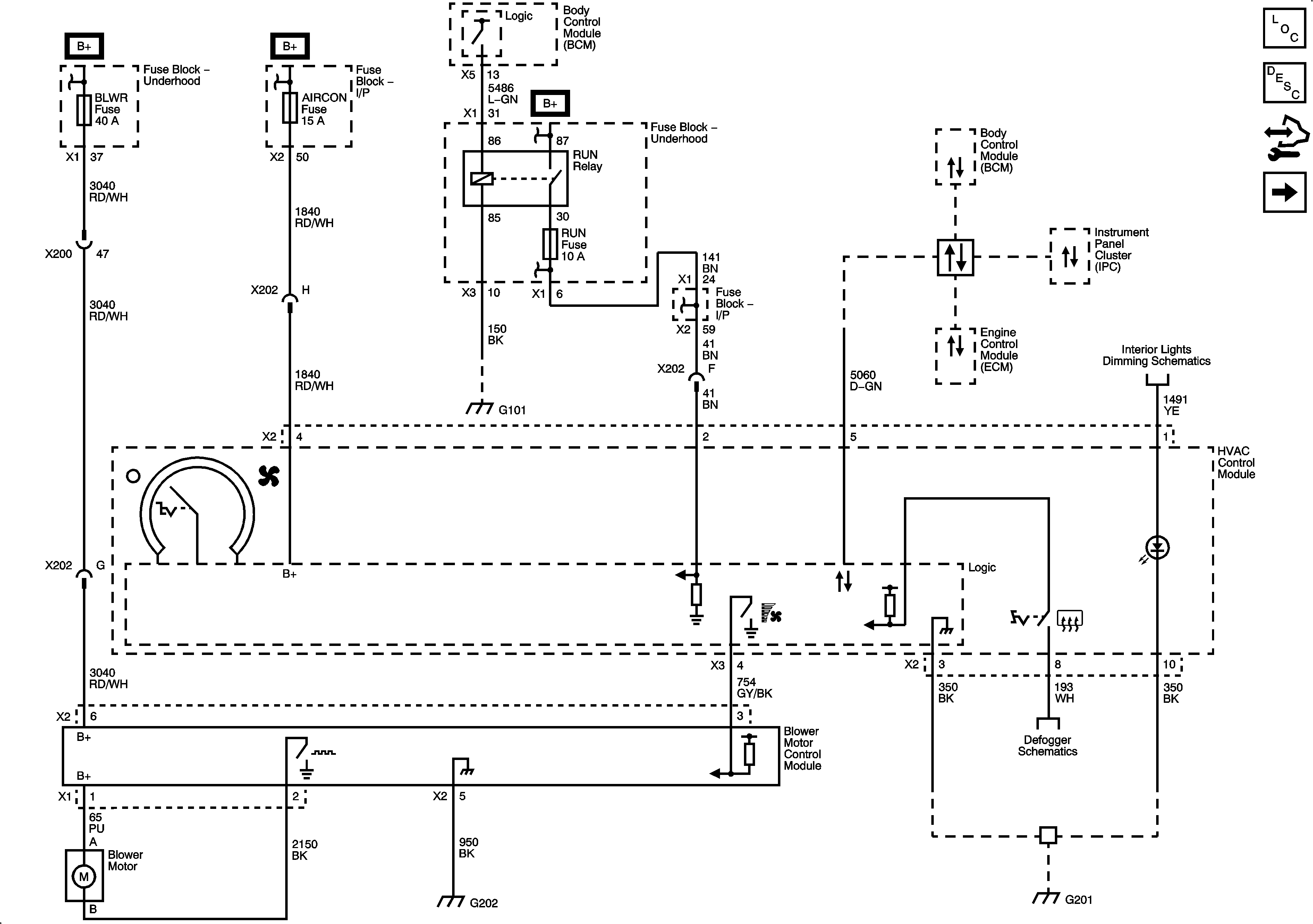
Module Power and Grounds
Figure
2:
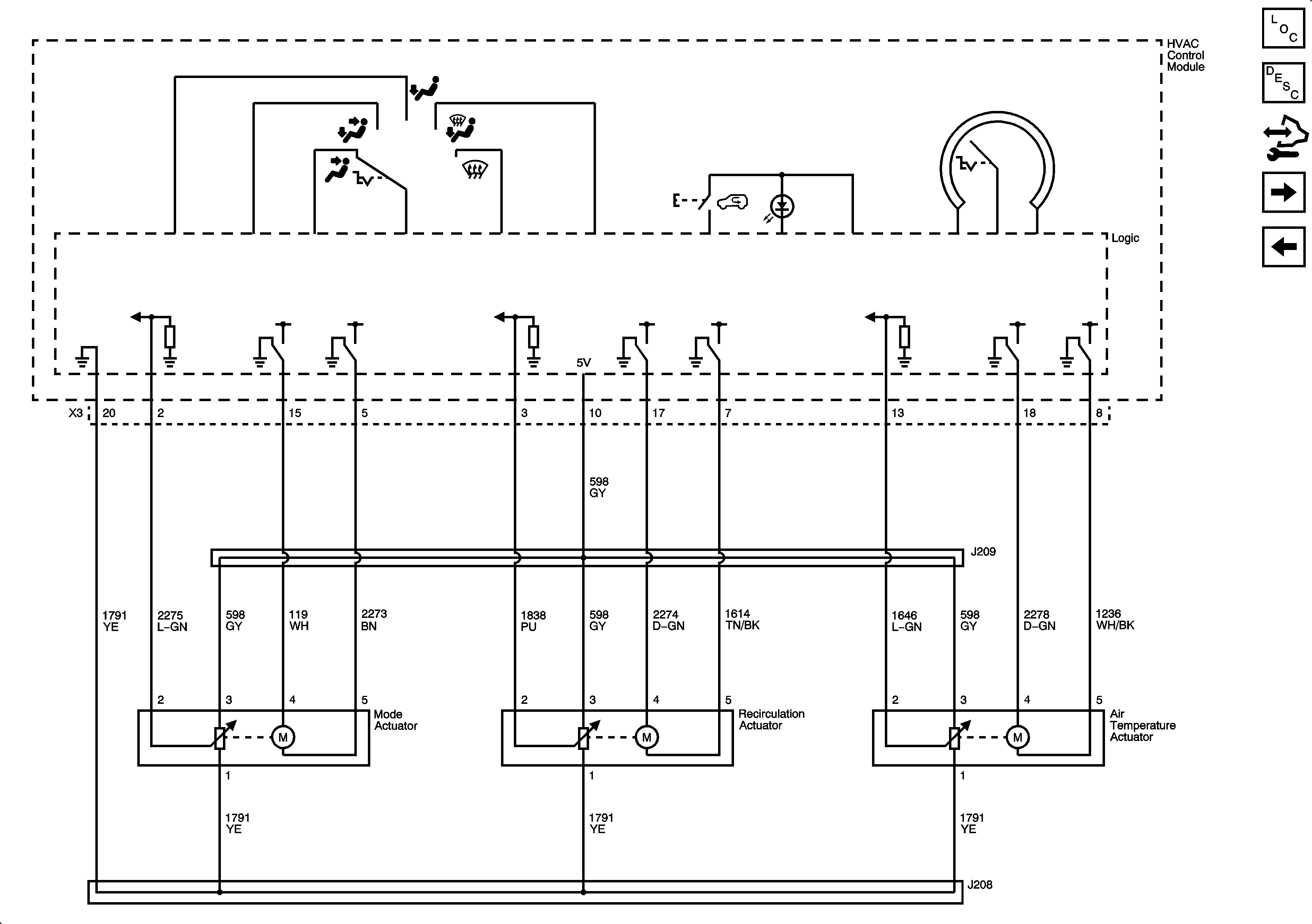
Mode Controls
Figure
3:
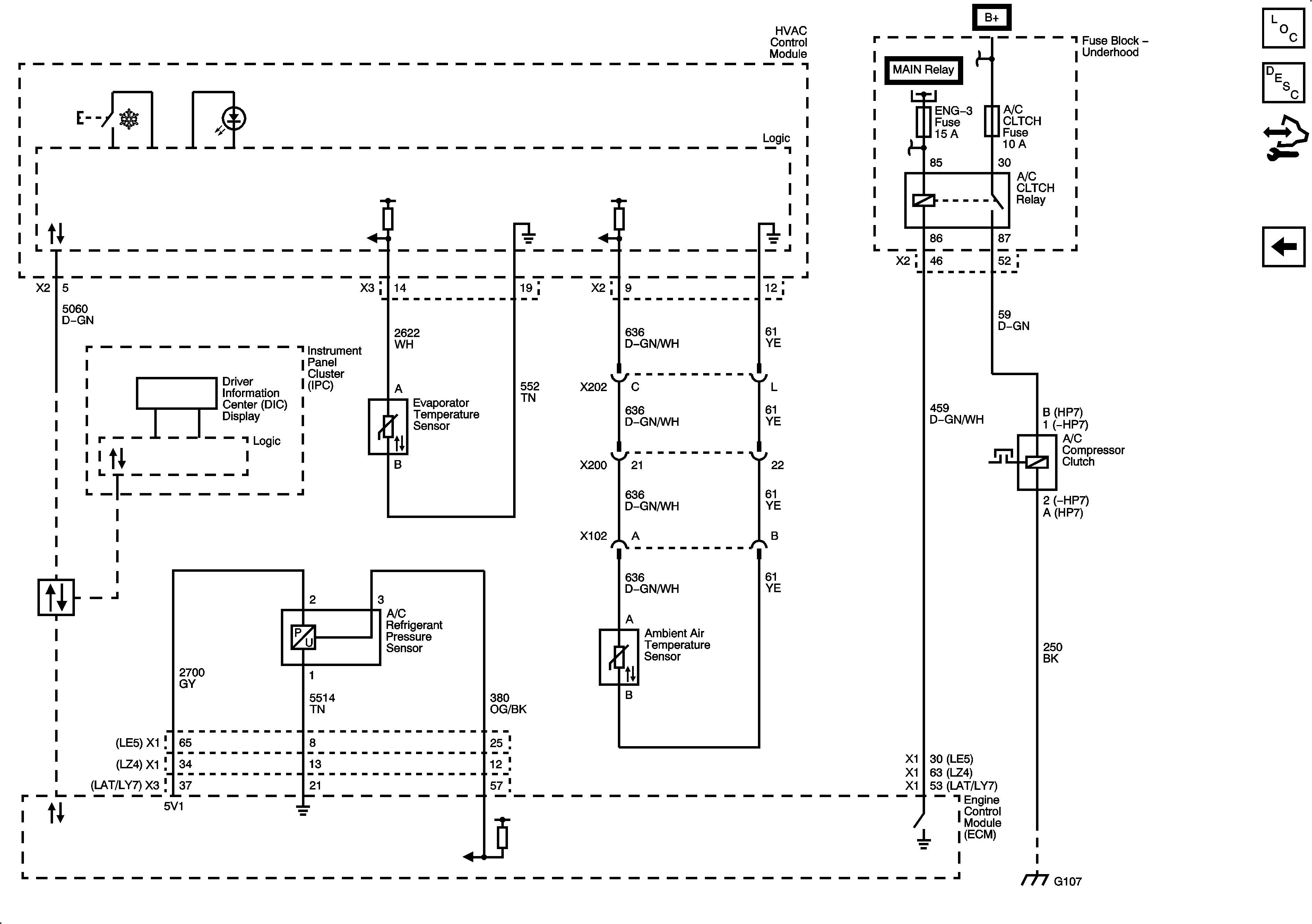
Compressor Controls