GM Service Manual Online
For 1990-2009 cars only
Makes
🢒
Saturn
🢒
2009
🢒
VUE - AWD
🢒
Power and Signal Distribution
🢒
Data Communications
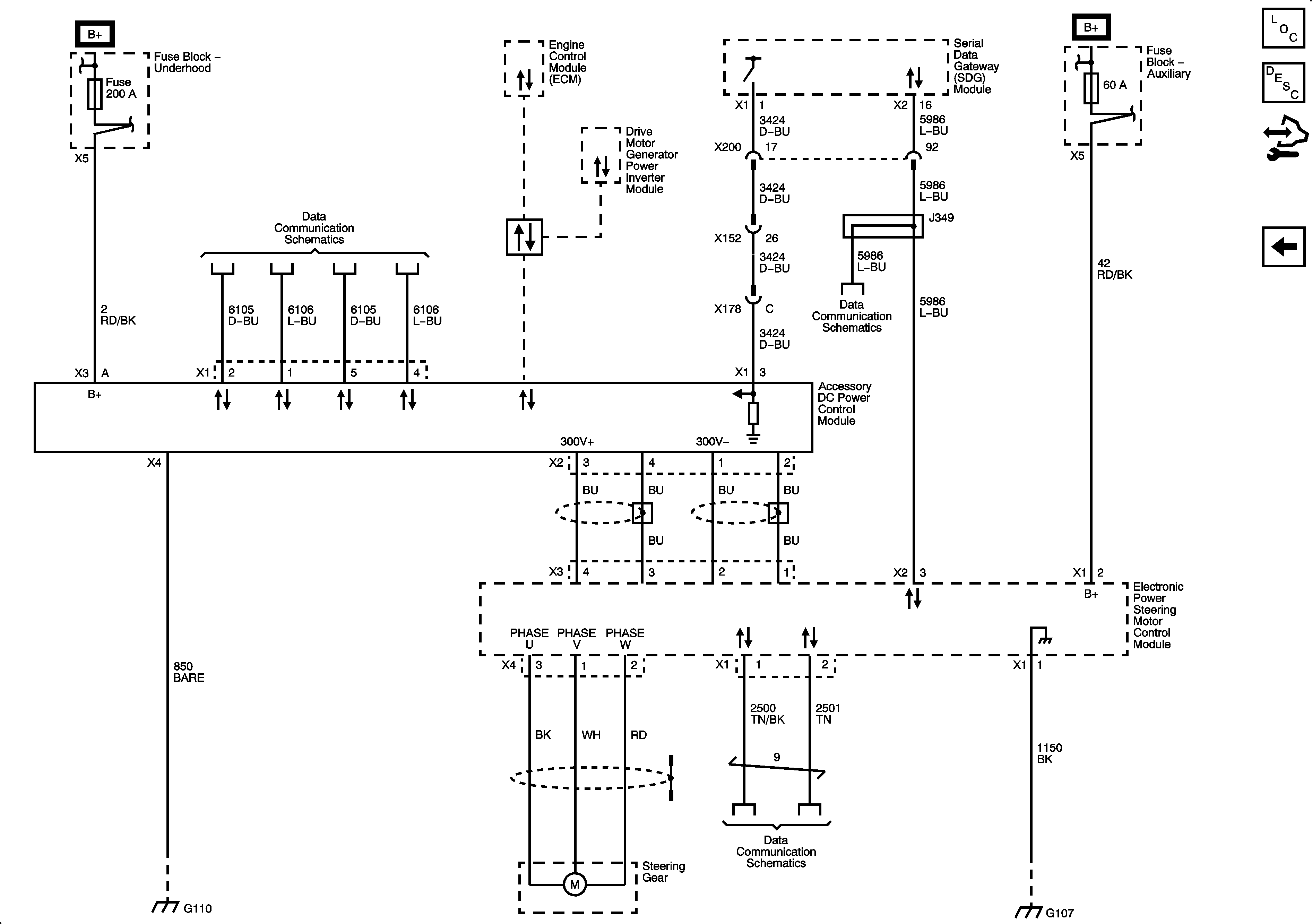
🢒 Power Steering Schematics
Figure
1:
Figure
2:
Power Steering (HP5)