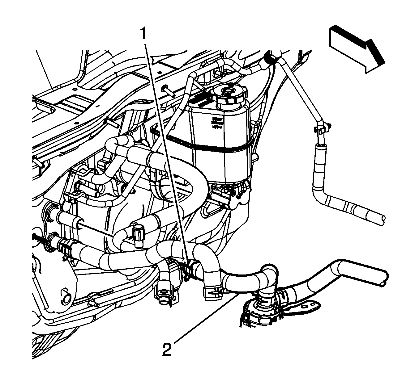
Heater Outlet Hose Replacement LY7
Heater Outlet Hose Replacement LAT
Callout
| Component Name
|
Preliminary ProceduresPartially drain the cooling system. Refer to
Cooling System Draining and Filling.
|
1
| Heater outlet hose clamps (Qty 2).
|
2
| Heater outlet hose.
|
Heater Outlet Hose Replacement LE5
Callout
| Component Name
|
Preliminary ProceduresPartially drain the cooling system. Refer to
Cooling System Draining and Filling.
|
1
| Heater outlet hose clamps (Qty 2).
|
2
| Heater outlet hose.
|
Heater Outlet Hose Replacement LZ4
Callout
| Component Name
|
Preliminary ProceduresPartially drain the cooling system. Refer to
Cooling System Draining and Filling.
|
1
| Heater Outlet Hose Clamp (Qty: 3)
|
2
| Heater Outlet Hose
|
Heater Outlet Hose Replacement HP5 Pump to Engine
Special Tools
J 38185 Hose Clamp Pliers
Removal Procedure
- Drain the coolant. Refer to
Cooling System Draining and Filling
- Remove the drive motor generator control module assembly. Refer to
Drive Motor Generator Control Module Assembly Replacement
- Using
J 38185 Hose Clamp Pliers
disengage the tension on the hose clamp (1) and remove the heater outlet hose (2) from the thermostat housing.
- Using
J 38185 Hose Clamp Pliers
disengage the tension on the hose clamp (1) and remove the heater outlet hose (2) from the heater coolant pump.
- Remove the heater outlet hose - pump to engine from the vehicle.
Installation Procedure
- Install the heater outlet hose - pump to engine to the vehicle.
- Using
J 38185 Hose Clamp Pliers
disengage the tension on the hose clamp (1) and install the heater outlet hose (2) to the heater coolant pump.
- Using
J 38185 Hose Clamp Pliers
disengage the tension on the hose clamp (1) and install the heater outlet hose (2) to the thermostat housing.
- Install the drive motor generator control module assembly. Refer to
Drive Motor Generator Control Module Assembly Replacement
- Fill the coolant. Refer to
Cooling System Draining and Filling
Heater Outlet Hose Replacement HP5 Pump to Heater Core
Special Tools
J 38185 Hose Clamp Pliers
Removal Procedure
- Drain the coolant. Refer to
Cooling System Draining and Filling
- Remove the drive motor generator control module assembly. Refer to
Drive Motor Generator Control Module Assembly Replacement
- Using
J 38185 Hose Clamp Pliers
disengage the tension on the hose clamp (1) and remove the heater outlet hose (2) from the heater coolant pump.
- Using
J 38185 Hose Clamp Pliers
disengage the tension on the hose clamp (1) and remove the heater outlet hose (2) from the heater core.
- Remove the heater outlet hose - pump to heater core from the vehicle.
Installation Procedure
- Install the heater outlet hose - pump to heater core to the vehicle.
- Using
J 38185 Hose Clamp Pliers
disengage the tension on the hose clamp (1) and install the heater outlet hose (2) to the heater core.
- Using
J 38185 Hose Clamp Pliers
disengage the tension on the hose clamp (1) and install the heater outlet hose (2) to the heater coolant pump.
- Install the drive motor generator control module assembly. Refer to
Drive Motor Generator Control Module Assembly Replacement
- Fill the coolant. Refer to
Cooling System Draining and Filling