GM Service Manual Online
For 1990-2009 cars only
Makes
🢒
Saturn
🢒
2009
🢒
VUE - AWD
🢒
Safety and Security
🢒
Seat Belts
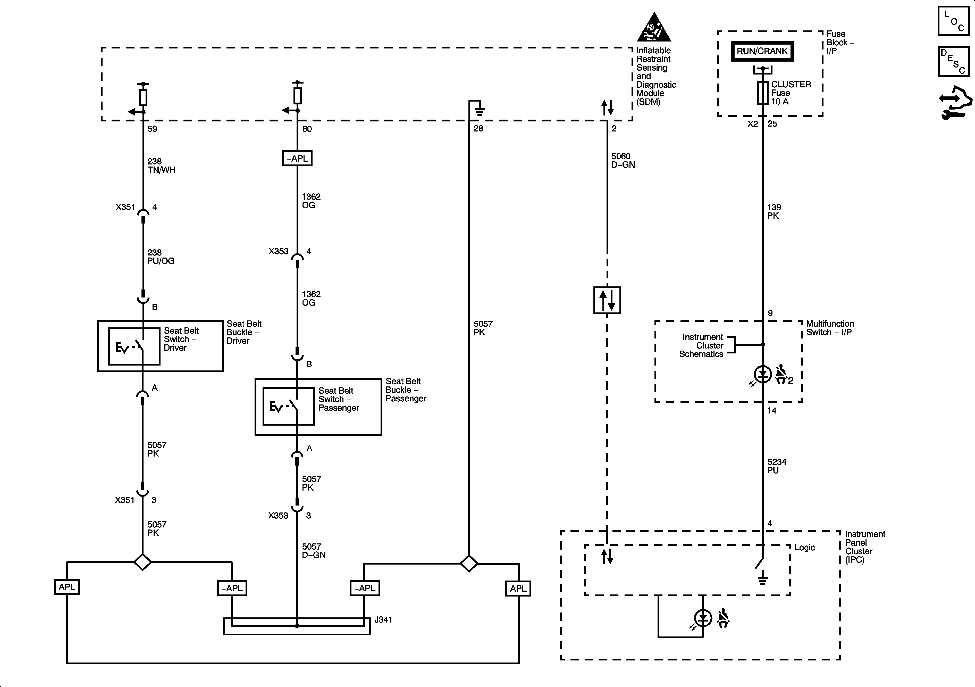
🢒 Seat Belt Schematics