GM Service Manual Online
For 1990-2009 cars only
Figure 1:

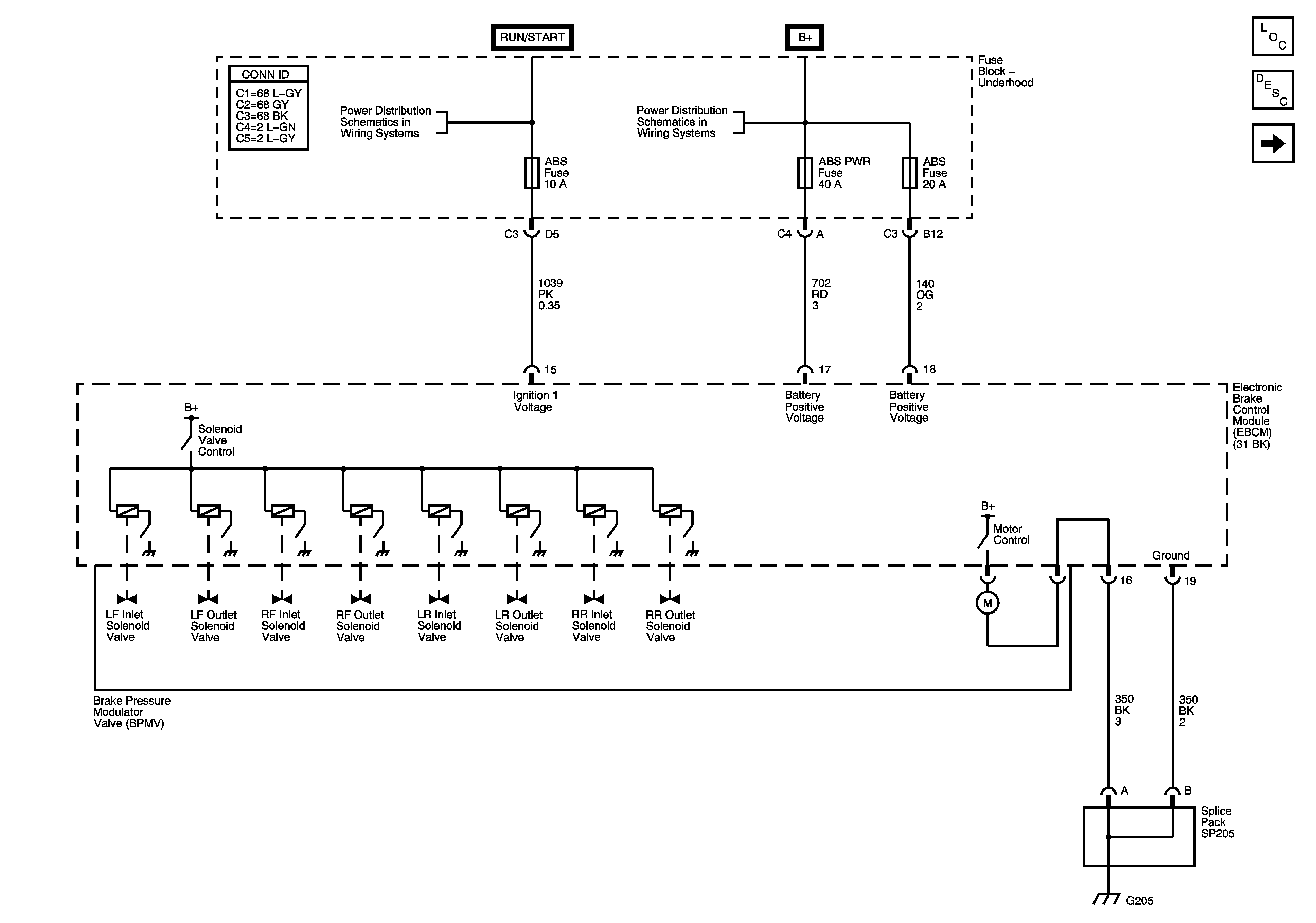
EBCM Power and Ground


Object Number: 1181395  Size: FS
Master Electrical Component List
ABS Description and Operation
Indicators and the Traction Control Switch
Ignition Switch
Battery Power to the Fuse Block, Starter, and Generator
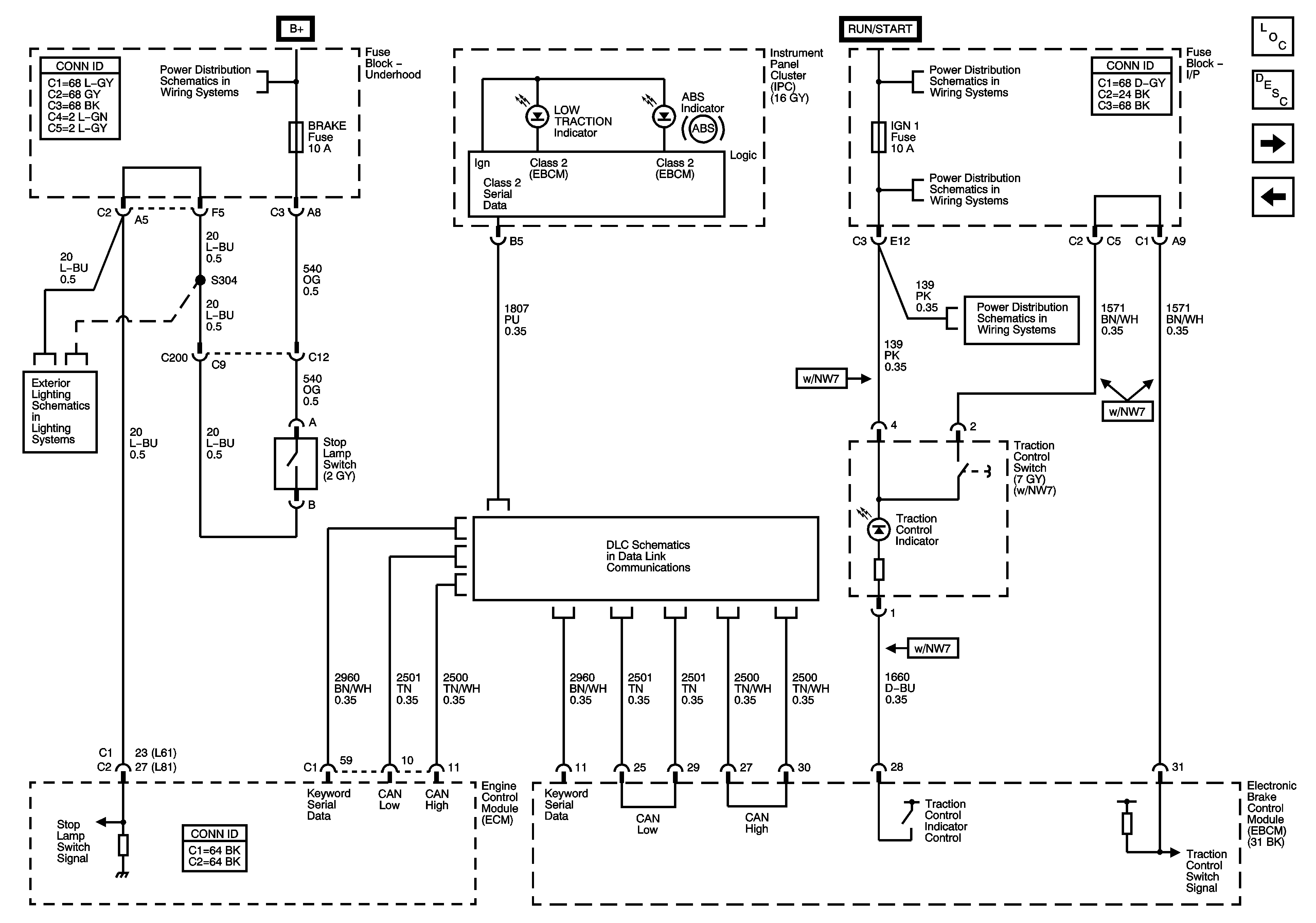
Figure 2:

Indicators and the Traction Control Switch


Object Number: 1181396  Size: FS
Master Electrical Component List
ABS Description and Operation
Wheel Speed Sensors
EBCM Power and Ground
Battery Power to the Fuse Block, Starter, and Generator
Ignition Switch
IGN 1, BCM(IGN1), AIR BAG, AND EPS Fuses
Stop Lamps
IGN 1, BCM(IGN1), AIR BAG, AND EPS Fuses
DLC Schematic
Figure 3:

Wheel Speed Sensors


Object Number: 1181397  Size: FS
Master Electrical Component List
ABS Description and Operation
Indicators and the Traction Control Switch
Antilock Brake System Schematic Icons
Antilock Brake System Schematic Icons
Antilock Brake System Schematic Icons
Antilock Brake System Schematic Icons