GM Service Manual Online
For 1990-2009 cars only
Makes
🢒
Saturn
🢒
2002
🢒
VUE - FWD
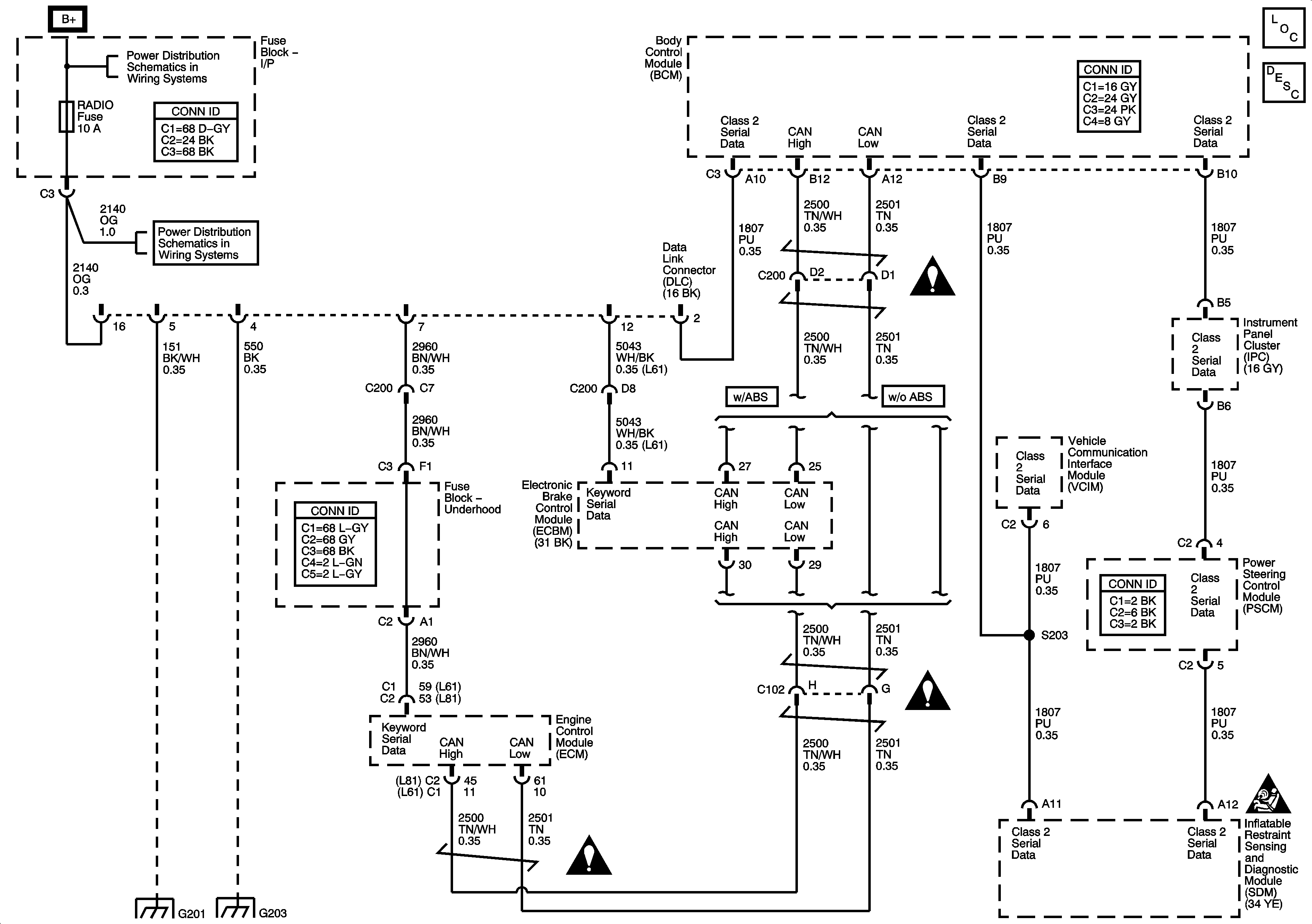
🢒 DLC SChematic
DLC SChematic
Master Electrical Component List
Data Link Communications Description and Operation
LH HDLP,RH HDLP,HTD SEATS,BRAKE,PREM AUD, and BATT FEED Fuses
RADIO, BCM/CLUSTER, INT LIGHTS, PARK, HAZARD, and LOCK MIRROR Fuses
G201
G203 and G205
Data Link Communications Schematic Icons
Data Link Communications Schematic Icons
Data Link Communications Schematic Icons
SIR Caution for Zoning