GM Service Manual Online
For 1990-2009 cars only
Makes
🢒
Saturn
🢒
2002
🢒
VUE - FWD
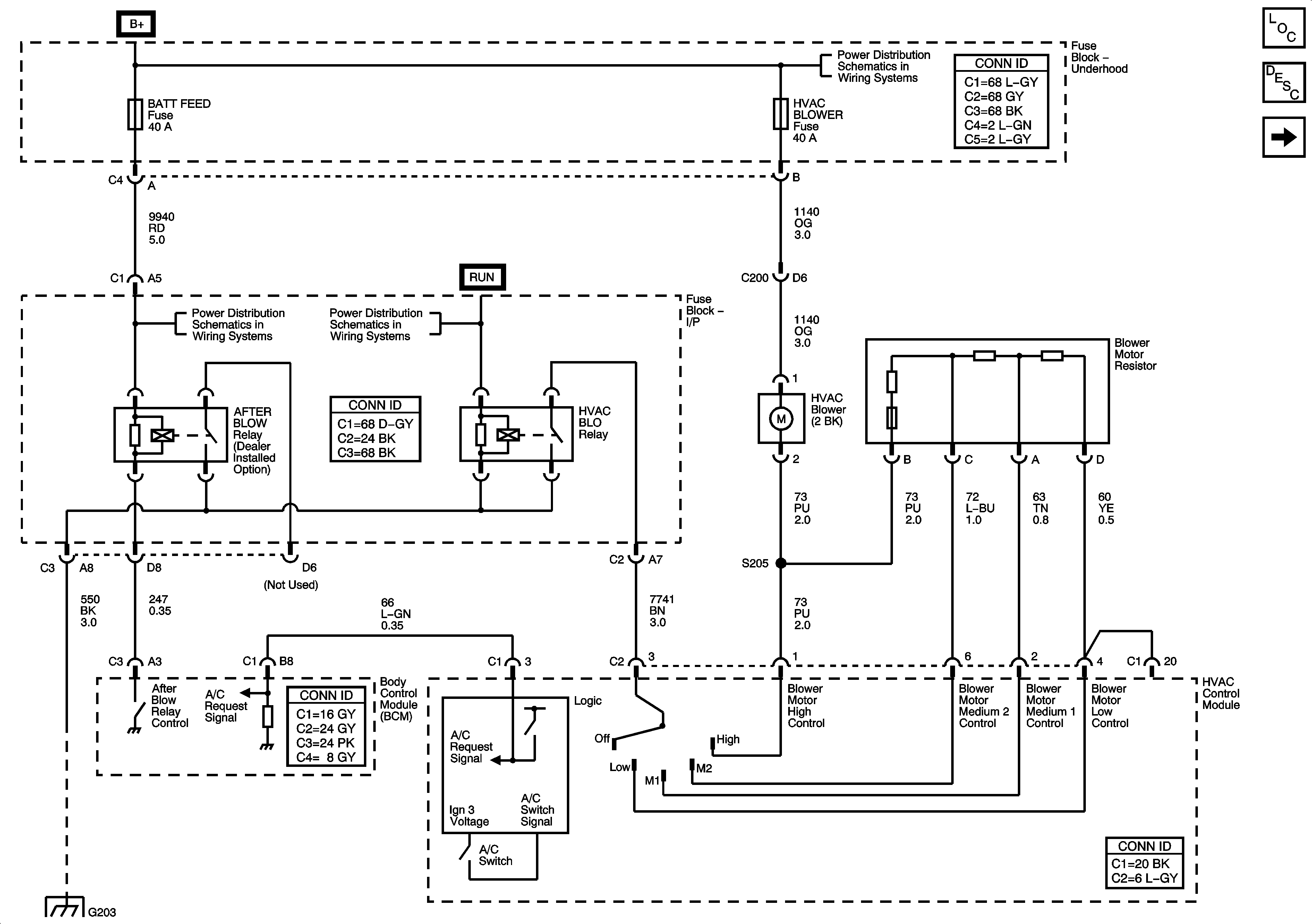
🢒 Blower Controls
Blower Controls
Blower Controls
Master Electrical Component List
Air Temperature Description and Operation
A/C Clutch and Pressure Sensor
Battery Power to the Fuse Block, Starter, and Generator
LH HDLP,RH HDLP,HTD SEATS,BRAKE,PREM AUD, and BATT FEED Fuses
Ignition Switch
G203 and G205