GM Service Manual Online
For 1990-2009 cars only
Makes
🢒
Saturn
🢒
2002
🢒
VUE - FWD
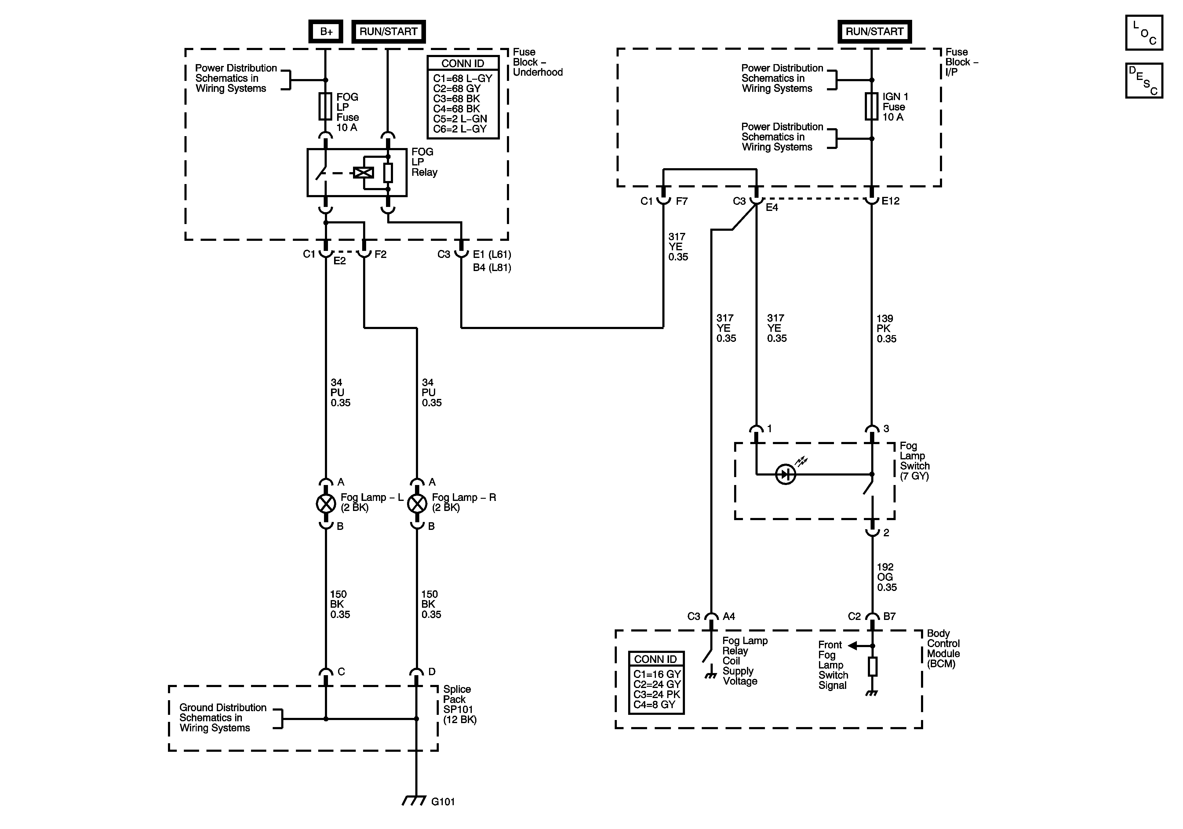
🢒 Fog Lights Schematic
Fog Lights Schematic
Master Electrical Component List
Exterior Lighting Systems Description and Operation
G101
Battery Power to the Fuse Block, Starter, and Generator
Ignition Switch
IGN 1, BCM(IGN1), AIR BAG, AND EPS Fuses