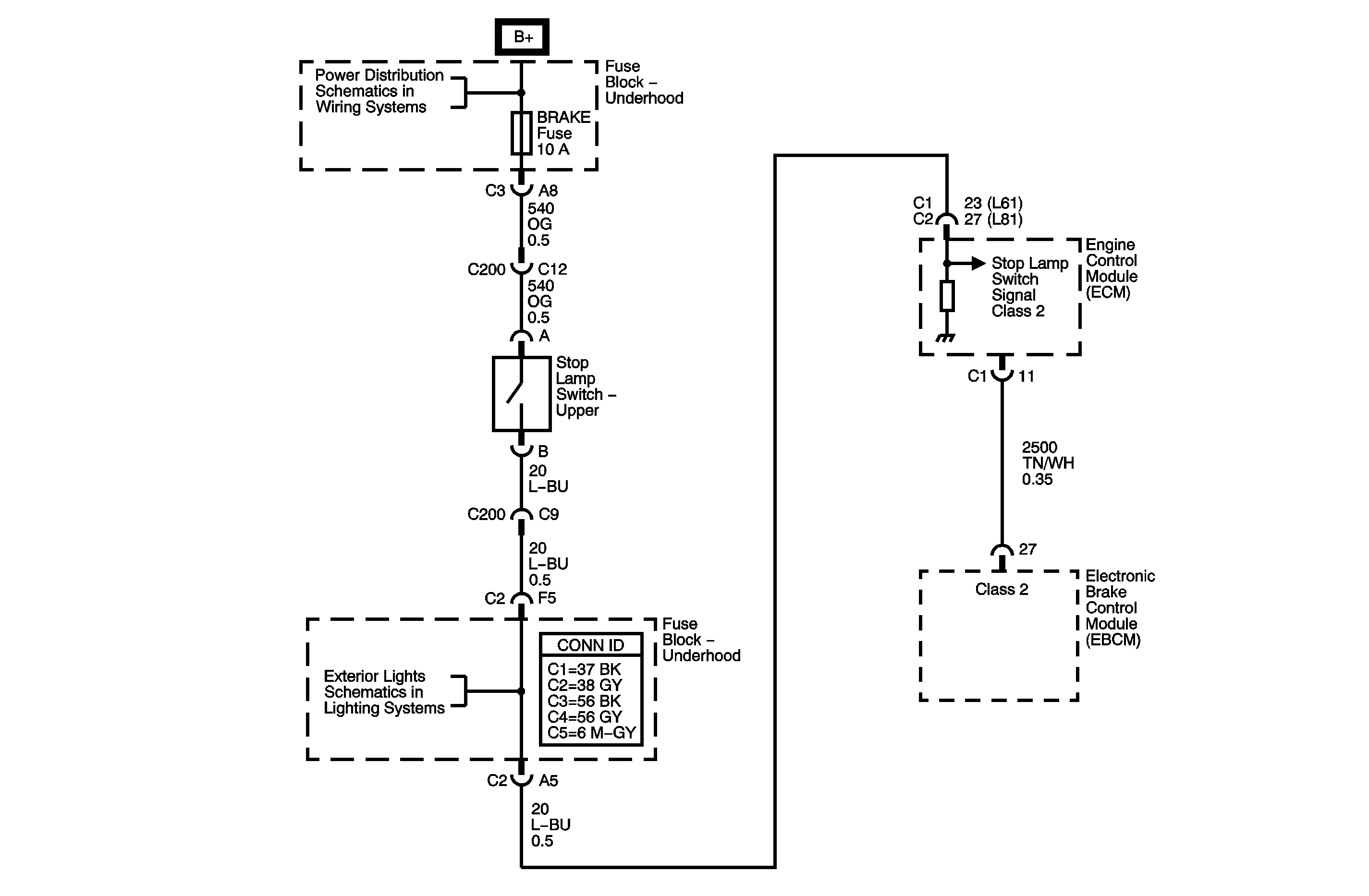
The normally-open stop lamp switch supplies battery voltage to the engine control module (ECM) when the brake pedal is pressed. The ECM sends a brake pedal applied serial data message to the electronic brake and traction control module (EBTCM) and to the transmission control module (TCM).
The ignition switch is ON.
| • | The EBCM detects an open in the brake signal circuit. |
| • | Both brake lamps are faulty. |
If equipped, the following actions occur:
| • | A malfunction DTC will set. |
| • | The EBCM stores this information-only DTC for as long as the condition is present. |
| • | The ABS remains functional. |
| • | The ABS indicator remains OFF. |
| • | The condition for the DTC is no longer present. |
| • | Using a scan tool, clear the DTC function. |
| • | The EBCM automatically clears the history DTC when a current DTC is not detected in 100 consecutive drive cycles. |
| • | It is very important that a thorough inspection of the wiring and connectors be performed. Failure to carefully and fully inspect wiring and connectors may result in misdiagnosis, causing part replacement with reappearance of the malfunction. |
| • | Thoroughly inspect any circuitry that may be causing the complaint for the following conditions: |
| - | Backed out terminals |
| - | Improper mating |
| - | Broken locks |
| - | Improperly formed or damaged terminals |
| - | Poor terminal-to-wiring connections |
| - | Physical damage to the wiring harness |
| • | Possible causes of this DTC are the following conditions: |
| - | A signal circuit of the stop lamp switch is open. |
| - | The stop lamp switch is not adjusted properly. |
| - | Verify proper stop lamp switch operation using the data list of the scan tool. As the brake is applied, the data list displays the stop lamp switch ON within 2.54 cm (1 in) of travel. |
| - | All brake lamps are open. |
| - | All brake lamp grounds are open. |
| - | A circuit has a wiring problem, terminal corrosion, or poor connection. |
| - | A loose or corroded EBCM ground exists. |
| • | If an intermittent malfunction exists refer to Testing for Intermittent Conditions and Poor Connections in Wiring Systems. |
The numbers below refer to the step numbers on the diagnostic table.
This DTC detects an open stop lamp switch signal circuit from the stop lamp side of the splice pack to the EBCM.
The EBCM sources 5 volts on the stop lamp switch signal circuit. This small voltage has a ground path through the stop lamp bulbs. This DTC sets if the path to ground is open.
Step | Action | Yes | No |
|---|---|---|---|
Connector End View Reference: Antilock Brake System Connector End Views or Lighting Systems Connector End Views in Lighting Systems | |||
1 | Did you perform the antilock brake system (ABS) Diagnostic System Check? | Go to Step 2 | |
2 |
Does the Brake Switch Status parameter display Applied? | Go to Step 4 | Go to Step 3 |
Test the signal circuit of the stop lamp switch for an open. Refer to Circuit Testing and Wiring Repairs in Wiring Systems. Did you find and correct the condition? | Go to Step 9 | Go to Step 7 | |
Press the brake pedal. Are all of the stop lamps OFF? | Go to Step 5 | Go to Diagnostic Aids | |
5 | Test the feed circuit of the stop lamps for an open or high resistance. Refer to Circuit Testing and Wiring Repairs in Wiring Systems. Did you find and correct the condition? | Go to Step 9 | Go to Step 6 |
6 | Test the ground circuit of the stop lamps for an open or high resistance. Refer to Circuit Testing and Wiring Repairs in Wiring Systems. Did you find and correct the condition? | Go to Step 9 | Go to Diagnostic Aids |
7 | Inspect for poor connections at the harness connector of the electronic brake control module (EBCM). Refer to Testing for Intermittent Conditions and Poor Connections and Connector Repairs in Wiring Systems. Did you find and correct the condition? | Go to Step 9 | Go to Step 8 |
8 | Replace the EBCM. Refer to Electronic Brake Control Module Replacement . Did you complete the replacement? | Go to Step 9 | -- |
9 |
Does the DTC reset? | Go to Step 2 | System OK |