GM Service Manual Online
For 1990-2009 cars only
Makes
🢒
Saturn
🢒
2003
🢒
VUE - FWD
🢒
Body and Accessories
🢒
Roof
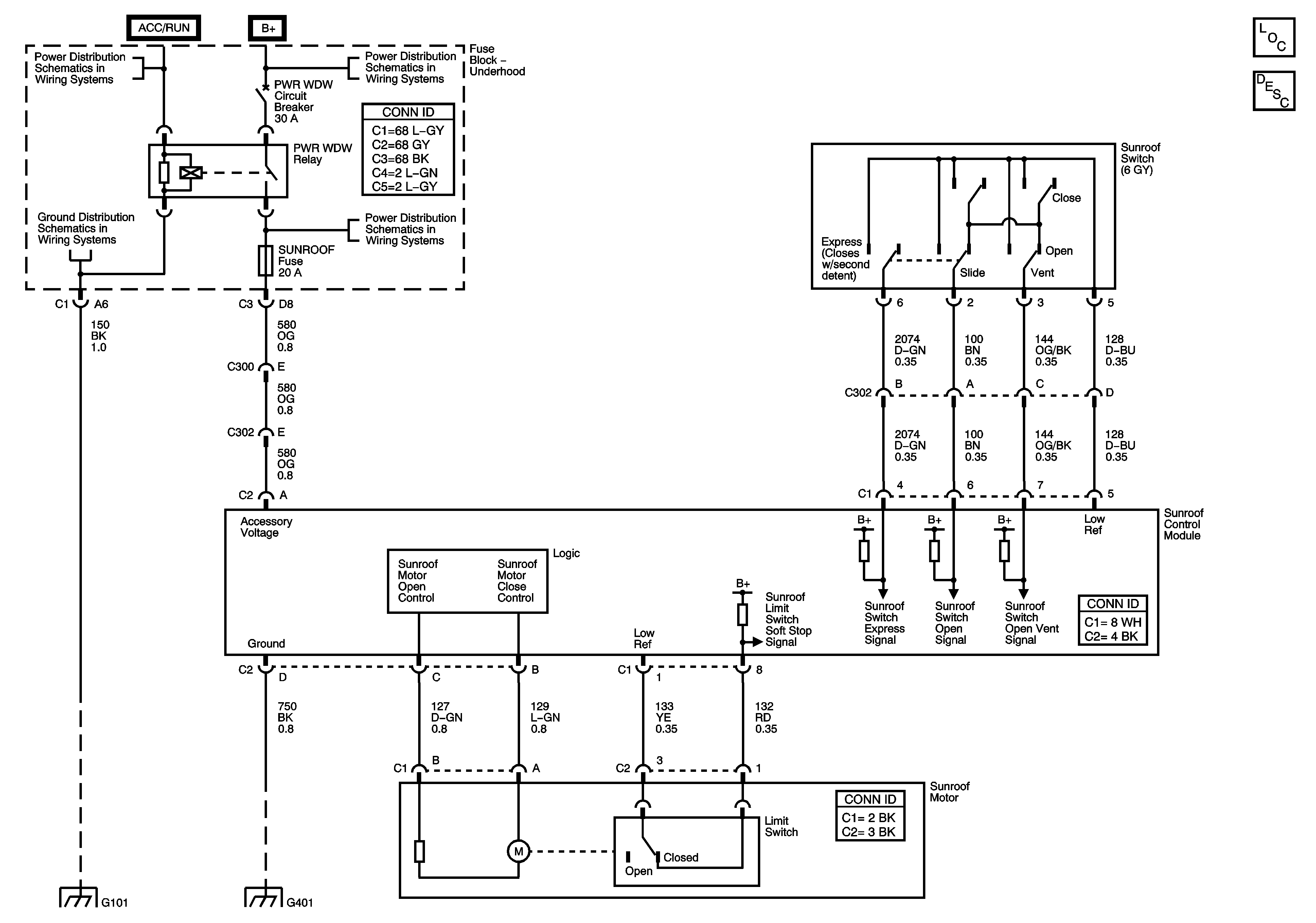
🢒 Sunroof Schematics
Master Electrical Component List
Sunroof Description and Operation
Ignition Switch
G101
Battery Power to the Fuse Block, Starter, and Generator
PWR WDW,SUNROOF,ABS,ABS PWR,HVAC BLOWER,AUX1 OUTLET,CIGAR/AUX2,ECM/TCM Fuses and the PWR WDW Relay
G101
G401 and G403