GM Service Manual Online
For 1990-2009 cars only
Makes
🢒
Saturn
🢒
2003
🢒
VUE - FWD
🢒
Body and Accessories
🢒
Seats
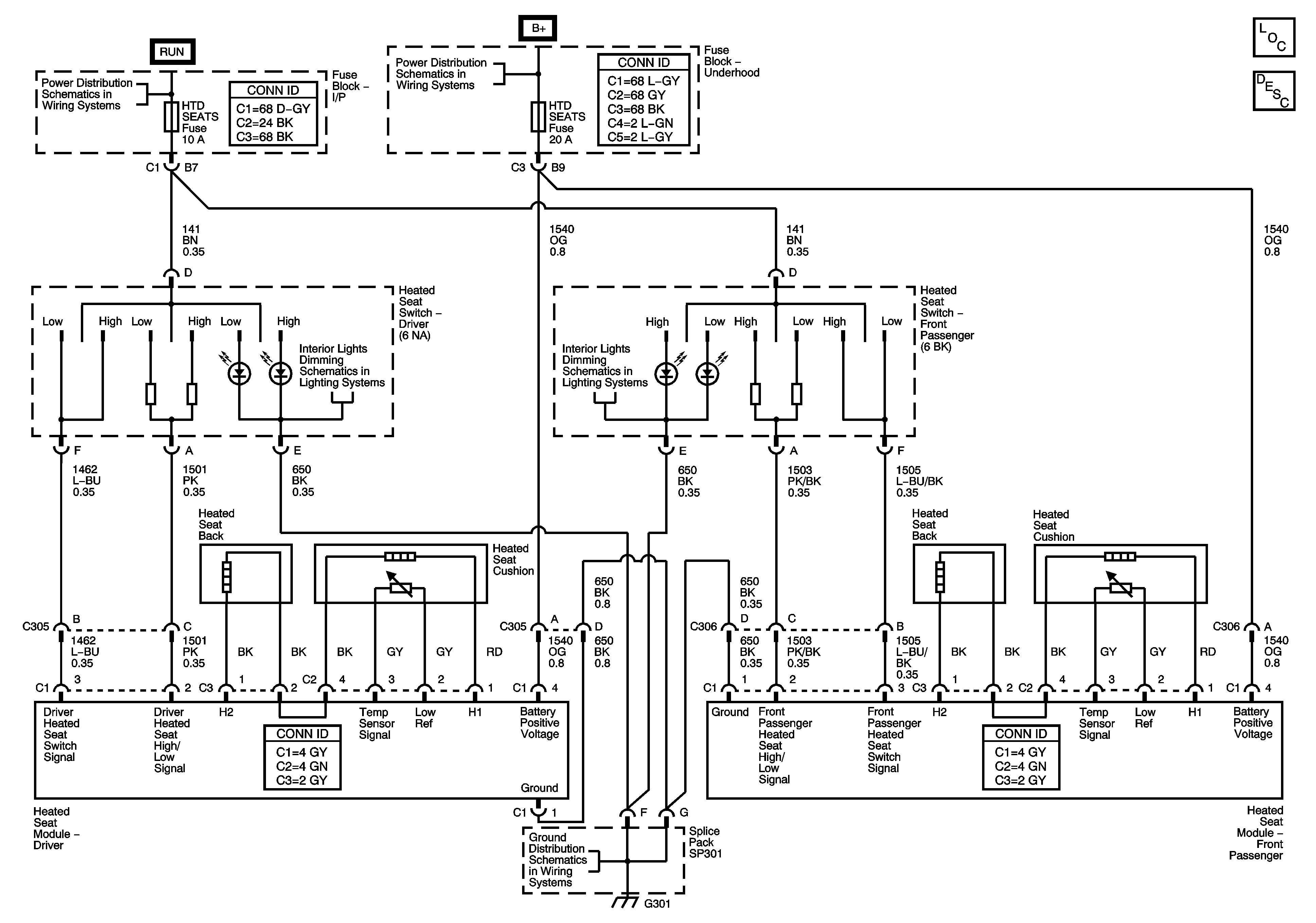
🢒 Heated Seats Schematics
Master Electrical Component List
Heated Seats Description and Operation
Ignition Switch
Battery Power to the Fuse Block, Starter, and Generator
Interior Lights Dimming Schematic
Interior Lights Dimming Schematic
G301 - 2 of 2