GM Service Manual Online
For 1990-2009 cars only
Makes
🢒
Saturn
🢒
2003
🢒
VUE - FWD
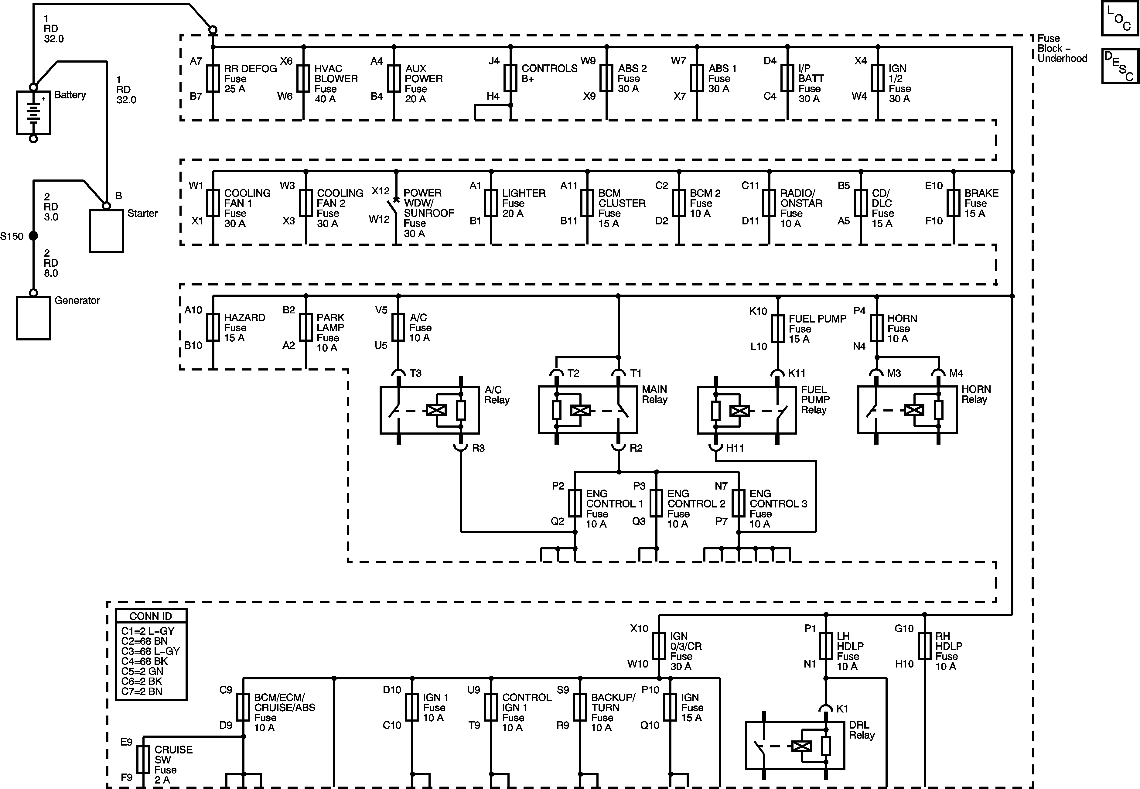
🢒 Fuse Block-Underhood Bus
Fuse Block-Underhood Bus
Fuse Block-Underhood Bus