GM Service Manual Online
For 1990-2009 cars only
Makes
🢒
Saturn
🢒
2003
🢒
VUE - FWD
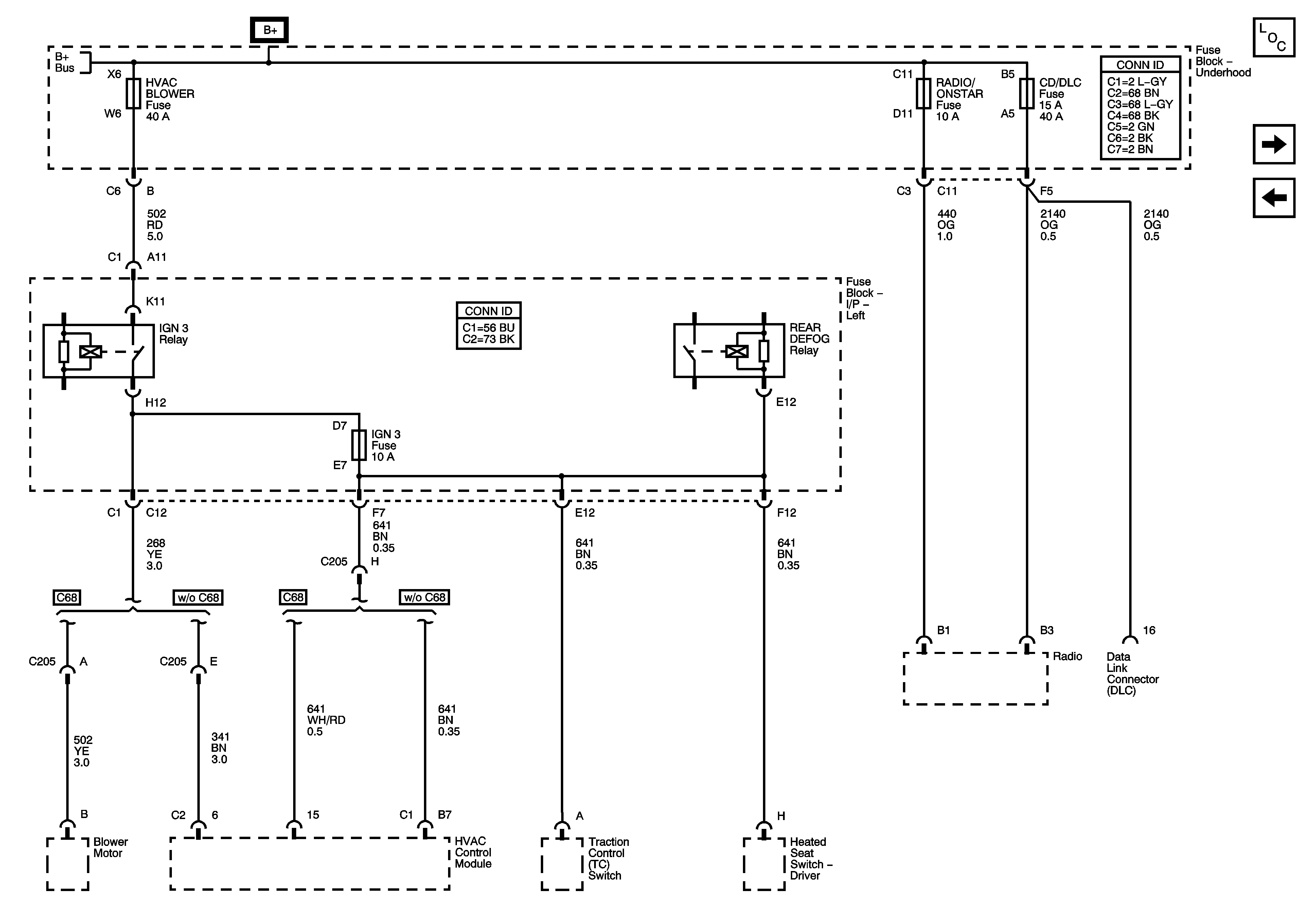
🢒 Fuse Block-Underhood : HVAC Blower,Radio/Onstar and CD/DLC - Fuse Block-Left I/P : IGN3
Fuse Block-Underhood : HVAC Blower,Radio/Onstar and CD/DLC - Fuse Block-Left I/P : IGN3
Fuse Block-Underhood : HVAC Blower, Radio/Onstar and CD/DLC; Fuse Block-Left I/P : IGN3