GM Service Manual Online
For 1990-2009 cars only
Makes
🢒
Saturn
🢒
2003
🢒
VUE - FWD
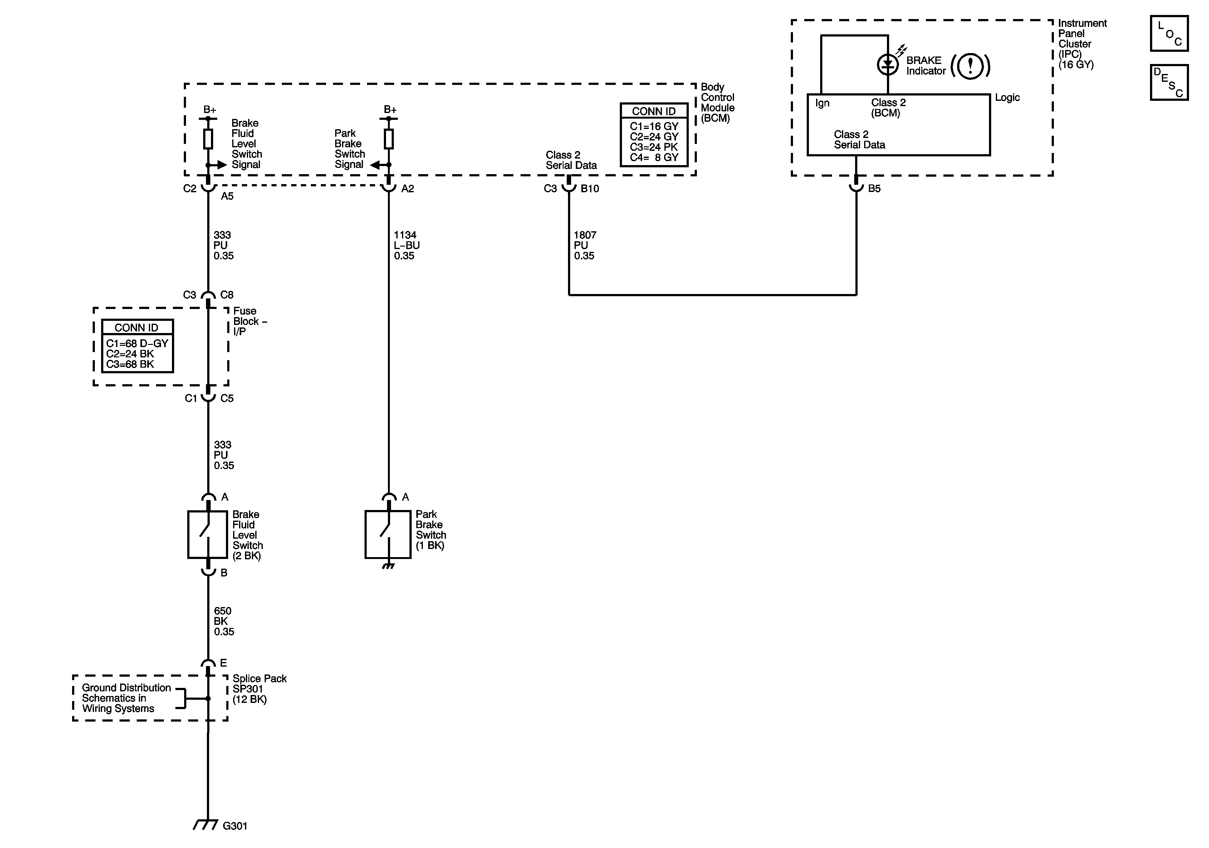
🢒 Brake Warning Schematic
Brake Warning Schematic
Master Electrical Component List
Brake Warning System Description and Operation
G301 - 1 of 2