GM Service Manual Online
For 1990-2009 cars only
Makes
🢒
Saturn
🢒
2003
🢒
VUE - FWD
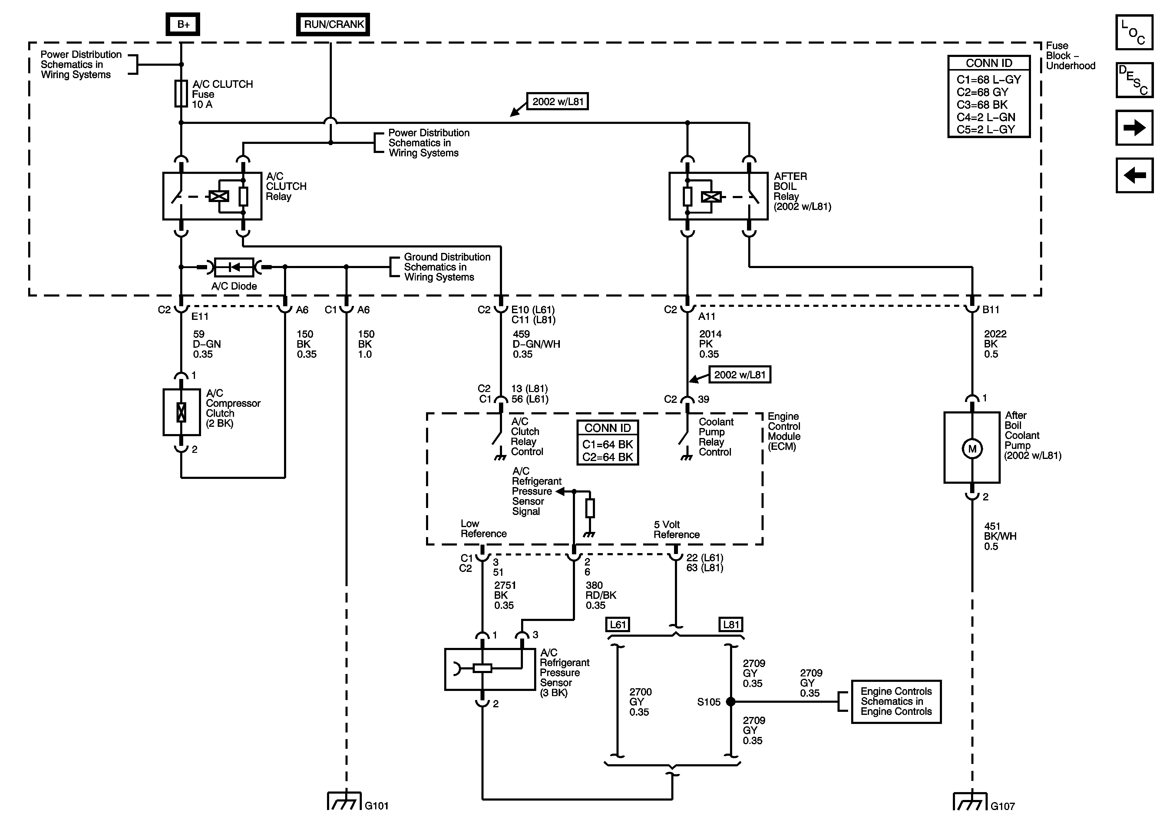
🢒 A/C Clutch and Pressure Sensor
A/C Clutch and Pressure Sensor
A/C Clutch and Pressure Sensor
Master Electrical Component List
Air Temperature Description and Operation
Actuators and the Evaporator Temperature Sensor
Blower Controls
Battery Power to the Fuse Block, Starter, and Generator
Ignition Switch
G101
Engine Data Sensors - 5 Volt References
G101
G103, G105, G107, and G207 - L81