GM Service Manual Online
For 1990-2009 cars only
Makes
🢒
Saturn
🢒
2003
🢒
VUE - FWD
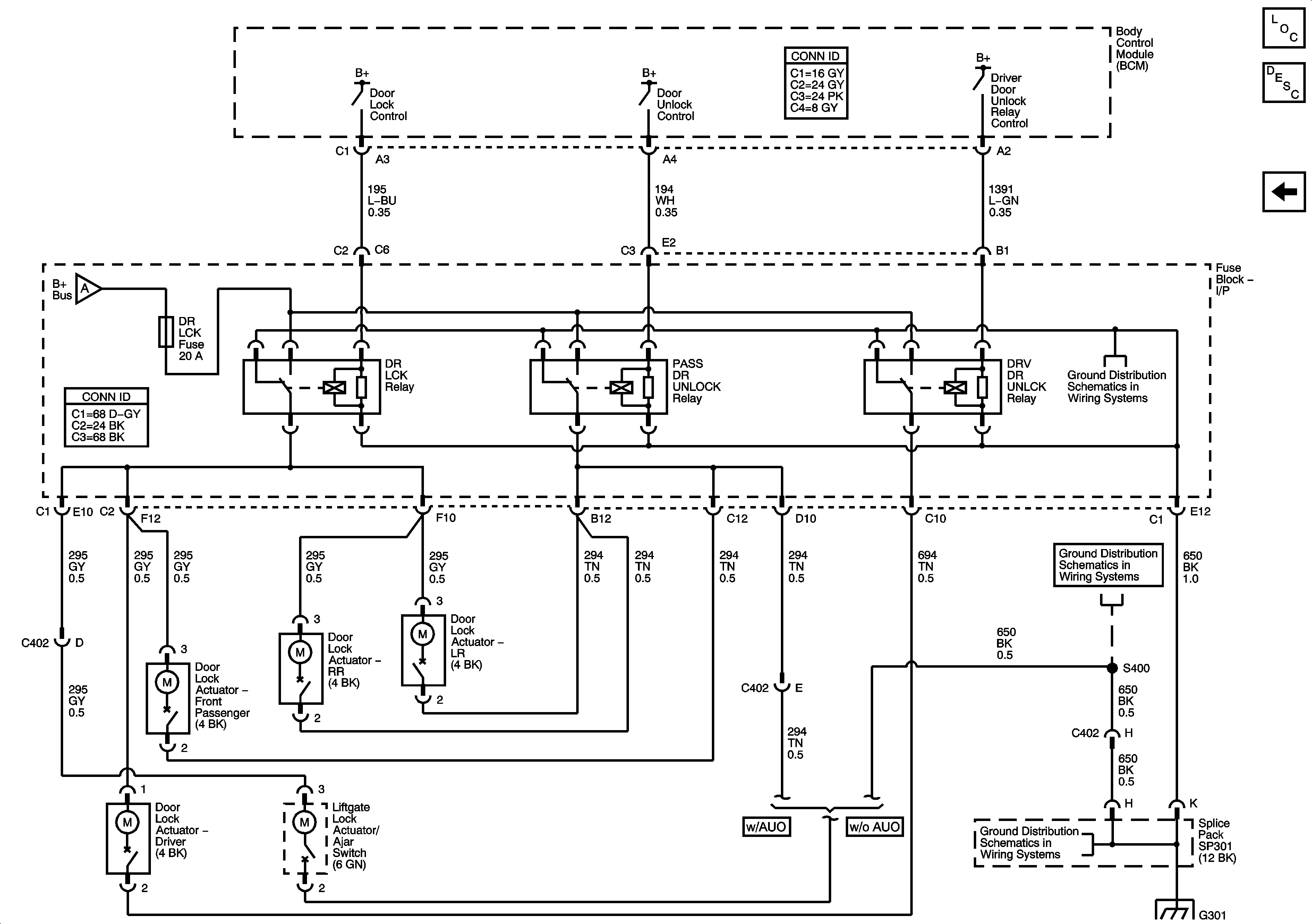
🢒 Door Lock Actuators
Door Lock Actuators
Door Lock Actuators
Master Electrical Component List
Power Door Locks Description and Operation
Door Lock and Jamb Switches
Door Lock and Jamb Switches
G301 - 1 of 2
G301 - 2 of 2
G301 - 2 of 2