GM Service Manual Online
For 1990-2009 cars only
Makes
🢒
Saturn
🢒
2003
🢒
VUE - FWD
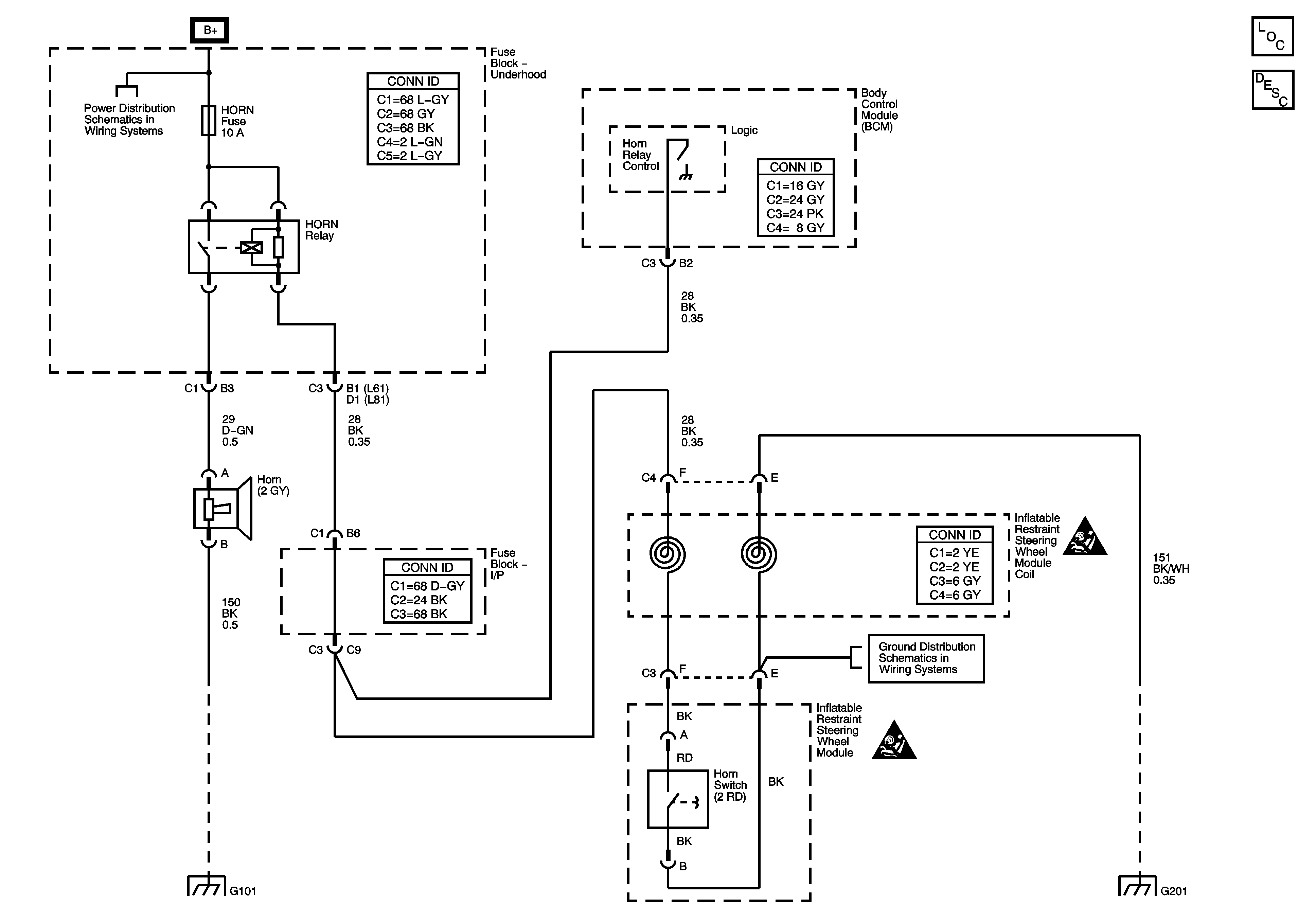
🢒 Horn Schematic
Horn Schematic
Master Electrical Component List
Horns System Description and Operation
Battery Power to the Fuse Block, Starter, and Generator
G101
G201
G201
Horn Schematic Icons
Horn Schematic Icons