The cruise control resume/accel switch is an input to the engine control module (ECM). The ECM uses the cruise control resume/accel switch signal circuit in order to detect when the driver has requested to accelerate the set vehicle speed or to resume the cruise control system. The ECM detects a high signal voltage on the cruise control resume/accel switch signal circuit when the switch is applied. This DTC sets when the ECM detects a high signal voltage on the cruise control resume/ accel switch signal circuit for longer than 90 seconds.
The ignition is ON.
The cruise control On/Off switch is ON.
The ECM detects that the resume/accel switch is applied for longer than 90 seconds.
| • | The ECM stores the DTC information into memory when the diagnostic runs and fails. |
| • | The malfunction indicator lamp (MIL) will not illuminate. |
| • | The ECM records the operating conditions at the time the diagnostic fails. The ECM stores this information in the Failure Records. |
| • | The cruise control system is disabled. |
| • | A last test failed, or the current DTC, clears when the diagnostic runs and does not fail. |
| • | A history DTC clears after 40 consecutive warm-up cycles, if failures are not reported by this or any other emission related diagnostic. |
| • | Use a scan tool in order to clear the MIL/DTC. |
Ensure that the resume/accel switch is not stuck or sticking in the engaged position.
For an intermittent condition, refer to Testing for Intermittent Conditions and Poor Connections in Wiring Systems.
The numbers below refer to the step numbers on the diagnostic table.
Step | Action | Yes | No |
|---|---|---|---|
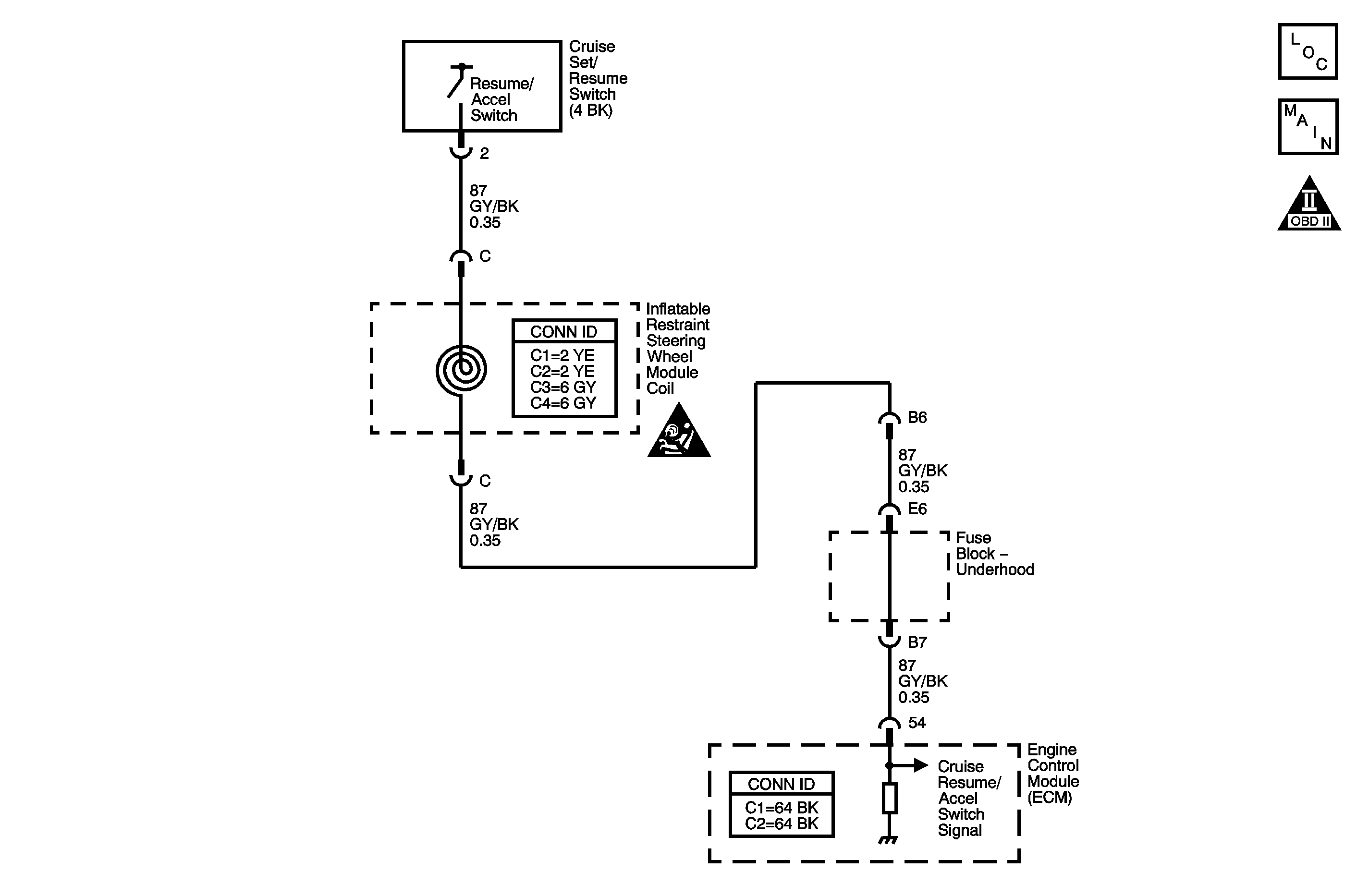
Schematic Reference: Cruise Control Schematics Connector End View Reference: Cruise Control Connector End Views | |||
1 | Did you perform the Cruise Control Diagnostic System Check? | Go to Step 2 | |
Does the Cruise Resume/Accel parameter display On? | Go to Step 3 | Go to Diagnostic Aids | |
Does the Cruise Resume/Accel parameter display On? | Go to Step 4 | Go to Step 5 | |
4 | Test the cruise control resume/accel switch signal circuit for a short to voltage. Refer to Circuit Testing and to Wiring Repairs in Wiring Systems. Did you find and correct the condition? | Go to Step 9 | Go to Step 6 |
5 | Inspect for poor connections at the harness connector of the cruise control switch. Refer to Testing for Intermittent Conditions and Poor Connections and to Connector Repairs in Wiring Systems. Did you find and correct the condition? | Go to Step 9 | Go to Step 7 |
6 | Inspect for poor connections at the harness connector of the ECM. Refer to Testing for Intermittent Conditions and Poor Connections and to Connector Repairs in Wiring Systems. Did you find and correct the condition? | Go to Step 9 | Go to Step 8 |
7 | Replace the cruise control switch. Refer to Cruise Control Switch Replacement . Did you complete the replacement? | Go to Step 9 | -- |
8 |
Important: Program the replacement ECM. Replace the ECM. Refer to Engine Control Module Replacement in Engine Controls--2.2 L. Did you complete the replacement? | Go to Step 9 | -- |
9 |
Does the DTC reset? | Go to Step 2 | System OK |