GM Service Manual Online
For 1990-2009 cars only

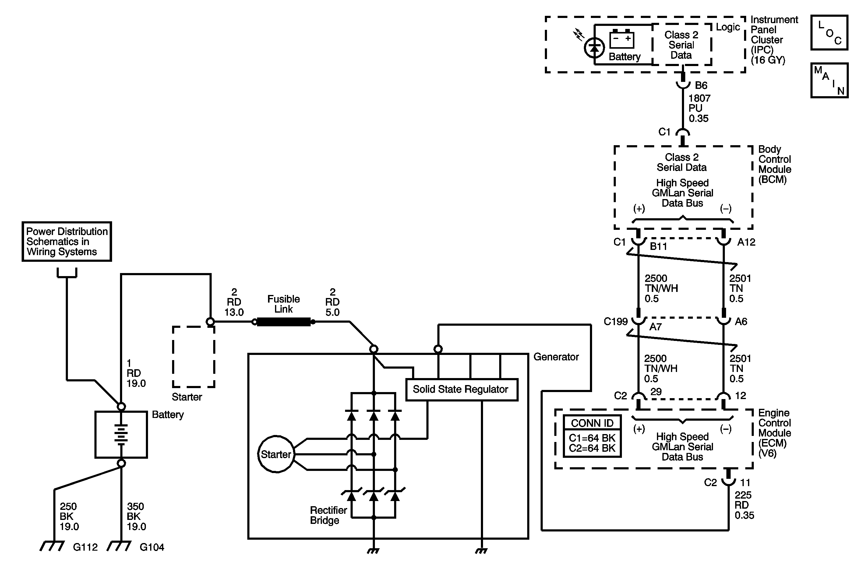
Object Number: 1215870  Size: MF
Starting and Charging Schematics
Power and Grounding Component Views
Power Distribution Schematics
Engine Control Module Connector End Views
Engine Controls Component Views

Circuit Description

The ECM uses the generator turn on signal circuit to control the load of the generator on the engine. A high side driver in the ECM applies a voltage to the voltage regulator. When the ECM turns ON the high side driver, the voltage regulator turns ON the field circuit. When the ECM turns OFF the high side driver, the voltage regulator turns OFF the field circuit.

The ECM monitors the state of the generator turn on signal circuit. With the engine running, the ECM should detect a high generator turn on signal circuit, or when the charging system malfunctions. If the ECM detects a low generator turn on signal circuit DTC P0621 will set. When the DTC sets, the ECM will send a class 2 serial data message to the IPC to illuminate the charge indicator.

Conditions for Running the DTC

Key ON Test

    • The Key is in the ON position for 5 seconds.
    • The engine is OFF.

Engine Run Test

    • The engine is running.
    • The engine speed is less than 3000 RPM.

Conditions for Setting the DTC

During key ON test, the ECM detects a high signal voltage on the generator turn on signal circuit for at least 5 seconds.

Durning the RUN test, the ECM detects a low signal voltage on the generator turn on signal circuit for at least 10 seconds.

Action Taken When the DTC Sets

    • The ECM sends a class 2 message to the IPC to illuminate the charge indicator.
    • The ECM will not illuminate the malfunction indicator lamp (MIL).
    • The ECM will store the conditions present when the DTC set as Fail Records data only.

Conditions for Clearing the MIL/DTC

    • The history DTC will clear after 40 consecutive warm-up cycles have occurred without a malfunction.
    • The DTC can be cleared by using the scan tool Clear DTC Information function.

Step

Action

Values

Yes

No

Connector End View Reference: Engine Electrical Connector End Views or Engine Control Module Connector End Views in Engine Controls - 2.2L (L61)

1

Did you perform the Engine Electrical Diagnostic System Check?

--

Go to Step 2

Go to Diagnostic System Check - Engine Electrical

2

  1. Install a scan tool.
  2. Operate the vehicle within the conditions for running the DTC as specified in the supporting text.
  3. Using the scan tool, observe the specific DTC Information for DTC P0616 until the test runs.

Does the scan tool indicate that DTC P0621 has passed this ignition cycle?

--

Go to Testing for Intermittent Conditions and Poor Connections in Wiring Systems

Go to Step 3

3

  1. Start the engine.
  2. With a scan tool, while observing the Ignition 1 parameter in the engine controls data list, command the Generator L-Terminal Off for 5 seconds and then back on.

Does the scan tool indicate a change in voltage each time the Generator L - Terminal is commanded Off and On?

--

Go to Step 6

Go to Step 4

4

  1. Turn OFF the ignition.
  2. Disconnect the generator harness connector.
  3. Start the engine.
  4. Measure the voltage between the generator turn on signal circuit of the generator harness connector and a good ground.

Is the voltage within the specified range.

4.5 - 5.5 V

Go to Step 7

Go to Step 5

5

Test the generator turn on signal circuit for a short, high resistance or open. Refer to Circuit Testing and Wiring Repairs in Wiring Systems.

Did you find and correct the condition?

--

Go to Step 10

Go to Step 8

6

Test the generator battery voltage output circuit for a high resistance or open. Refer to Circuit Testing and Wiring Repairs in Wiring Systems.

Did you find and correct the condition?

--

Go to Step 10

Go to Charging System Test

7

Inspect for poor connections at the harness connector of the generator. Refer to Connector Repairs in Wiring Systems.

Did you find and correct the condition?

--

Go to Step 10

Go to Charging System Test

8

Inspect for poor connections at the harness connector of the ECM. Refer to Connector Repairs in Wiring Systems.

Did you find and correct the condition?

--

Go to Step 10

Go to Step 9

9

Important: The replacement ECM must be programmed.

Replace the ECM. Refer to Engine Control Module Replacement in Engine Controls - 2.2L (L61).

Did you complete the replacement?

--

Go to Step 10

--

10

  1. Review and record the scan tool Fail Records data.
  2. Use the scan tool in order to clear the DTC.
  3. Operate the vehicle within the Conditions for Running DTC P0621 as specified in the supporting text.
  4. Using the scan tool, observe the Specific DTC Information for DTC P0621 until the test runs.

Does the scan tool indicate that DTC P0621 failed?

--

Go to Step 3

System OK