GM Service Manual Online
For 1990-2009 cars only

Removal Procedure

  1. Remove the air cleaner assembly. Refer to Air Cleaner Assembly Replacement .
  2. Support the engine. Refer to Engine Support Fixture .
  3. Raise and support the vehicle. Refer to Lifting and Jacking the Vehicle .

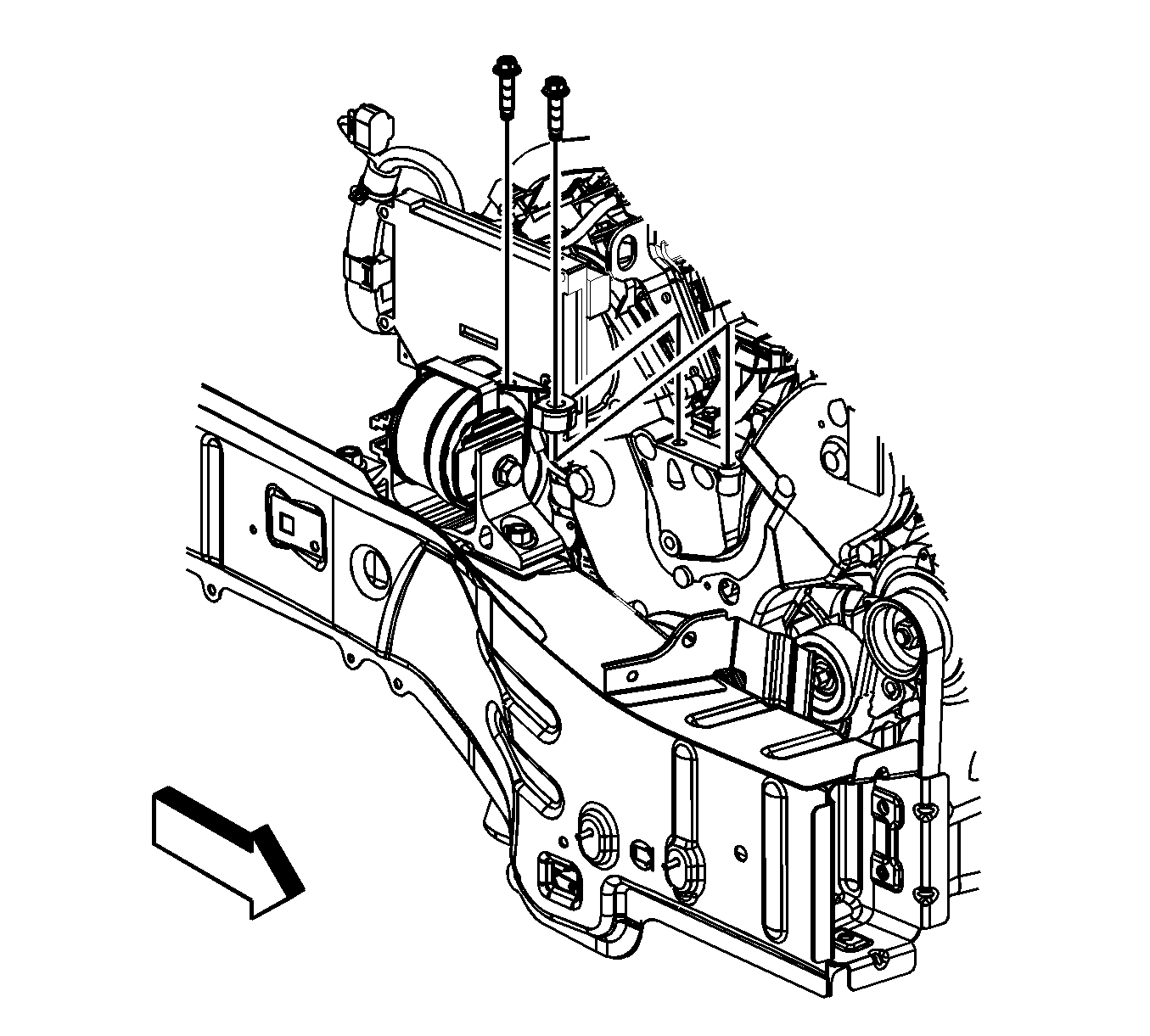
  4. Object Number: 1239275  Size: SH
  5. Remove the engine mount to bracket bolts.

  6. Object Number: 1239277  Size: SH
  7. Remove the engine mount to frame rail nuts.
  8. Remove the engine mount from the vehicle.

Installation Procedure


    Object Number: 1239277  Size: SH
  1. Position the engine mount onto the frame rail studs.
  2. Notice: Refer to Fastener Notice in the Preface section.

  3. Install the engine mount to frame rail stud nuts.
  4. Tighten
    Tighten the nuts to 110 N·m (81 lb ft).


    Object Number: 1239275  Size: SH
  5. Install the engine mount to engine mount bracket bolts. Take care when aligning the engine mount to engine mount bracket bolt holes, while hand tightening all the bolts.
  6. Tighten the engine mount to engine mount bracket bolts.
  7. Tighten
    Tighten the bolts to 110 N·m (81 lb ft).

  8. Lower the vehicle.
  9. Remove the engine support. Refer to Engine Support Fixture .
  10. Install the air cleaner assembly. Refer to Air Cleaner Assembly Replacement .