GM Service Manual Online
For 1990-2009 cars only
Figure 1:

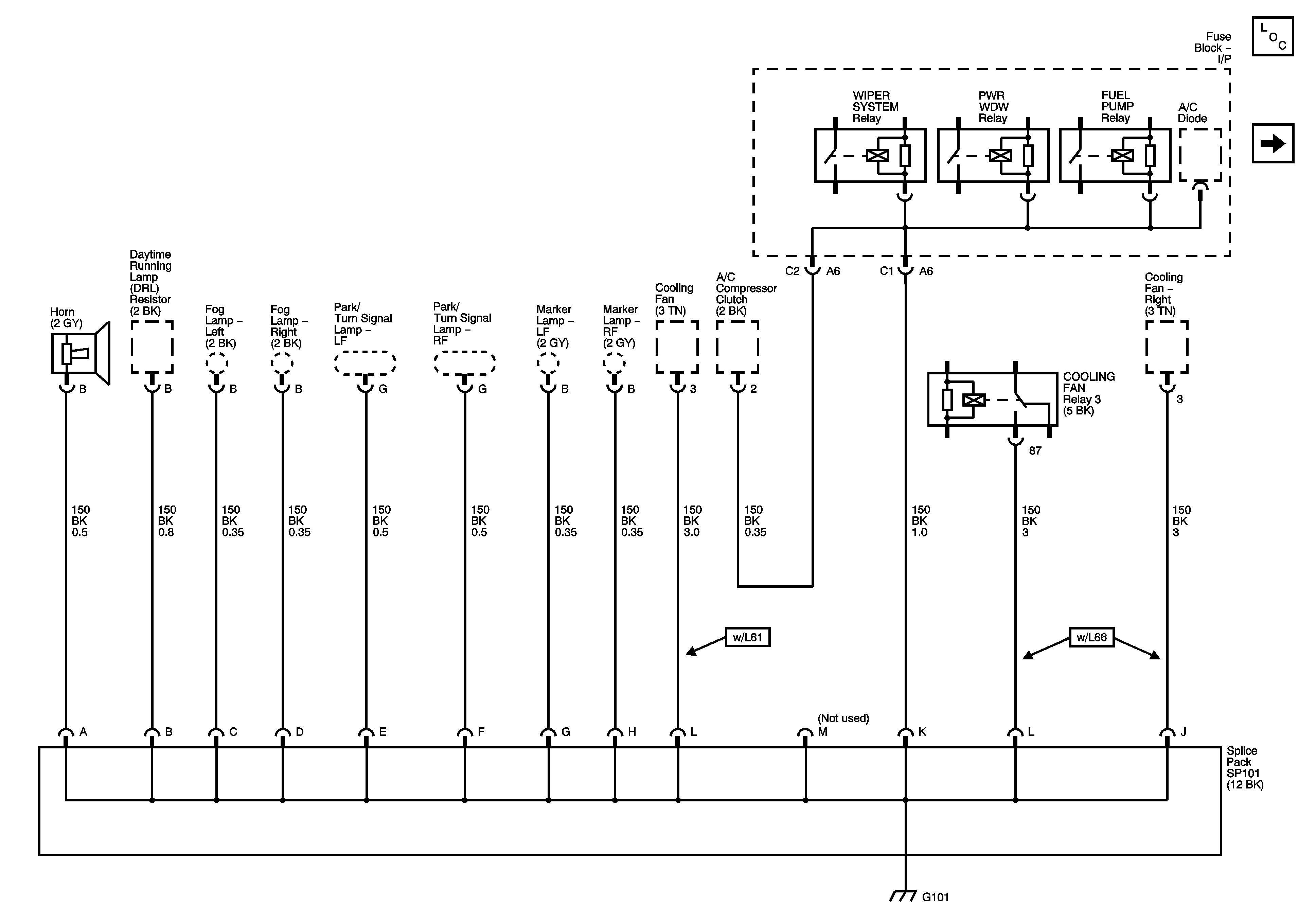
G101


Object Number: 1340641  Size: FS
Master Electrical Component List
w/L66 - G103, G105, G107, G109, and G207
Figure 2:

w/L66 - G103, G105, G107, G109, and G207


Object Number: 1340642  Size: FS
Master Electrical Component List
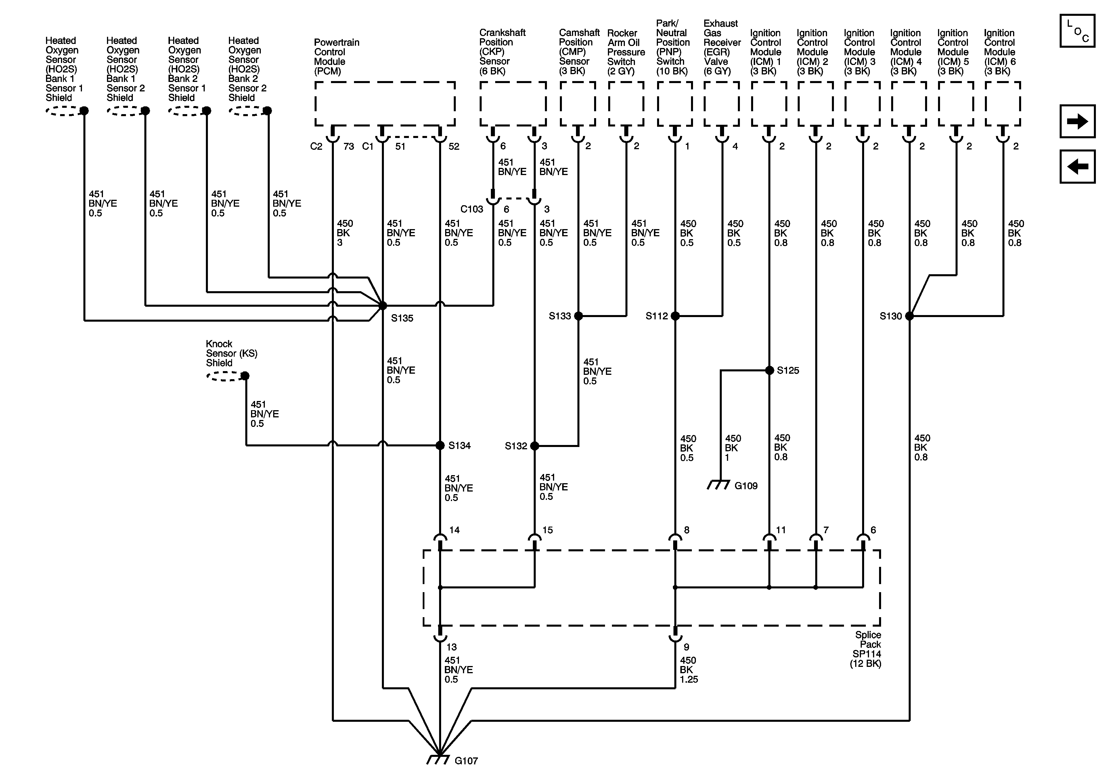
w/L61 - G103, G105, and G207
G101
Figure 3:

w/L61 - G103, G105, and G207


Object Number: 1187632  Size: FS
Master Electrical Component List
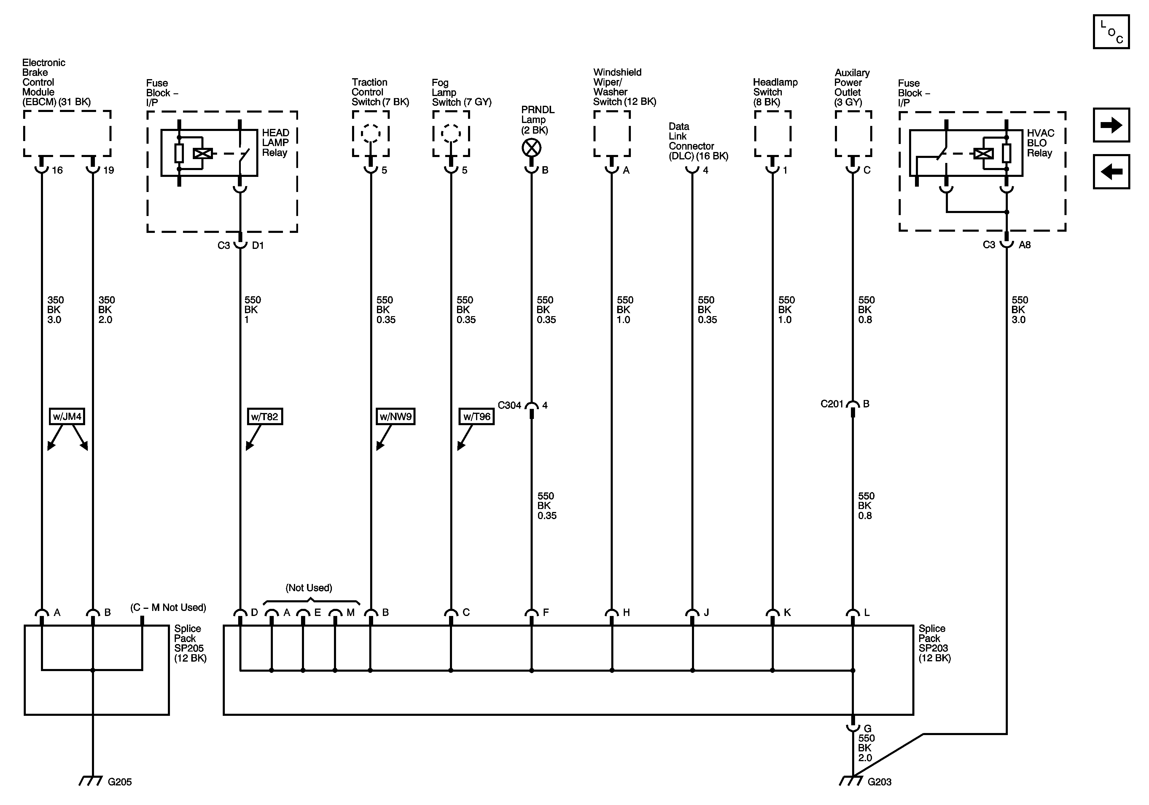
G201
w/L66 - G103, G105, G107, G109, and G207
Figure 4:

G201


Object Number: 1340647  Size: FS
Master Electrical Component List
G203 and G205
w/L61 - G103, G105, and G207
SIR Caution for Zoning
SIR Caution for Zoning
Figure 5:

G203 and G205


Object Number: 1340649  Size: FS
Master Electrical Component List
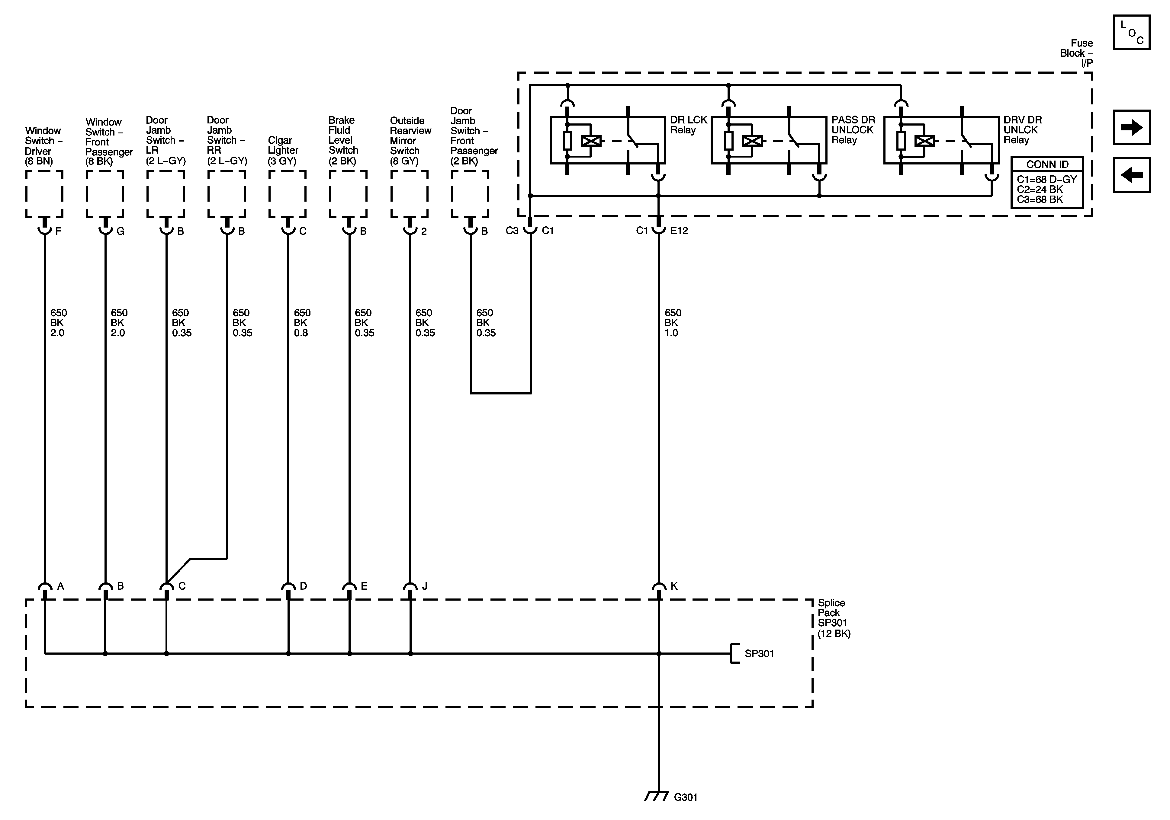
G301 1 of 2
G201
Figure 6:

G301 1 of 2


Object Number: 1340650  Size: FS
Master Electrical Component List
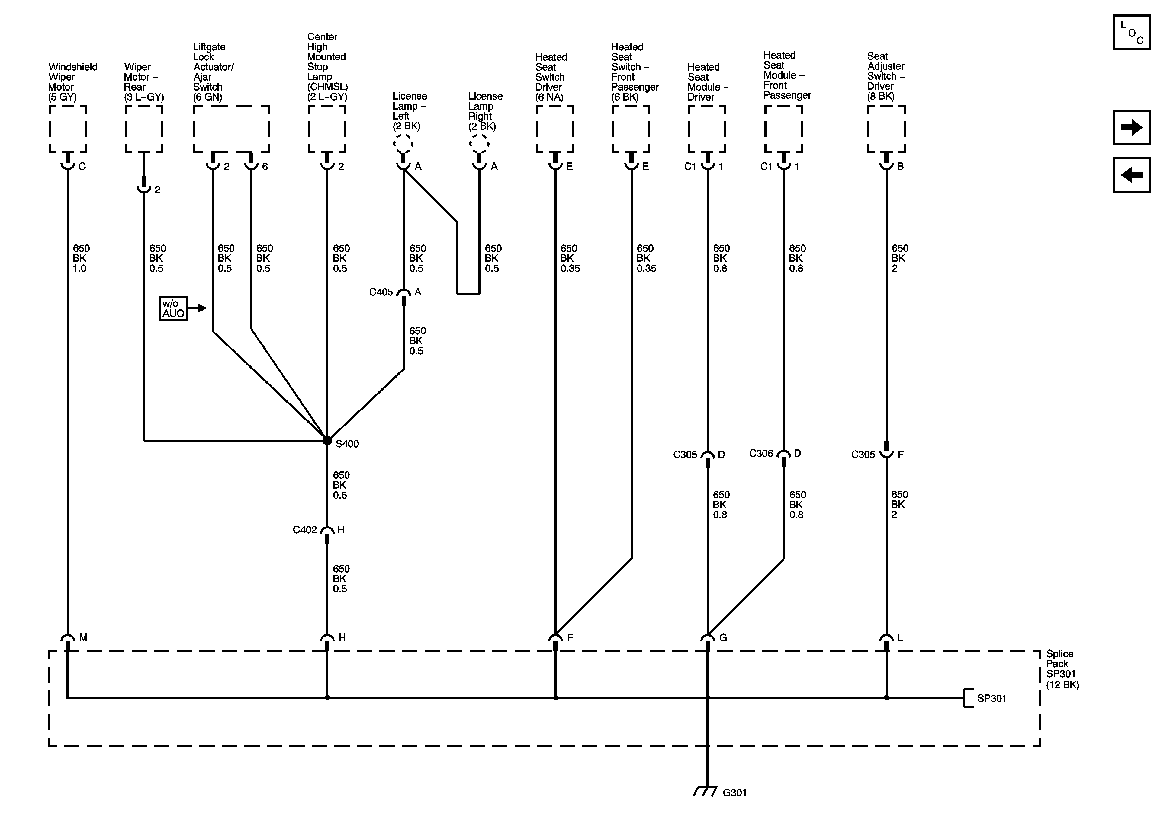
G301 2 of 2
G203 and G205
G301 2 of 2
Figure 7:

G301 2 of 2


Object Number: 1340651  Size: FS
Master Electrical Component List
G401 and G403
G301 1 of 2
G301 1 of 2
Figure 8:

G401 and G403


Object Number: 1340652  Size: FS
Master Electrical Component List
G301 2 of 2