GM Service Manual Online
For 1990-2009 cars only
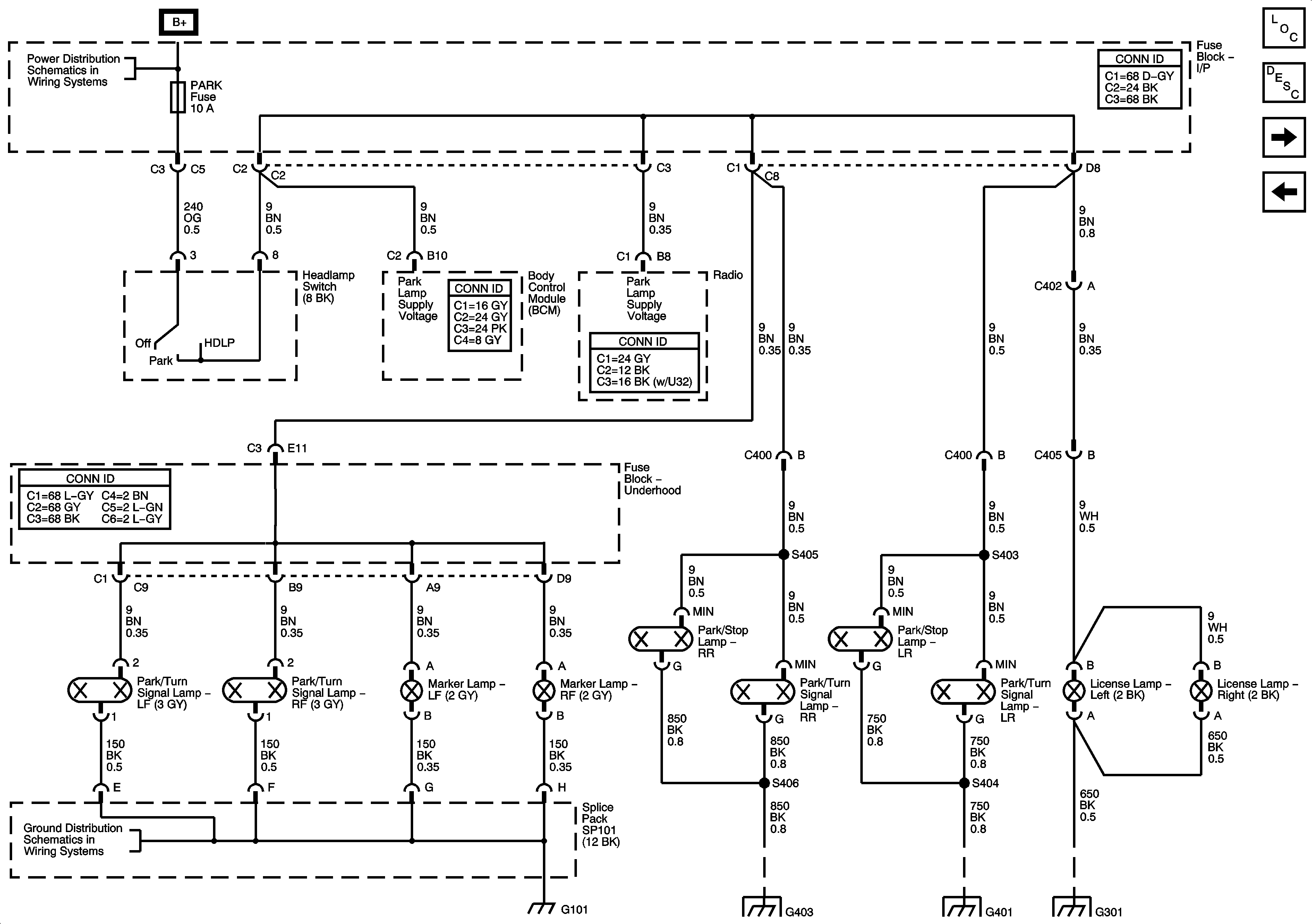
Figure 1:

Park Lamps w/T82


Object Number: 1343320  Size: FS
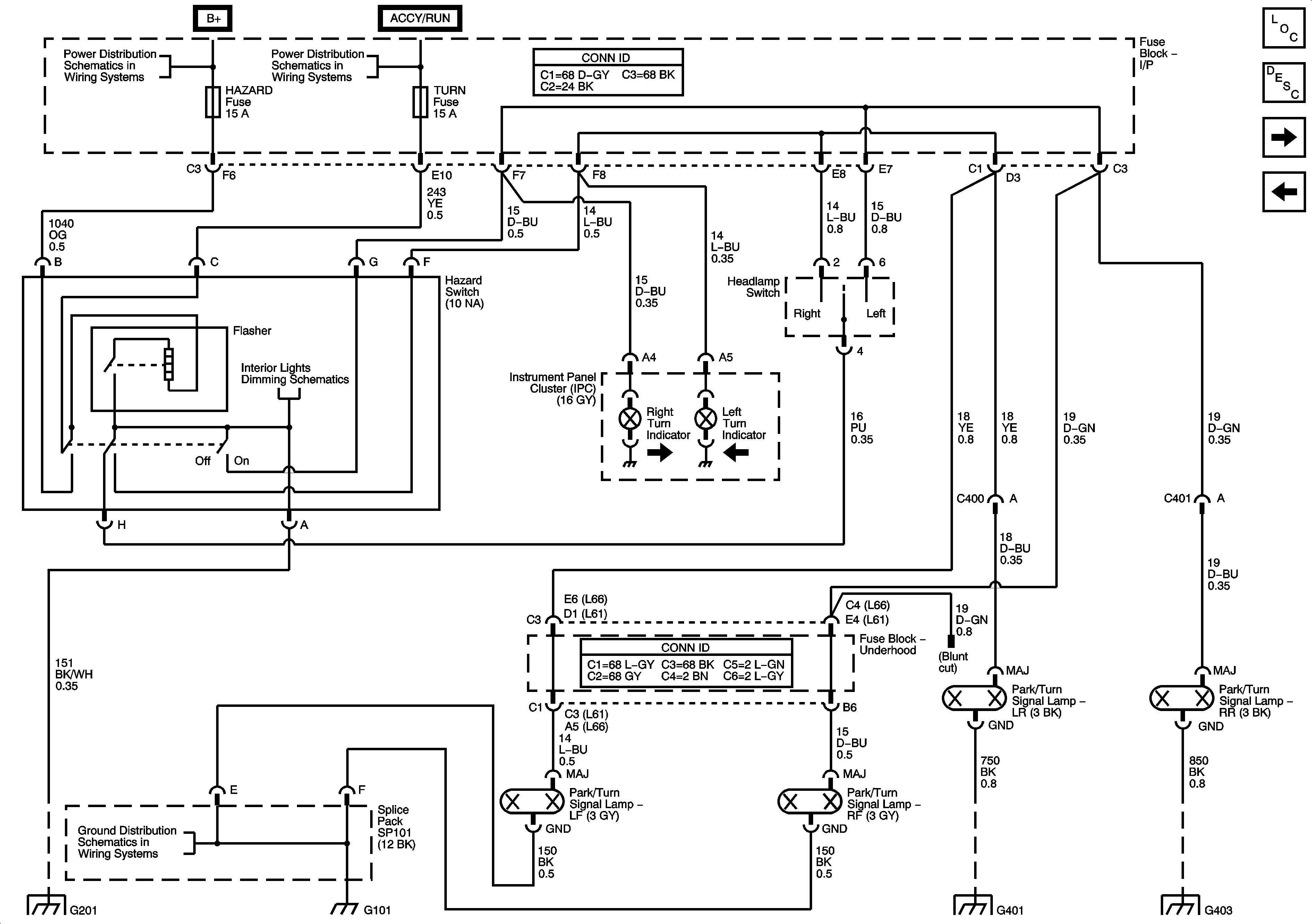
Figure 2:

Park Lamps w/o T82


Object Number: 1343322  Size: FS
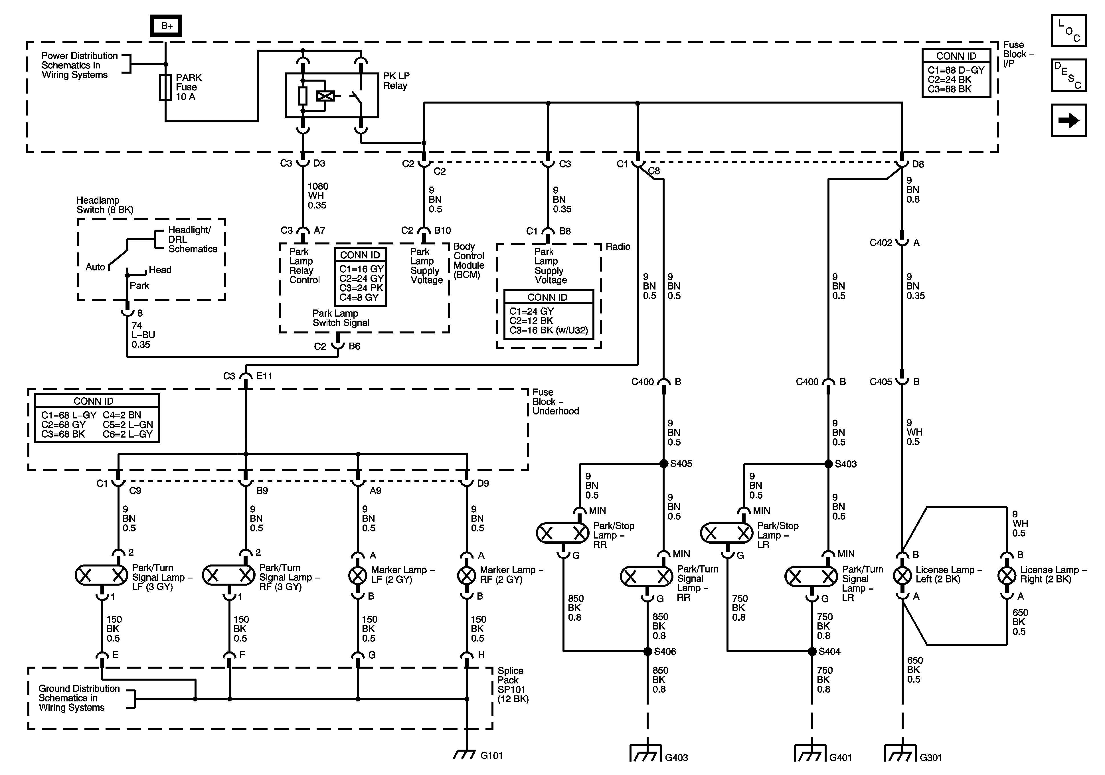
Figure 3:

Hazards and Turn Signals


Object Number: 1343328  Size: FS
Figure 4:

Stop Lamps


Object Number: 1343331  Size: FS
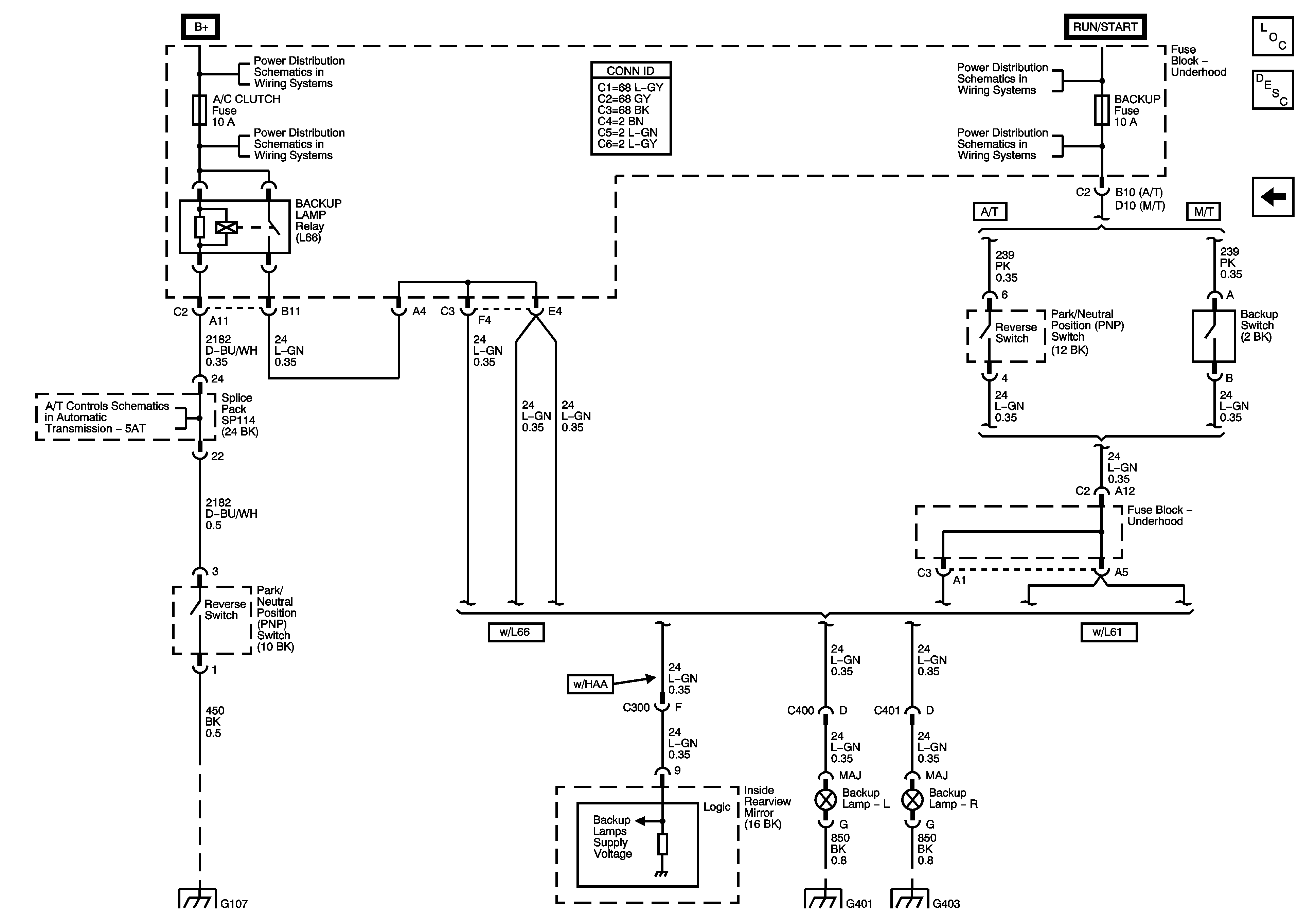
Figure 5:

Backup Lamps


Object Number: 1343333  Size: FS