GM Service Manual Online
For 1990-2009 cars only
Makes
🢒
Saturn
🢒
2004
🢒
VUE - FWD
🢒
Transmission/Transaxle
🢒
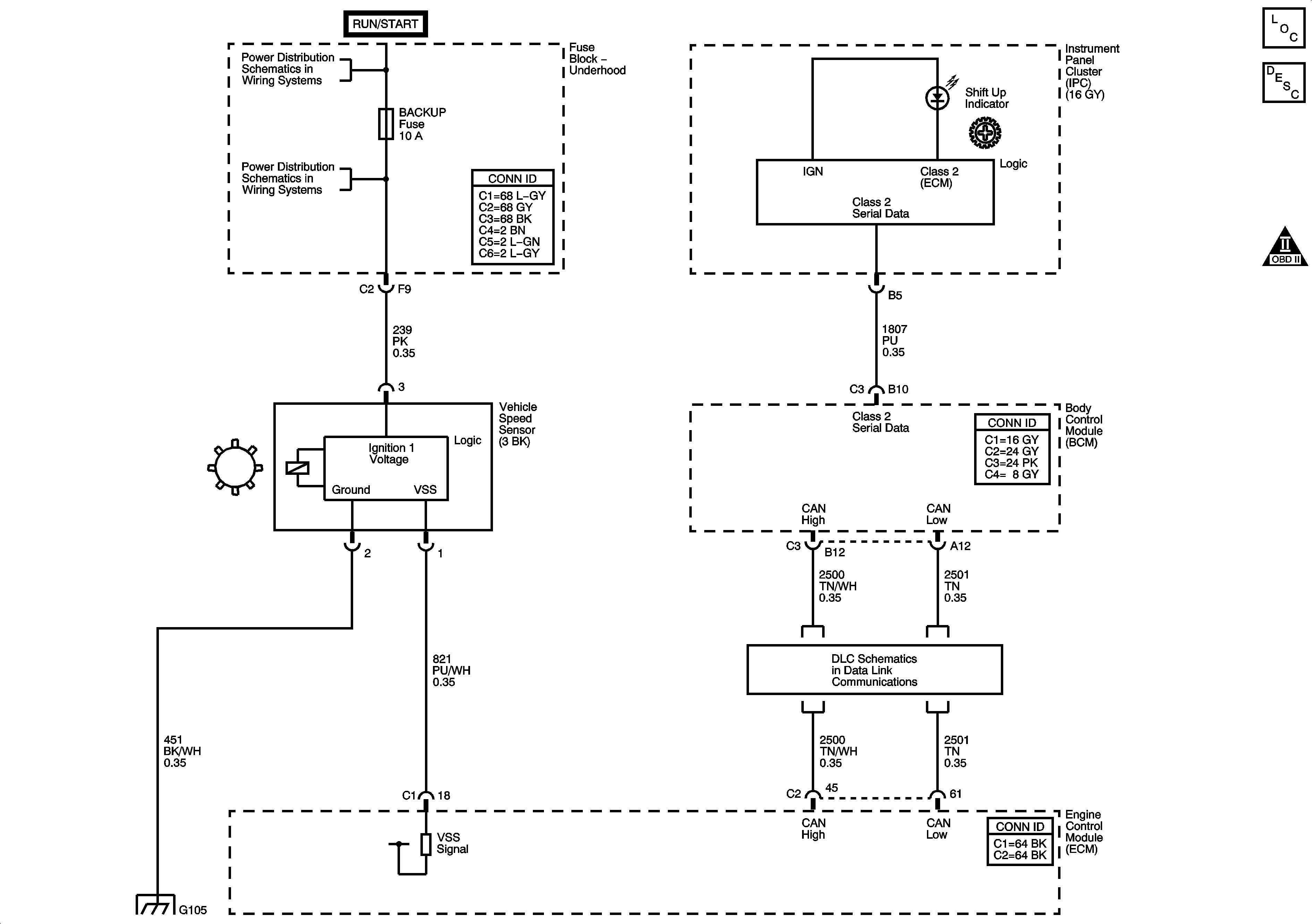
Manual Transmission - Getrag 5 Speed
🢒 Manual Transmission Schematics