GM Service Manual Online
For 1990-2009 cars only
Makes
🢒
Saturn
🢒
2004
🢒
VUE - FWD
🢒
Transmission/Transaxle
🢒
Automatic Transmission - VT25-E
🢒 Automatic Transmission Controls Schematics
Figure
1:
Power, Ground, Serial Data, and Switch Signals
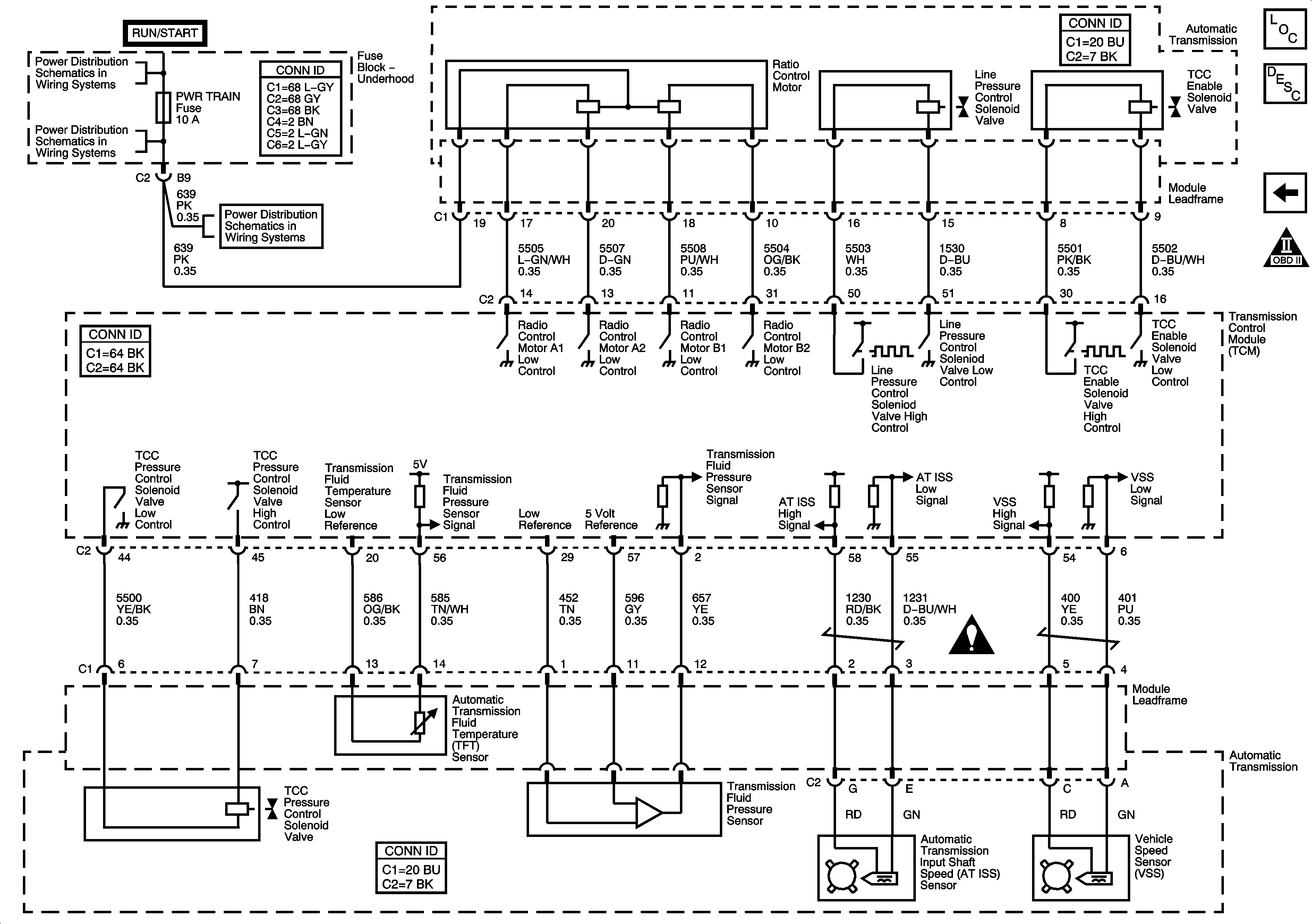
Figure
2:
Sensors and Solenoids - Late Production
Figure
3:
Sensors and Solenoids - Early Production