GM Service Manual Online
For 1990-2009 cars only

Removal Procedure

  1. With the tires in the straight forward position, remove the key from the ignition.
  2. Disconnect the negative battery cable. Refer to Battery Negative Cable Disconnection and Connection in Engine Electrical.
  3. Remove the air cleaner assembly. Refer to Air Cleaner Assembly Replacement in Engine Controls - 3.5L (L66).

  4. Object Number: 857193  Size: SH
  5. Secure the cooling module to the upper body structure.
  6. Remove the battery and battery tray. Refer to Battery Tray Replacement in Engine Electrical.
  7. Disconnect the transmission shiftier cable.
  8. Disconnect the wiring harness from the underhood junction block. Refer to Underhood Electrical Center or Junction Block Replacement in Wiring Systems.
  9. Evacuate the A/C system. Refer to Refrigerant Recovery and Recharging in Heating, Ventilation and Air Conditioning.
  10. Drain the cooling system. Refer to Cooling System Draining and Filling in Engine Cooling.
  11. Remove the powertrain control module (PCM). Refer to Powertrain Control Module Replacement in Engine Controls - 3.5L (L66).
  12. Remove the A/C low pressure tube at the front lift bracket.
  13. Disconnect the generator positive cable.
  14. Disconnect the A/C high pressure switch harness.
  15. Remove the A/C tube from the A/C compressor. Refer to Compressor Hose Assembly Replacement in Heating, Ventilation, and Air Conditioning.
  16. Disconnect the A/C line from the condenser to the compressor.
  17. Disconnect the coolant reservoir hose from the engine to reservoir.

  18. Object Number: 1252513  Size: SH
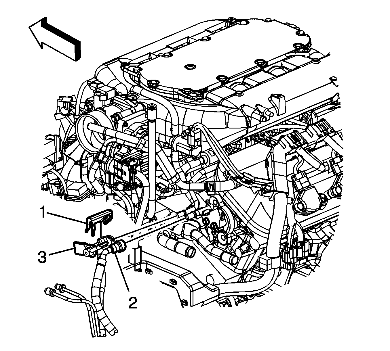
  19. Disconnect the radiator inlet and outlet hoses from the engine.

  20. Object Number: 1237797  Size: SH
  21. Remove the inlet and outlet heater hoses (1, 2).
  22. Remove the starter positive cable.
  23. Relieve the fuel pressure. Refer to Fuel Pressure Relief in Engine Controls - 3.5L (L66).
  24. Disconnect the fuel feed line.
  25. Disconnect the fuel EVAP line.
  26. Raise and support the vehicle. Refer to Lifting and Jacking the Vehicle in General Information.
  27. Remove the lower transaxle-to-engine bolts.
  28. Remove the PTU. Refer to Transfer Case Replacement in Transfer Case - MJ8.
  29. Remove the torque convertor inspection cover.
  30. Remove the torque convertor-to-flywheel bolts.
  31. Remove the front wheels. Refer to Tire and Wheel Removal and Installation in Tires and Wheels.
  32. Remove the left wheelhouse liner. Refer to Front Wheelhouse Liner Replacement in Body Front End.
  33. Disconnect the transmission cooler lines from the transmission and bracket. Refer to Oil Cooler Hose/Pipe Replacement .
  34. Remove the left and right tie rod ends from the steering knuckles. Refer to Rack and Pinion Outer Tie Rod End Replacement in Power Steering System.
  35. Remove the left and right stabilizer bar links. Refer to Stabilizer Shaft Link Replacement in Front Suspension.
  36. Disconnect the left and right lower ball joints. Refer to Lower Control Arm Ball Joint Replacement in Front Suspension.
  37. Remove the left and right axle shaft nuts. Refer to Front Wheel Drive Shaft Replacement in Wheel Drive Shafts.

  38. Object Number: 928930  Size: SH
  39. Remove the propeller shaft. Refer to Propeller Shaft Replacement in Propeller Shaft.
  40. Important: In order to prevent possible SIR system deployment, do not attempt to rotate the steering shaft.

  41. Disconnect the intermediate shaft from the steering gear. Refer to Intermediate Steering Shaft Replacement in Steering Wheel and Column.
  42. Remove the front exhaust pipe. Refer to Exhaust Manifold Pipe Replacement in Engine Exhaust.
  43. Remove the 3 front fender pushpins to allow the front fender to flex.
  44. Use a paint pen or magic marker to mark the frame to the body position.
  45. Support the engine in the cradle with wood blocks.
  46. Disconnect the front engine mount from the body. Refer to Transmission Rear Mount Replacement in Engine Mechanical - 3.5L (L66).
  47. Important: During the powertrain removal, support the vehicle body by placing a jack at the rear of the vehicle.

  48. Position the engine support table under the powertrain assembly.
  49. With the table positioned, fully raise the table to contact with the powertrain assembly.
  50. Remove the cradle bolts.
  51. Slowly lower the table to the floor.

  52. Object Number: 1227130  Size: SH
  53. Remove the starter.
  54. Remove the following components:
  55. 47.1. Remove the transmission shift cable bracket.
    47.2. Remove the Park/Neutral position switch. Refer to Park/Neutral Position Switch Replacement .
    47.3. Remove the transmission vent hose.
  56. Remove the transmission mount from the transmission. Refer to Transmission Rear Mount Bracket Replacement .
  57. Remove the rear transmission mount bracket. Refer to Transmission Rear Mount Bracket Replacement .
  58. Separate the transmission from the engine.
  59. Remove the transfer case, if equipped. Refer to Transfer Case Replacement .

Installation Procedure

  1. Align the transmission to the engine.
  2. Notice: Refer to Fastener Notice in the Preface section.


    Object Number: 1424759  Size: SH
  3. Apply sealant Saturn P/N 21485277 (GM P/N 12345382) or equivalent, to the two upper transmission-to-engine bolts only, and install the transmission-to-engine mounting bolts.
  4. Tighten
    Tighten the bolts to 64 N·m (47 lb ft).

  5. Install the rear. Refer to Engine Mount Replacement - Right Side in Engine Mechanical - 3.5L (L66).
  6. Install the front engine mount to the engine. Refer to Transmission Rear Mount Replacement in Engine Mechanical - 3.5L (L66).
  7. Install the following components:
  8. 5.1. Install the transmission vent hose.
    5.2. Install the Park/Neutral position switch. Refer to Park/Neutral Position Switch Replacement .
    5.3. Install the transmission shift cable bracket and bolts.

    Tighten
    Tighten the bolts to 10 N·m (89 lb in).


    Object Number: 1227130  Size: SH
  9. Install the starter. Refer to Starter Motor Replacement in Engine Electrical.
  10. Install the powertrain assembly to the vehicle.
  11. Install the cradle bolts. Refer to Frame Replacement in Frame and Underbody.
  12. Remove the engine support table.
  13. Install the front engine mount bolts to the body. Refer to Transmission Rear Mount Replacement in Engine Mechanical - 3.5L (L66).
  14. Remove the wood blocks from the cradle.
  15. Install the lower transaxle-to-engine bolts.
  16. Tighten
    Tighten the bolts to 64 N·m (47 lb ft).

  17. Install the PTU. Refer to Transfer Case Replacement in Transfer Case - MJ8.
  18. Install the torque convertor-to-flywheel bolts.
  19. Tighten
    Tighten the bolts to 12 N·m (9 lb ft).

  20. Install the torque convertor inspection cover.
  21. Tighten
    Tighten the bolts to 12 N·m (9 lb ft).

  22. Install the 3 front fender pushpins
  23. Install the front exhaust pipe. Refer to Exhaust Manifold Pipe Replacement in Engine Exhaust.
  24. Connect the intermediate shaft from the steering gear. Refer to Intermediate Steering Shaft Replacement in Steering Wheel and Column.
  25. Install the propeller shaft. Refer to Propeller Shaft Replacement in Propeller Shaft.
  26. Install the left and right axle shaft nuts. Refer to Front Wheel Drive Shaft Replacement in Wheel Drive Shafts.
  27. Connect the left and right lower ball joints. Refer to Lower Control Arm Ball Joint Replacement in Front Suspension.
  28. Install the left and right stabilizer bar links. Refer to Stabilizer Shaft Link Replacement in Front Suspension.
  29. Install the left and right tie rod ends to the steering knuckles. Refer to Rack and Pinion Outer Tie Rod End Replacement in Power Steering System.
  30. Connect the transmission cooler lines to the transmission and bracket. Refer to Oil Cooler Hose/Pipe Replacement .
  31. Install the left wheelhouse liner. Refer to Front Wheelhouse Liner Replacement in Body Front End.
  32. Install the front tires. Refer to Tire and Wheel Removal and Installation in Tires and Wheels.
  33. Lower the vehicle.

  34. Object Number: 1226396  Size: SH
  35. Install the fuel EVAP line.
  36. Connect the fuel feed line. Refer to Fuel Hose/Pipes Replacement - Chassis in Engine Mechanical - 3.5L (L66).
  37. Install the starter positive cable.
  38. Tighten
    Tighten the starter cable to 12 N·m (106 lb in).

  39. Install the inlet and outlet heater hoses.
  40. Connect the inlet and outlet radiator hoses to the engine.
  41. Install the A/C tube to the A/C compressor. Refer to Compressor Hose Assembly Replacement in Heating, Ventilation, and Air Conditioning.
  42. Connect the coolant reservoir hose from engine to reservoir.
  43. Connect the A/C line from the condenser to the compressor.
  44. Connect the A/C high pressure switch harness.
  45. Connect the generator positive cable and nut.
  46. Tighten
    Tighten the nut to 12 N·m (106 lb in).

  47. Install the A/C lower pressure tube at the front lift bracket. Refer to Liquid Line Replacement in Heating, Ventilation, and Air Conditioning.
  48. Install the PCM. Refer to Powertrain Control Module Replacement in Engine Controls - 3.5L (L66).

  49. Object Number: 1252513  Size: SH
  50. Connect the radiator inlet and outlet hoses to the engine.
  51. Fill the vehicle with coolant. Refer to Cooling System Draining and Filling in Engine Cooling.
  52. Connect the wiring harness to the underhood junction block. Refer to Underhood Electrical Center or Junction Block Replacement in Wiring Systems.
  53. Connect the transmission shiftier cable.

  54. Object Number: 857193  Size: SH
  55. Remove the cooling module support.
  56. Install the battery tray and battery. Refer to Battery Tray Replacement in Engine Electrical.
  57. Install the air cleaner assembly. Refer to Air Cleaner Assembly Replacement in Engine Controls - 3.5L (L66).
  58. Install the air outlet duct assembly. Refer to Air Cleaner Resonator Outlet Duct Replacement in Engine Mechanical - 3.5L (L66).
  59. Connect the negative battery cable. Refer to Battery Negative Cable Disconnection and Connection in Engine Electrical.