GM Service Manual Online
For 1990-2009 cars only
Makes
🢒
Saturn
🢒
2004
🢒
VUE - FWD
🢒
Restraints
🢒
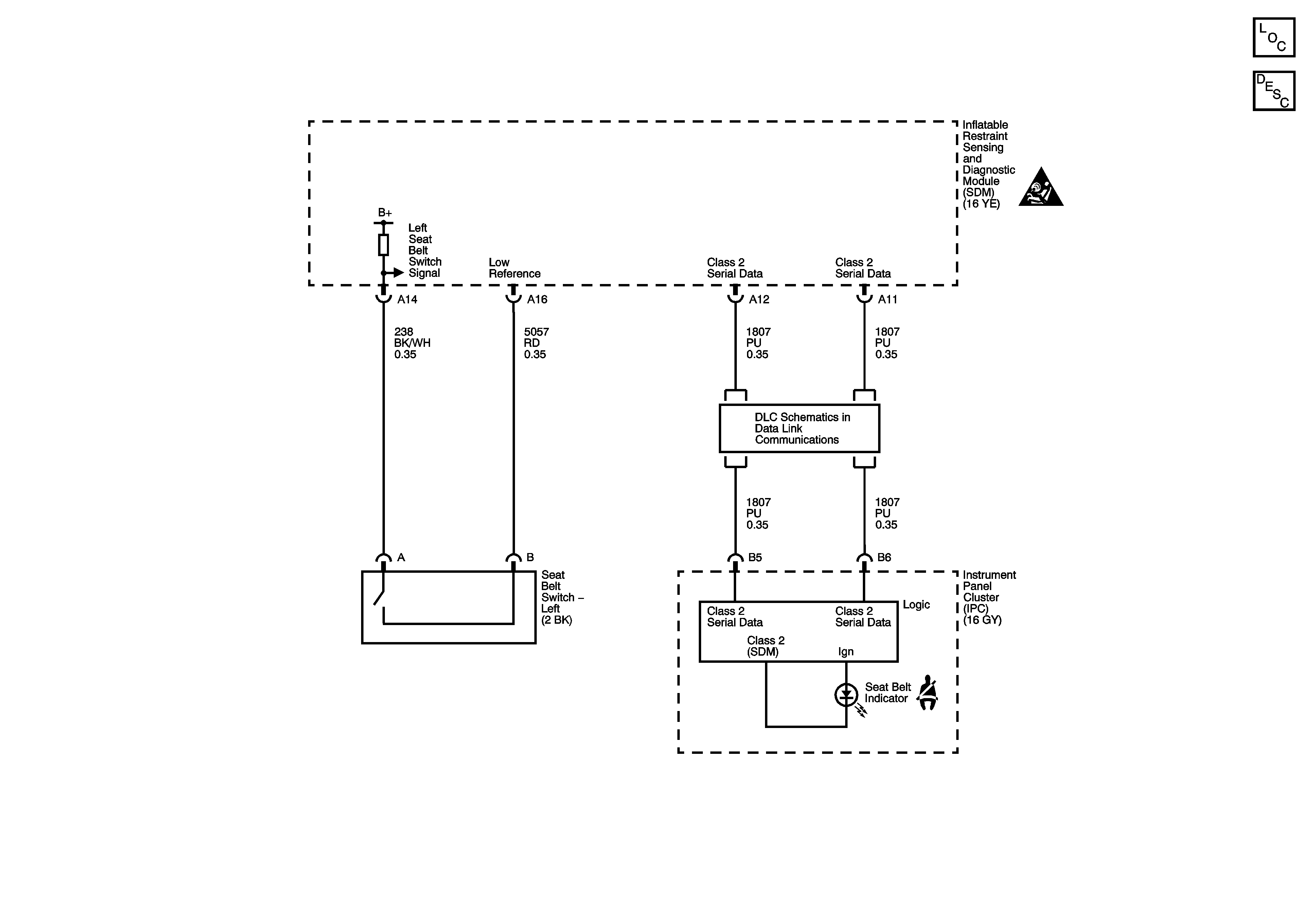
Seat Belts
🢒 Seat Belt Schematics