GM Service Manual Online
For 1990-2009 cars only
Makes
🢒
Saturn
🢒
2004
🢒
VUE - FWD
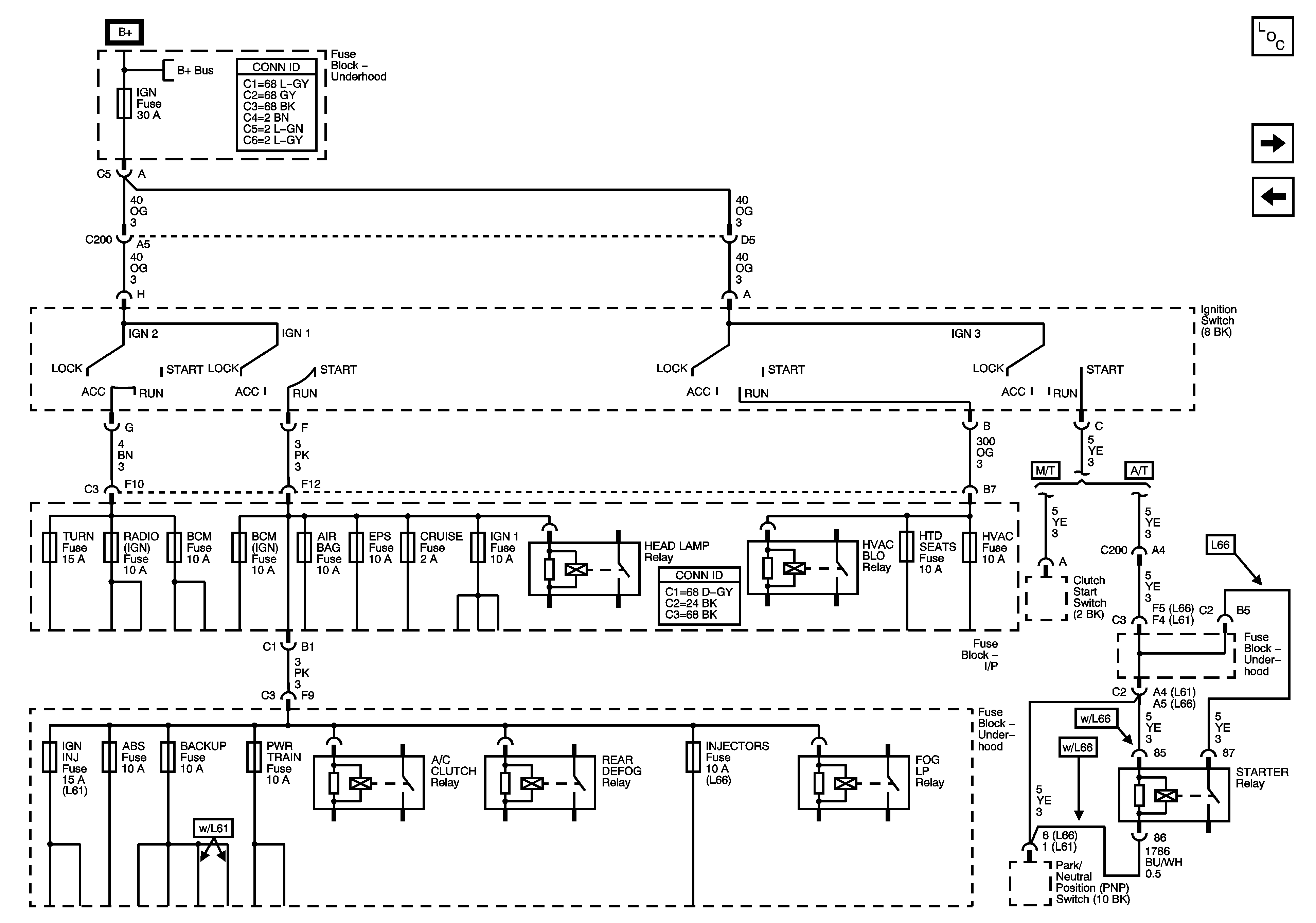
🢒 IGN Fuse, Ignition Switch, and the Igntion Switch Position Circuits
IGN Fuse, Ignition Switch, and the Igntion Switch Position Circuits
IGN Fuse, Ignition Switch, and Ignition Switch Position Feed Circuits
Master Electrical Component List
PWR WDW Relay, PWR WDW, SUNROOF, ABS, ABS PWR, HVAC BLOWER, AUX 1 OUTLET, CIGAR/AUX 2, and ECM/TCM Fuses
Battery, Starter, Generator, PSCM, and the B+ Circuits to the Underhood Fuse Block
Battery, Starter, Generator, PSCM, and the B+ Circuits to the Underhood Fuse Block