GM Service Manual Online
For 1990-2009 cars only

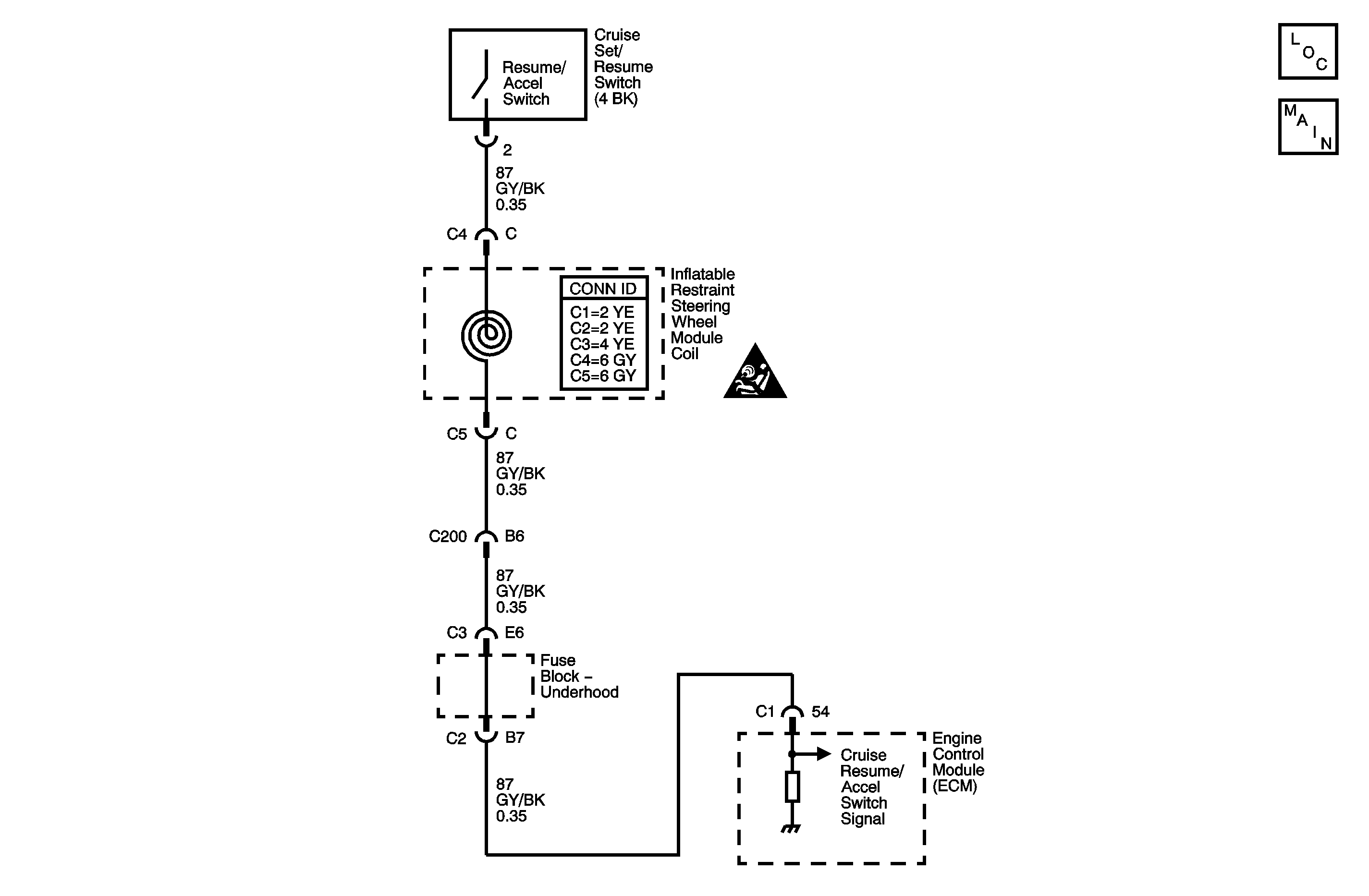
DTC P0567 2.2L


Object Number: 1402839  Size: MF

Circuit Description

The cruise control resume/accel switch is an input to the engine control module (ECM). The ECM uses the cruise control resume/accel switch signal circuit in order to detect when the driver has requested to accelerate the set vehicle speed or to resume the cruise control system. The ECM detects a high signal voltage on the cruise control resume/accel switch signal circuit when the switch is applied.

Conditions for Running the DTC

The ignition is ON.

The cruise control On/Off switch is ON.

Conditions for Setting the DTC

The ECM detects a high signal voltage on the cruise control resume/accel switch signal circuit for longer than 60 seconds.

Action Taken When the DTC Sets

    • The ECM stores the DTC information into memory when the diagnostic runs and fails.
    • The malfunction indicator lamp (MIL) will not illuminate.
    • The ECM records the operating conditions at the time the diagnostic fails. The ECM stores this information in the Failure Records.
    • The cruise control system is disabled.

Conditions for Clearing the MIL/DTC

    • A last test failed, or the current DTC, clears when the diagnostic runs and does not fail.
    • A history DTC clears after 40 consecutive warm-up cycles, if failures are not reported by this or any other emission related diagnostic.
    • Use a scan tool in order to clear the MIL/DTC.

Diagnostic Aids

Ensure that the resume/accel switch is not stuck or sticking in the engaged position.

For an intermittent condition, refer to Testing for Intermittent Conditions and Poor Connections in Wiring Systems.

Test Description

The numbers below refer to the step numbers on the diagnostic table.

  1. This step determines if condition is present.

  2. This step determines if the switch is at fault.

Step

Action

Yes

No

Schematic Reference: Cruise Control Schematics

Connector End View Reference: Cruise Control Connector End Views

1

Did you perform the Cruise Control Diagnostic System Check?

Go to Step 2

Go to Diagnostic System Check - Cruise Control

2

  1. Install a scan tool.
  2. Turn the ignition ON, with the engine OFF.
  3. Turn the cruise control On/Off switch ON.
  4. With the scan tool, observe the Cruise Resume/Accel parameter in the PCM General Info -- Inputs data list.

Does the Cruise Resume/Accel parameter display On?

Go to Step 3

Go to Diagnostic Aids

3

  1. Turn the ignition OFF.
  2. Disconnect the cruise control switch.
  3. Turn the ignition ON, with the engine OFF.
  4. With the scan tool, observe the Cruise Resume/Accel parameter.

Does the Cruise Resume/Accel parameter display On?

Go to Step 4

Go to Step 5

4

Test the cruise control resume/accel switch signal circuit for a short to voltage. Refer to Circuit Testing and to Wiring Repairs in Wiring Systems.

Did you find and correct the condition?

Go to Step 9

Go to Step 6

5

Inspect for poor connections at the harness connector of the cruise control switch. Refer to Testing for Intermittent Conditions and Poor Connections and to Connector Repairs in Wiring Systems.

Did you find and correct the condition?

Go to Step 9

Go to Step  7

6

Inspect for poor connections at the harness connector of the engine control module (ECM). Refer to Testing for Intermittent Conditions and Poor Connections and to Connector Repairs in Wiring Systems.

Did you find and correct the condition?

Go to Step 9

Go to Step 8

7

Replace the cruise control switch. Refer to Steering Wheel Control Switch Assembly Replacement in Steering Wheel and Column.

Did you complete the replacement?

Go to Step 9

--

8

Important: Program the replacement ECM.

Replace the ECM. Refer to Engine Control Module Replacement in Engine Controls--2.2 L (L61).

Did you complete the replacement?

Go to Step 9

--

9

  1. Use the scan tool in order to clear the DTCs.
  2. Operate the vehicle within the Conditions for Running the DTC.

Does the DTC reset?

Go to Step 2

System OK

DTC P0567 3.5L


Object Number: 1402847  Size: MF

Circuit Description

The cruise control resume/accel switch is an input to the powertrain control module (PCM). The PCM uses the cruise control resume/accel switch signal circuit in order to detect when the driver has requested to accelerate the set vehicle speed or to resume the cruise control system. The PCM detects a high signal voltage on the cruise control resume/accel switch signal circuit when the switch is applied.

Conditions for Running the DTC

    • The ignition is ON.
    • The cruise control On/Off switch is ON.

Conditions for Setting the DTC

The PCM detects a high signal voltage on the cruise control resume/accel switch signal circuit for longer than 60 seconds.

Action Taken When the DTC Sets

    • The PCM stores the DTC information into memory when the diagnostic runs and fails.
    • The malfunction indicator lamp (MIL) will not illuminate.
    • The PCM records the operating conditions at the time the diagnostic fails. The PCM stores this information in the Failure Records.
    • The cruise control system is disabled.
    • The Service Vehicle Soon (SVS) light may be illuminated.

Conditions for Clearing the MIL/DTC

    • A last test failed, or the current DTC, clears when the diagnostic runs and does not fail.
    • A history DTC clears after 40 consecutive warm-up cycles, if failures are not reported by this or any other emission related diagnostic.
    • Use a scan tool in order to clear the MIL/DTC.

Diagnostic Aids

Ensure that the resume/accel switch is not stuck or sticking in the engaged position.

For an intermittent condition, refer to Testing for Intermittent Conditions and Poor Connections in Wiring Systems.

Test Description

The numbers below refer to the step numbers on the diagnostic table.

  1. This step determines if condition is present.

  2. This step determines if the switch is at fault.

Step

Action

Yes

No

Schematic Reference: Cruise Control Schematics

Connector End View Reference: Cruise Control Connector End Views

1

Did you perform the Cruise Control Diagnostic System Check?

Go to Step 2

Go to Diagnostic System Check - Cruise Control

2

  1. Install a scan tool.
  2. Turn the ignition ON, with the engine OFF.
  3. Turn the cruise control On/Off switch ON.
  4. With the scan tool, observe the Cruise Resume/Accel parameter in the PCM General Info -- Inputs data list.

Does the Cruise Resume/Accel parameter display On?

Go to Step 3

Go to Diagnostic Aids

3

  1. Turn the ignition OFF.
  2. Disconnect the cruise control switch.
  3. Turn the ignition ON, with the engine OFF.
  4. With the scan tool, observe the Cruise Resume/Accel parameter.

Does the Cruise Resume/Accel parameter display On?

Go to Step 4

Go to Step 5

4

Test the cruise control resume/accel switch signal circuit for a short to voltage. Refer to Circuit Testing and to Wiring Repairs in Wiring Systems.

Did you find and correct the condition?

Go to Step 9

Go to Step 6

5

Inspect for poor connections at the harness connector of the cruise control switch. Refer to Testing for Intermittent Conditions and Poor Connections and to Connector Repairs in Wiring Systems.

Did you find and correct the condition?

Go to Step 9

Go to Step  7

6

Inspect for poor connections at the harness connector of the powertrain control module (PCM). Refer to Testing for Intermittent Conditions and Poor Connections and to Connector Repairs in Wiring Systems.

Did you find and correct the condition?

Go to Step 9

Go to Step 8

7

Replace the cruise control switch. Refer to Steering Wheel Control Switch Assembly Replacement in Steering Wheel and Column.

Did you complete the replacement?

Go to Step 9

--

8

Important: Program the replacement PCM.

Replace the PCM. Refer to Powertrain Control Module Connector End Views in Engine Controls--3.5 L (L66).

Did you complete the replacement?

Go to Step 9

--

9

  1. Use the scan tool in order to clear the DTCs.
  2. Operate the vehicle within the Conditions for Running the DTC.

Does the DTC reset?

Go to Step 2

System OK