GM Service Manual Online
For 1990-2009 cars only

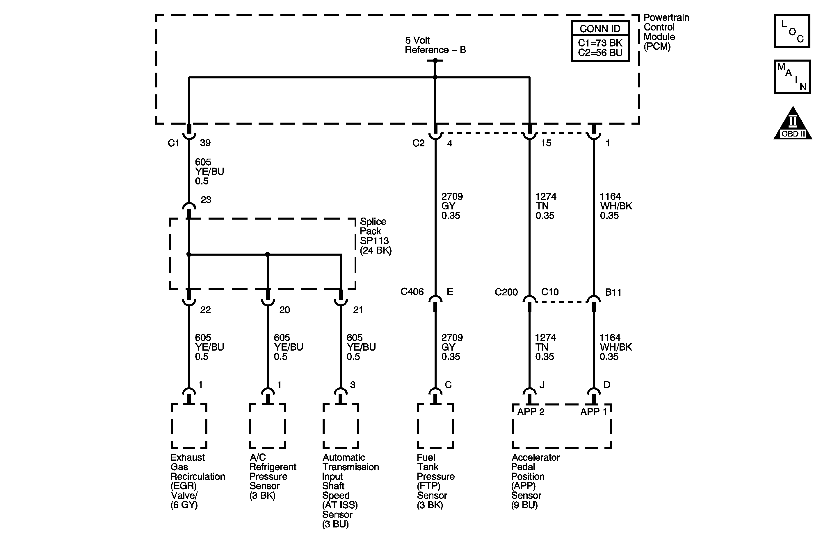
Object Number: 1350445  Size: MF
Engine Controls Component Views
Engine Controls Schematics
Engine Controls Schematic Icons

Circuit Description

The DTC P0651 5 Volt Reference 2 Circuit diagnostic detects an incorrect voltage on the reference B supply circuit. The powertrain control module (PCM) provides 5 volts to the reference B circuit to the following sensors:

    • The accelerator pedal position (APP) sensor 2
    • The fuel tank pressure (FTP) sensor
    • The exhaust gas recirculation (EGR) sensor
    • The automatic transmission input shaft speed (AT ISS) sensor
    • The air conditioning (AC) pressure sensor

These 5-volt reference circuits are independent of each other outside the PCM, but are bussed together inside the PCM. Therefore a short circuit condition on the 5-volt reference of one sensor can affect the operation of the other sensors. The PCM monitors the voltage on the 5-volt reference circuit. If the PCM detects that the voltage is out of tolerance, DTC P0651 sets.

DTC Descriptors

This diagnostic procedure supports the following DTC.

DTC P0651 5 Volt Reference 2 Circuit

Conditions for Running the DTC

    • The ignition is ON.
    • DTC P0651 runs continuously when the above condition is met.

Conditions for Setting the DTC

    • The reference B circuit voltage is less than 4.8 volts or more than 5.2 volts.
    • The above condition is present for at least 2 seconds.

Action Taken When the DTC Sets

    • The PCM illuminates the malfunction indicator lamp (MIL).
    • The PCM records the operating conditions at the time the diagnostic fails. This information will be stored in the Freeze Frame buffer.

Conditions for Clearing the MIL/DTC

    • The MIL turns OFF after 3 consecutively passing trips without a fault present.
    • A history DTC clears after 40 consecutive warm-up cycles without a fault.
    • Perform the scan tool Clear DTC Information function.

Test Description

The number below refers to the step number on the diagnostic table.

  1. The Diagnostic System Check-Engine Controls prompts the technician to complete some basic checks and store the Freeze Frame data on the scan tool if applicable. This creates an electronic copy of the data taken when the fault occurred. The information is then stored in the scan tool for later reference.

  2. After replacing the PCM a new minimum throttle position and idle speed must also be established.

Step

Action

Values

Yes

No

Connector End View Reference: Powertrain Control Module Connector End Views or Engine Controls Connector End Views

1

Did you perform the Diagnostic System Check-Engine Controls?

--

Go to Step 2

Go to Diagnostic System Check - Engine Controls

2

  1. Observe the Freeze Frame/Failure Records for this DTC.
  2. Clear the DTC information with a scan tool.
  3. Turn OFF the ignition for 30 seconds.
  4. Start the engine.
  5. Operate the vehicle within the Conditions for Running the DTC. You may also operate the vehicle within the conditions that you observed from the Freeze Frame/Failure Records.

Does the DTC fail this ignition?

--

Go to Step 3

Go to Diagnostic Aids

3

  1. Turn OFF the ignition.
  2. Disconnect the EGR position sensor electrical connector.
  3. Turn ON the ignition, with the engine OFF.
  4. Measure the voltage from the 5-volt reference circuit of the EGR position sensor to a good ground with a DMM.

Is the voltage within the specified value?

4.8-5.2 V

Go to Step 11

Go to Step 4

4

Is the voltage measured in step 3 more than the specified value?

5.2 V

Go to Step 10

Go to Step 5

5

  1. Disconnect the APP sensor.
  2. Measure again the voltage from the 5-volt reference circuit of the EGR position sensor to a good ground with the DMM.

Is the voltage within the specified range?

4.8-5.2 V

Go to Step 12

Go to Step 6

6

  1. Disconnect the AC pressure sensor.
  2. Measure again the voltage from the 5-volt reference circuit of the EGR position sensor to a good ground with the DMM.

Is the voltage within the specified range?

4.8-5.2 V

Go to Step 14

Go to Step 7

7

  1. Disconnect the AT ISS sensor.
  2. Measure again the voltage from the 5-volt reference circuit of the EGR position sensor to a good ground with the DMM.

Is the voltage within the specified range?

4.8-5.2 V

Go to Step 13

Go to Step 8

8

  1. Disconnect the FTP sensor.
  2. Measure again the voltage from the 5-volt reference circuit of the EGR position sensor to a good ground with the DMM.

Is the voltage within the specified range?

4.8-5.2 V

Go to Step 15

Go to Step 9

9

  1. Turn OFF the ignition.
  2. Disconnect the powertrain control module (PCM).
  3. Inspect all the 5-volt reference B circuits for a short to ground. Refer to Circuit Testing in Wiring Systems.
  4. Repair as necessary. Refer to Wiring Repairs in Wiring Systems.

Did you find and correct the condition?

--

Go to Step 17

Go to Step 16

10

  1. Turn OFF the ignition.
  2. Disconnect the PCM.
  3. Turn ON the ignition, with the engine OFF.
  4. Test all 5-volt reference B circuits for a short to voltage. Refer to Circuit Testing in Wiring Systems.
  5. Repair as necessary. Refer to Wiring Repairs in Wiring Systems.

Did you find and correct the condition?

--

Go to Step 17

Go to Step 16

11

Replace the EGR valve. Refer to Exhaust Gas Recirculation Valve Replacement .

Did you complete the replacement?

--

Go to Step 17

--

12

Replace the APP sensor. Refer to Accelerator Pedal Position Sensor Replacement .

Did you complete the replacement?

--

Go to Step 17

--

13

Replace the AT ISS sensor. Refer to Input Speed Sensor Replacement in Automatic Transmission--5AT.

Did you complete the replacement?

--

Go to Step 17

--

14

Replace the AC pressure sensor. Refer to Air Conditioning (A/C) Refrigerant Pressure Sensor Replacement in Heating, Ventilation, and Air Conditioning.

Did you complete the replacement?

--

Go to Step 17

--

15

Replace the FTP sensor. Refer to Fuel Tank Pressure Sensor Replacement .

Did you complete the replacement?

--

Go to Step 17

--

16

  1. Replace the PCM. Refer to Powertrain Control Module Replacement .
  2. Perform the idle learn procedure. Refer to Idle Learn .

Did you complete the replacement?

--

Go to Step 17

--

17

  1. Clear the DTCs with a scan tool.
  2. Turn OFF the ignition for 30 seconds.
  3. Start the engine.
  4. Operate the vehicle within the Conditions for Running the DTC. You may also operate the vehicle within the conditions that you observed from the Freeze Frame/Failure Records.

Did the DTC fail this ignition?

--

Go to Step 2

Go to Step 18

18

Observe the Capture Info with a scan tool.

Are there any DTCs that have not been diagnosed?

--

Go to Diagnostic Trouble Code (DTC) List a

System OK