GM Service Manual Online
For 1990-2009 cars only

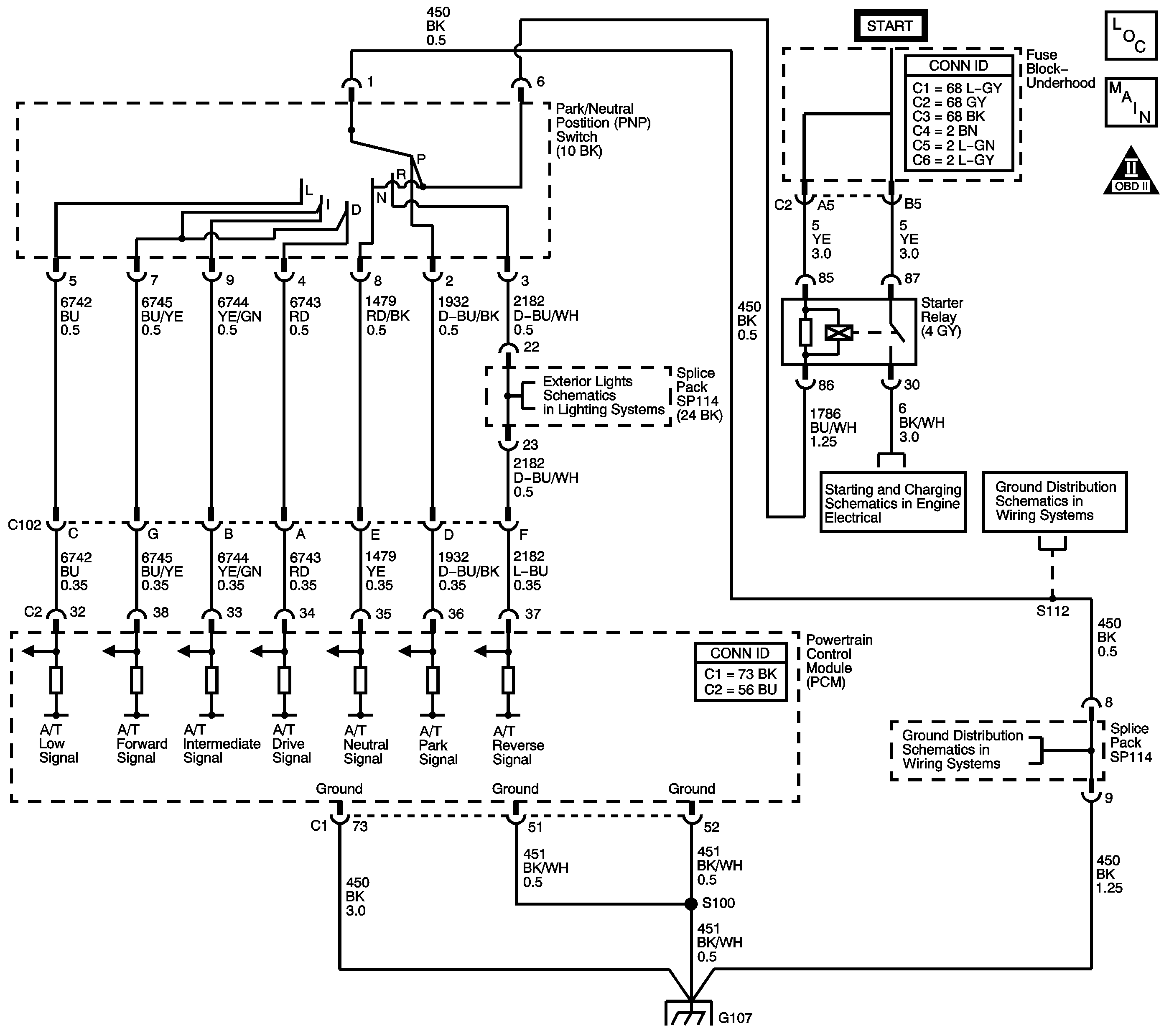
Object Number: 1246907  Size: LF
Master Electrical Component List
Automatic Transmission Controls Schematics
OBD II Symbol Description Notice

Circuit Description

The transmission range (TR) switch is part of the park/neutral position switch assembly and is mounted on the transmission manual shaft. The TR switch is a multi-signal switch. The powertrain control module (PCM) supplies ignition voltage to the TR switch on 7 signal circuits, P, R, N, D, I, L, and Forward Range. Each gear selector lever position grounds one or more of the signal circuits in a unique pattern. In order to determine the gear range selected by the driver, the PCM compares the voltage combination on the signal circuits to a TR switch combination table stored in memory. Refer to Transmission Range Switch Logic . The TR forward signal is grounded when the transmission range selector is in the D or I position. When the PCM detects that the TR forward signal is open or shorted to voltage while driving, with the transmission range selector in the D or I position, DTC P0706 sets. DTC P0706 is a type B DTC.

Refer to Range Reference .

Conditions for Running the DTC

    • No VSS DTCs P0501 or P0502.
    • No TR Switch Circuit DTC P0705.
    • System voltage is greater than 11 volts.

Conditions for Setting the DTC

The forward signal circuit is high during a driving cycle. The vehicle, during this driving cycle, accelerates from less than 9 km/h (6 mph) to more than 48 km/h (30 mph) and then decelerates to less than 9 km/h (6 mph) while the range selector is in the D or I position.

Action Taken When the DTC Sets

    • The PCM illuminates the malfunction indicator lamp (MIL) during the second consecutive trip in which the Conditions for Setting the DTC are met.
    • The PCM records the operating conditions when the Conditions for Setting the DTC are met. The PCM stores this information as Freeze Frame and Failure Records.
    • The PCM stores DTC P0706 in PCM history.

Conditions for Clearing the MIL/DTC

    • The PCM turns OFF the MIL during the third consecutive trip in which the diagnostic test runs and passes.
    • A scan tool can clear the MIL/DTC.
    • The PCM clears the DTC from PCM history if the vehicle completes 40 warm-up cycles without an emission related diagnostic fault occurring.
    • The PCM cancels the DTC default actions when the ignition switch is OFF long enough in order to power down the PCM.

Diagnostic Aids

    • Inspect the connectors at the PCM, the output speed sensor, and all other circuit connecting points for an intermittent condition. Refer to Testing for Intermittent Conditions and Poor Connections in Wiring Systems.
    • Inspect the circuit wiring for an intermittent condition. Refer to Testing for Electrical Intermittents in Wiring Systems.
    • Inspect for a disconnected TR switch connector.
    • Inspect for an open FWD switch wire.
    • Inspect for a faulty TR switch.
    • Inspect for a shift linkage incorrectly adjusted.
    • Inspect for an internal fault of the PCM.

Test Description

The numbers below refer to the step numbers on the diagnostic table.

  1. This step tests the TR switch wiring for an open or lack of signal voltage from the PCM.

Step

Action

Yes

No

1

Did you perform the Diagnostic System Check - Engine Controls?

Go to Step 2

Go to Diagnostic System Check - Engine Controls in Engine Controls - 3.5L (L66)

2

  1. Install a scan tool.
  2. Turn ON the ignition, with the engine OFF.
  3. Select TR Sw. Forward Range on the scan tool.
  4. With the scan tool, observe the TR Sw. Forward Range display while selecting transmission ranges D and I.

Does the TR Sw. Forward Range parameter remain LOW in D and I ranges?

Go to Intermittent Conditions in Engine Controls - 3.5L (L66)

Go to Step 3

3

  1. Inspect the PNP switch assembly for the following conditions:
  2. • Damage
    • Loose or missing mounting hardware
    • Proper adjustment
  3. Inspect the shift cable for the following conditions:
  4. • Damaged or stretched cable
    • Proper adjustment

Did you find and correct a condition?

Go to Step 9

Go to Step 4

4

  1. Disconnect the TR switch.
  2. Connect a 3 amp fused jumper wire from the TR switch forward signal circuit 10-way connector to ground, while monitoring the scan tool TR Sw. Forward Range parameters.

When the TR switch forward signal circuit is grounded, does the TR Sw. Forward Range parameter indicate LOW?

Go to Step 6

Go to Step 5

5

Test the TR switch forward signal circuit for an open or short to voltage.

Refer to Testing for Continuity and Wiring Repairs in Wiring Systems.

Did you find and correct the condition?

Go to Step 9

Go to Step 8

6

Test the TR switch ground circuit for an open.

Refer to Testing for Continuity and Wiring Repairs in Wiring Systems.

Did you find and correct the condition?

Go to Step 9

Go to Step 7

7

Replace the TR switch. The TR switch is part of the park/neutral position switch.

Refer to Park/Neutral Position Switch Replacement .

Did you complete the replacement?

Go to Step 9

--

8

Important: Always perform the PCM set up procedure.

  1. Replace the PCM. Refer to Powertrain Control Module Replacement in Engine Controls - 3.5L (L66).
  2. Perform the PCM setup procedure.

Did you complete the replacement?

Go to Step 9

--

9

Perform the following procedure in order to verify the repair:

  1. Select DTC.
  2. Select Clear Info.
  3. Start the engine and select gear ranges P, R, N, D, I, L.
  4. Road test the vehicle.
  5. Select Specific DTC.
  6. Enter DTC P0706.

Has the test run and passed?

Go to Step 10

Go to Step 2

10

With the scan tool, observe the stored information, capture info and DTC info.

Does the scan tool display any DTCs that you have not diagnosed?

Go to Diagnostic Trouble Code (DTC) Types in Engine Controls - 3.5L (L66)

System OK