GM Service Manual Online
For 1990-2009 cars only

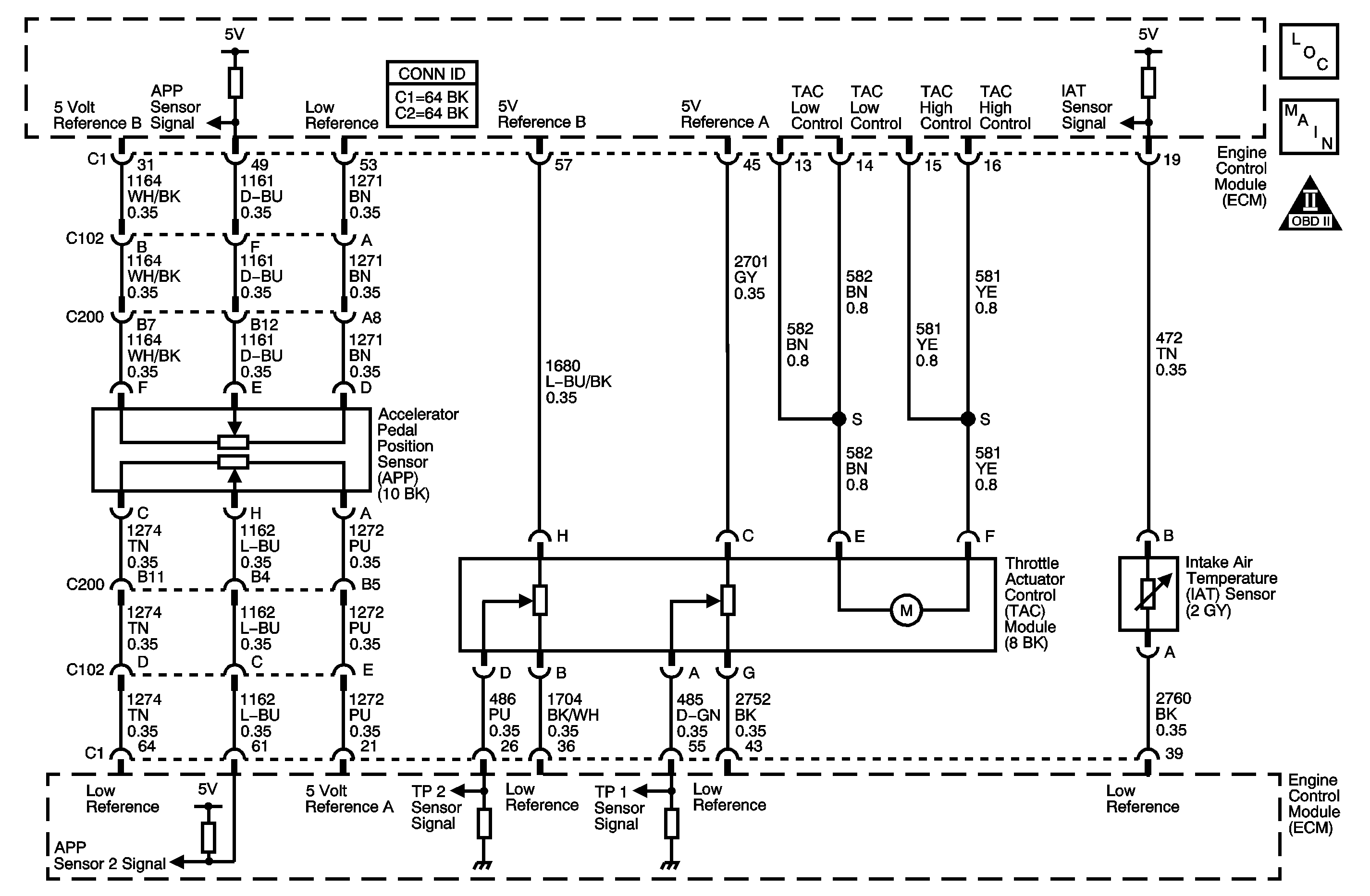
Object Number: 1248073  Size: MF
Engine Controls Component Views
Engine Controls Schematics

Circuit Description

The engine control module (ECM) determines the minimum throttle position each time the ignition is turned on. In order to learn this position, the ECM moves the throttle plate to the closed position. If the ECM determines the throttle plate is not moving to the fully closed position during this learn procedure, DTC P2176 will set.

Conditions for Running the DTC

    • The ignition is ON.
    • The ignition voltage is more than 5.25 volts.

Conditions for Setting the DTC

The ECM detects that the throttle plate did not return to the minimum position during learn procedure.

Action Taken When the DTC Sets

    • The control module illuminates the malfunction indicator lamp (MIL) when the diagnostic runs and fails.
    • The control module records the operating conditions at the time the diagnostic fails. The control module stores this information in the Freeze Frame and/or the Failure Records.
    • The control module commands the TAC system to operate in the Reduced Engine Power mode.
    • A message center or an indicator displays Reduced Engine Power.
    • Under certain conditions the control module commands the engine OFF.

Conditions for Clearing the MIL/DTC

    • The control module turns OFF the malfunction indicator lamp (MIL) after 3 consecutive ignition cycles that the diagnostic runs and does not fail.
    • A current DTC, Last Test Failed, clears when the diagnostic runs and passes.
    • A history DTC clears after 40 consecutive warm-up cycles, if no failures are reported by this or any other emission related diagnostic.
    • Clear the MIL and the DTC with a scan tool.

Diagnostic Aids

Inspect for mechanical conditions or binding that may be temperature related. Components may not move freely in extreme heat or cold due to the presence of contaminants or ice formation.

Step

Action

Yes

No

Schematic Reference: Engine Controls Schematics

Connector End View Reference: Engine Controls Connector End Views or Engine Control Module Connector End Views

1

Did you perform the Diagnostic System Check-Engine Controls?

Go to Step 2

Go to Diagnostic System Check - Engine Controls

2

Are DTCs P0120 and P0220 also set?

Go to Diagnostic Trouble Code (DTC) List

Go to Step 3

3

  1. Observe the Freeze Frame/Failure Records for this DTC.
  2. Turn OFF the ignition for 90 seconds.
  3. Turn ON the ignition, with the engine OFF.
  4. Operate the vehicle within the conditions for running the DTC. You may also operate the vehicle within the conditions you observed from the Freeze Frame/Failure Records.

Did the DTC fail this ignition?

Go to Step 4

Go to Intermittent Conditions

4

Remove the throttle body assembly. Refer to Throttle Body Assembly Replacement .

Did you find any obstructions preventing the throttle plate from returning to the minimum position?

Go to Step 5

Go to Step 6

5

Remove the obstruction.

Did you find and correct the condition?

Go to Step 7

--

6

Replace the throttle body assembly. Refer to Throttle Body Assembly Replacement .

Did you complete the replacement?

Go to Step 7

--

7

  1. Clear the DTCs with a scan tool.
  2. Turn OFF the ignition for 90 seconds.
  3. Turn On the ignition, with the engine OFF
  4. Operate the vehicle within the Conditions for Running the DTC. You may also operate the vehicle within the conditions that you observed from the Freeze Frame/Failure Records.

Did the DTC fail this ignition?

Go to Step 2

Go to Step 8

8

Important: Be aware that repairing one individual condition may correct more than one DTC.

Observe the Capture Info with a scan tool.

Are there any DTCs that have not been diagnosed?

Go to Diagnostic Trouble Code (DTC) List

System OK