GM Service Manual Online
For 1990-2009 cars only

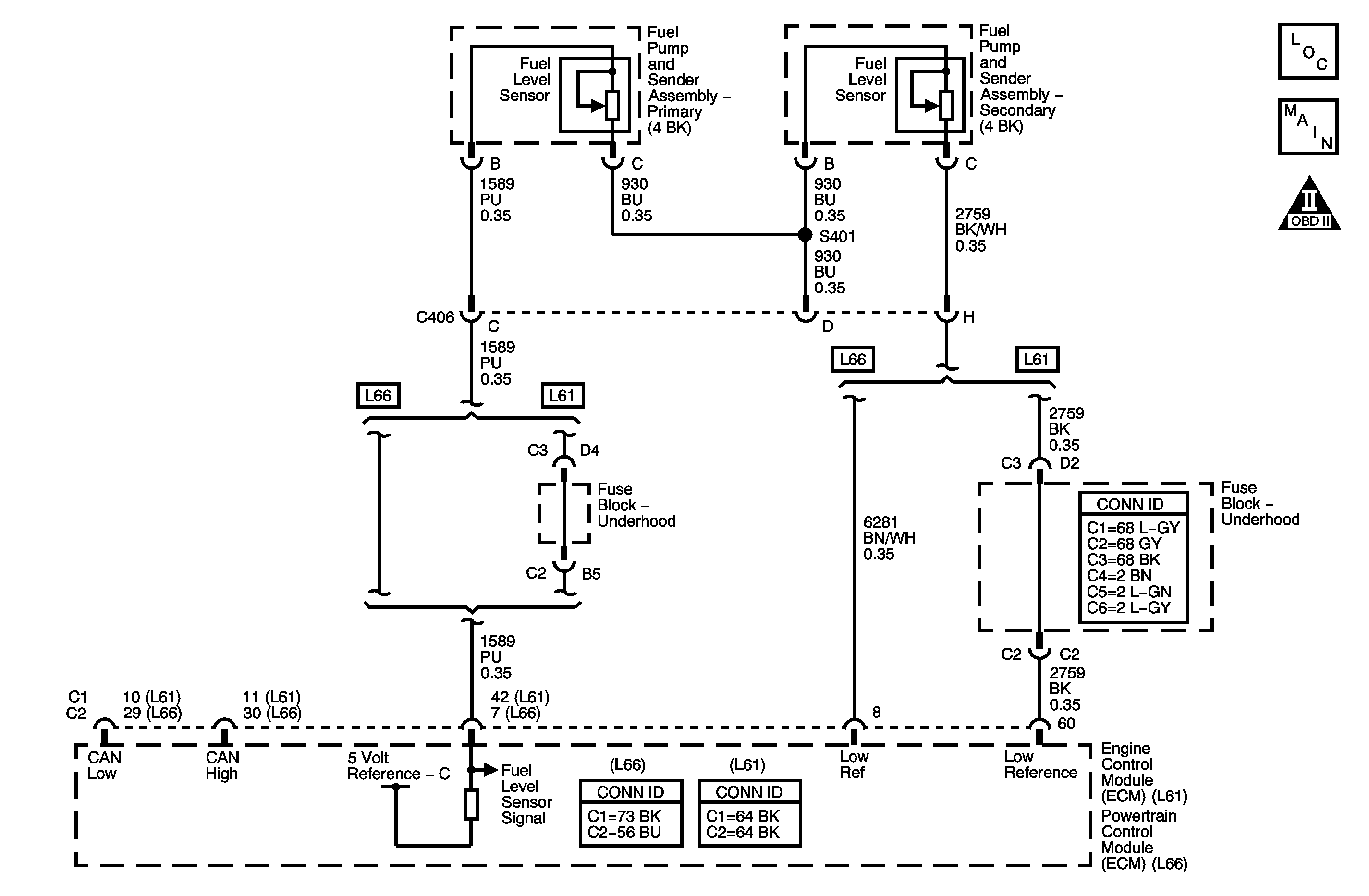
Object Number: 1398270  Size: MF

Circuit Description

The fuel level sender changes resistance based on the fuel level. The engine control module (ECM) (L61) or powertrain control module (PCM) (L66) monitors the signal circuit of the fuel level sender in order to determine fuel level. When the fuel tank is full, the sender resistance is low and the ECM/PCM senses a low signal voltage. When the fuel tank is empty, the sender resistance is high and the ECM/PCM senses a high signal voltage. The ECM/PCM uses the signal circuit of the fuel level sender in order to calculate the total remaining fuel percent in the tank. The ECM/PCM sends the fuel level message via the CAN serial data circuit to the BCM. The BCM sends the fuel level percent to the IPC via the class 2 data circuit to display on the fuel gage. The fuel level information is also used for misfire and EVAP diagnostics.

This diagnostic tests for a higher than normal fuel level sender signal.

Conditions for Running the DTC

The ignition is ON, with the engine ON.

Conditions for Setting the DTC

    • The fuel level signal is greater than 98 percent.
    • The above condition is present for greater than 20 seconds.

Action Taken When the DTC Sets

    • The fuel gage defaults to empty.
    • The ECM/PCM records the operating conditions at the time the diagnostic fails. The ECM/PCM displays the failure information in the Failure Records on the scan tool.

Conditions for Clearing the DTC

    • The DTC becomes history when the conditions for setting the DTC are no longer present.
    • The history DTC clears after 40 malfunction free warm-up cycles.
    • The ECM/PCM receives the clear code command from the scan tool.

Diagnostic Aids

Use the Freeze Frame and/or Failure Records data in order to locate an intermittent condition. If you cannot duplicate the DTC, the information included in the Freeze Frame and/or Failure Records data may aid in determining the number of miles since the DTC set. The Fail Counter and Pass Counter can also aid in determining the number of ignition cycles that the diagnostic reported a pass and/or fail. Operate the vehicle within the same freeze frame conditions, i.e. RPM, engine load, vehicle speed, temperature, etc. This will isolate when the DTC failed.

Refer to Testing for Intermittent Conditions and Poor Connections in Wiring Systems.

Test Description

The number below refers to the step number on the diagnostic table.

  1. Tests for the proper operation of the circuit in the low voltage range. If the fuse in the jumper opens when you perform this test, the signal circuit is shorted to voltage.

Step

Action

Value(s)

Yes

No

Schematic Reference: Instrument Cluster Schematics

1

Did you perform the Instrument Cluster Diagnostic System Check?

--

Go to Step 2

Go to Diagnostic System Check - Instrument Cluster

2

  1. Turn OFF the ignition.
  2. Disconnect C406.
  3. Connect a 3-amp fused jumper wire between the signal circuit of the fuel level sender and the low reference circuit of the fuel level sender on the female terminal side.
  4. Turn ON the ignition, with the engine OFF.
  5. With a scan tool, observe the Fuel Level parameter.

Does the scan tool indicate that the Fuel Level parameter is greater than the specified value?

16 Gallons

Go to Step 4

Go to Step 3

3

Test the signal circuit of the fuel level sender and the low reference circuit of the fuel level sender between C406 and the ECM/PCM for an open, for a high resistance, or for a short to voltage. Refer to Circuit Testing and to Wiring Repairs in Wiring Systems.

Did you find and correct the condition?

--

Go to Step 9

Go to Step 6

4

Test the signal circuit of the fuel level senders between C406 and the fuel level senders for a short to ground. Refer to Circuit Testing and to Wiring Repairs in Wiring Systems.

Did you find and correct the condition?

--

Go to Step 9

Go to Step 5

5

Inspect for poor connections at the harness connector of the fuel level senders. Refer to Testing for Intermittent Conditions and Poor Connections and to Connector Repairs in Wiring Systems.

Did you find and correct the condition?

--

Go to Step 9

Go to Step 7

6

Inspect for poor connections at the harness connector of the ECM/PCM. Refer to Testing for Intermittent Conditions and Poor Connections and to Connector Repairs in Wiring Systems.

Did you find and correct the condition?

--

Go to Step 9

Go to Step 8

7

Replace the fuel level sender that internally has an open, an abnormally high resistance, or a short to voltage. Refer to Fuel Level Sensor Replacement in Engine Controls.

Did you complete the replacement?

--

Go to Step 9

--

8

Important: Program the replacement ECM/PCM.

Replace the ECM/PCM. Refer to Powertrain Control Module Replacement in Engine Controls - 3.5L or to Engine Control Module Replacement in Engine Controls - 2.2L.

Did you complete the replacement?

--

Go to Step 9

--

9

  1. Use the scan tool in order to clear the DTCs.
  2. Operate the vehicle within the Conditions for Running the DTC as specified in the supporting text.

Does the DTC reset?

--

Go to Step 2

System OK