GM Service Manual Online
For 1990-2009 cars only

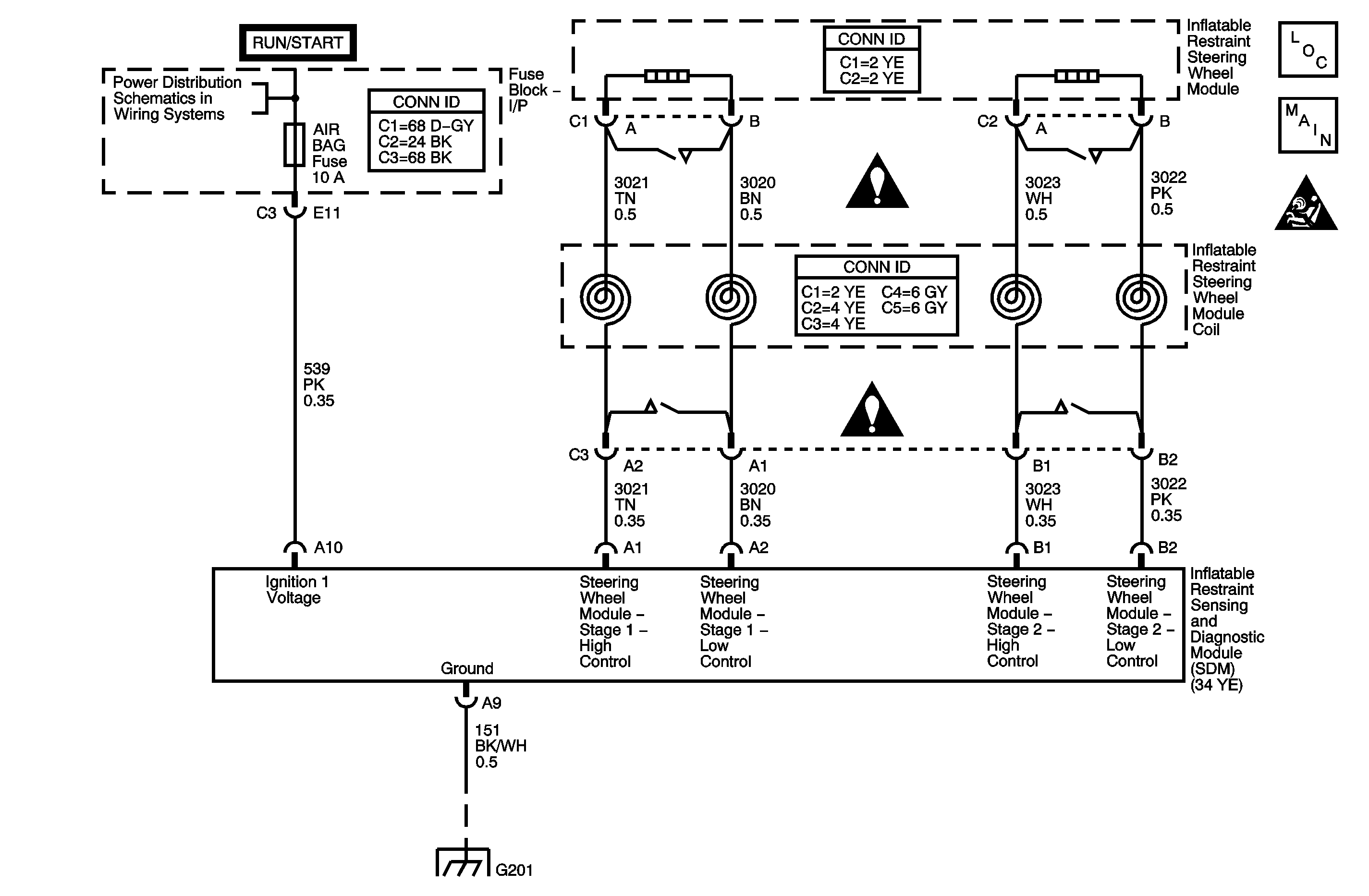
Object Number: 1335190  Size: MF
SIR Component Views
Modules and Sensors
SIR Schematic Icons

Circuit Description

The dual stage inflatable restraint steering wheel module deployment loop consists of the dual stage inflatable restraint steering wheel module, the inflatable restraint steering wheel module coil, and the steering wheel module high and low circuits for both stages 1 and 2. Two shorting bars used within the steering wheel module coil connector short together both the steering wheel module stage 1 high and low circuits, and the steering wheel module stage 2 high and low circuits when the connector is disconnected. This helps to prevent unwanted deployment of the inflator module during servicing. During a frontal crash of sufficient force the inflatable restraint sensing and diagnostic module (SDM) allows current to flow through the deployment loop in order to deploy the steering wheel module. When the ignition is turned ON, the SDM performs continuous diagnostic tests on the deployment loops to check for proper circuit continuity and for shorts to ground or voltage. If a malfunction is detected, a diagnostic trouble code (DTC) will be stored in memory.

Conditions for Running the DTC

Ignition 1 voltage is within the normal operating voltage range.

Conditions for Setting the DTC

    • DTC B0022 in stage 1 or B0042 in stage 2 will set when the steering wheel module deployment loop resistance is less than 1.3 ohms for 500 milliseconds.
    • DTC B0024 in stage 1 or B0043 in stage 2 will set when one of the following conditions occur:
       - Steering wheel module high and/or low circuits is short to ground or short to voltage for 500 milliseconds.
       - Steering wheel module high circuit is less than 2.4 volts and steering wheel module deployment loop resistance is less than 6 ohms for 500 milliseconds.
    • DTC B0026 in stage 1 or B0044 in stage 2 will set when one of the following conditions occurs:
       - Steering wheel module high circuit is less than 2.4 volts and the steering wheel module deployment loop is more than 6 ohms for 500 milliseconds.
       - Steering wheel module deployment loop resistance is more than 4.8 ohms for 500 milliseconds.

Action Taken When the DTC Sets

The SDM commands the AIR BAG indicator ON via class 2 serial data.

Conditions for Clearing the DTC

    • The condition responsible for setting the DTC no longer exists and the scan tool Clear DTCs function is used.
    • A history DTC will clear once 255 malfunction free ignition cycles have occurred.

Diagnostic Aids

The following are possible causes of the malfunction:

    • A short between the steering wheel module stage 1 or stage 2, high and low circuits.
    • An open or a high resistance in the steering wheel module stage 1 or stage 2, high or low circuits.
    • A short to ground or a short to voltage in the steering wheel module stage 1 or stage 2, high or low circuits.
    • The steering wheel module coil connector
    • The SDM connector
    • A malfunctioning steering wheel module
    • A malfunctioning steering wheel module coil
    • A malfunctioning SDM

Thoroughly inspect the wiring and the connectors. An incomplete inspection of the wiring and the connectors may result in a misdiagnosis, causing a part replacement with the reappearance of the malfunction. If an intermittent malfunction exists, refer to Testing for Intermittent Conditions and Poor Connections in Wiring Systems.

Test Description

The numbers below refer to the step numbers on the diagnostic table.

  1. Tests to see if the malfunction is caused by the steering wheel module or by the steering wheel module coil.

  2. Tests to see what DTCs are present. If DTC B0022 or B0042 is present, test for a short between the steering wheel module high and low circuits in stage 1 or stage 2. If DTC B0024 or B0043 is present, test the steering wheel module high and low circuits for an open and for high resistance in stage 1 or stage 2. If DTC B0026 or B0044 is present, test the steering wheel module high and low circuits for an open and for high resistance in stage 1 or stage 2.

Step

Action

Yes

No

Connector End View Reference: SIR Connector End Views

1

Did you perform the Diagnostic System Check - SIR?

Go to Step 2

Go to Diagnostic System Check - SIR

2

  1. Turn OFF the ignition.
  2. Disconnect the steering wheel module coil connector. Refer to Inflatable Restraint Steering Wheel Module Coil Replacement .
  3. Inspect the component and harness sides of the connector for the steering wheel module coil for damage or corrosion that may cause the malfunction. Refer to Testing for Intermittent Conditions and Poor Connections and Connector Repairs in Wiring Systems.

Does the connector exhibit any signs of damage or corrosion?

Go to Step 3

Go to Step 4

3

  1. If the component side of the steering wheel module coil connector is damaged, the steering wheel module coil must be replaced. Refer to Inflatable Restraint Steering Wheel Module Coil Replacement .
  2. If the wiring harness side of steering wheel module coil connector is damaged, replace the harness side of the connector. Refer to Connector Repairs in Wiring Systems.

Did you complete the repair?

Go to Step 11

--

4

  1. Use J 38715-80 adapter to connect the SA9409Z-A to the harness side of the steering wheel module coil connector. Use the BASE OF COLUMN and PASSENGER INFLATOR connectors on the load tool.
  2. Turn ON the ignition, with the engine OFF.
  3. Use the scan tool to request SIR DTCs displayed.

Does the scan tool indicate that DTC B0022, B0024, B0026, B0042, B0043, or B0044 are current?

Go to Step 6

Go to Step 5

5

  1. Turn OFF the ignition.
  2. Disconnect and remove both the SA9409Z-A and adapter.
  3. Connect the steering wheel module coil connector.
  4. Remove the steering wheel module. Refer to Inflatable Restraint Steering Wheel Module Replacement .
  5. Connect the SA9409Z-A Load Tool to the upper steering wheel module coil connectors on top of the steering column. Use the EL 38715-130 adapter to connect the load tool DRIVER INFLATOR connector to the stage 1 connector. Use the J 38715-30A adapter to connect the load tool PASSENGER INFLATOR connector to the stage 2 connector.
  6. Turn ON the ignition, with the engine OFF.
  7. Use the scan tool to request SIR DTCs displayed.

Does the scan tool indicate that DTC B0022, B0024, B0026, B0042, B0043, or B0044 are current?

Go to Step 9

Go to Step 8

6

  1. Turn OFF the ignition.
  2. Disconnect and remove the SA9409Z-A Load Tool, and the adapter.
  3. Disconnect the inflatable restraint sensing and diagnostic module (SDM) connector. Refer to Inflatable Restraint Sensing and Diagnostic Module Replacement .
  4. Inspect the SDM connector for damage or corrosion that may cause a malfunction in the steering wheel module stage 1 or stage 2 high and/or low circuits. Refer to Testing for Intermittent Conditions and Poor Connections and Connector Repairs in Wiring Systems.

Did you find and correct the condition?

Go to Step 11

Go to Step 7

7

  1. If DTC B0022 or B0042 is present, test for a short between the steering wheel module high and low circuits in stage 1 or stage 2.
  2. If DTC B0024 or B0043 is present, test the steering wheel module high and low circuits for a short to ground and for a short to voltage in stage 1 or stage 2.
  3. If DTC B0026 or B0044 is present, test the steering wheel module high and low circuits for an open and for high resistance in stage 1 or stage 2.
  4. For all the above conditions, refer to Circuit Testing and Wiring Repairs in Wiring Systems.

Did you find and correct the condition?

Go to Step 11

Go to Step 10

8

  1. Turn OFF the ignition.
  2. Replace the steering wheel module. Refer to Inflatable Restraint Steering Wheel Module Replacement .

Did you complete the replacement?

Go to Step 11

--

9

  1. Turn OFF the ignition.
  2. Replace the steering wheel module coil. Refer to Inflatable Restraint Steering Wheel Module Coil Replacement .

Did you complete the replacement?

Go to Step 11

--

10

  1. Turn OFF the ignition.
  2. Replace the SDM. Refer to Inflatable Restraint Sensing and Diagnostic Module Replacement .

Did you complete the replacement?

Go to Step 11

--

11

  1. Connect all SIR components.
  2. Turn ON the ignition, with the engine OFF.
  3. Use the scan tool in order to clear the DTCs.
  4. Operate the vehicle within the Conditions for Running the DTC as specified in the supporting text.

Does the DTC reset?

Go to Step 2

System OK