GM Service Manual Online
For 1990-2009 cars only
Makes
🢒
Saturn
🢒
2005
🢒
VUE - FWD
🢒
Vehicle Control Systems
🢒
Vehicle DTC Information
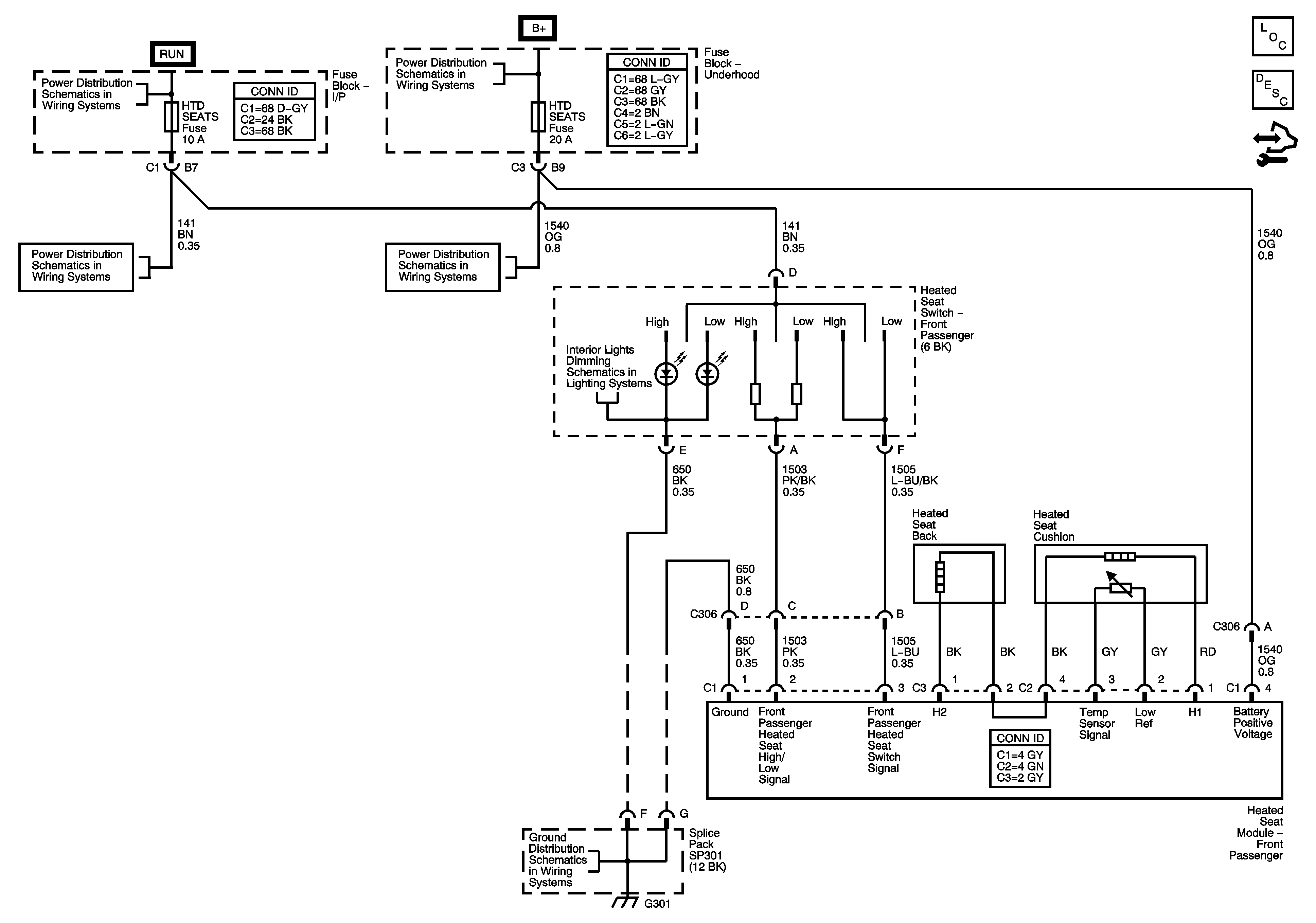
🢒 Passenger Seat Schematics